各乡镇人民政府,县级有关部门,省州驻武各单位
《武定县“十四五”综合交通运输发展规划及中长期远景目标纲要(2021年—2035年)》已经十八届县人民政府第10次常务会议审议通过,现印发给你们,请认真贯彻落实。
2022年10月8日
(此件公开发布)
武定县“十四五”综合交通运输发展规划及中长期远景目标纲要
(2021年—2035年)
武定县交通运输局
目 录
前 言1
一、 编制依据1
二、 规划目的3
三、 规划范围3
四、 规划期限3
五、 规划方法4
六、 编制过程5
第一章 规划背景与形势发展7
一、规划背景7
二、宏观形势11
三、发展要求27
四、机遇与挑战29
第二章 “十三五”综合交通运输发展及评价32
一、 “十三五”综合交通运输取得的成就32
二、 “十三五”综合交通运输评价36
三、 存在困难和问题38
第三章 总体要求41
一、 指导思想41
二、 规划原则42
三、 发展战略43
四、 发展思路47
五、 发展目标48
第四章 武定县社会经济现状及发展情况54
一、 社会经济现状及发展预测54
二、 城镇体系布局63
三、 产业布局65
四、 旅游现状及发展66
五、 矿产资源分布68
第五章 区域综合交通运输发展现状71
一、 楚雄州综合交通运输概况71
二、 武定县综合交通运输概况73
三、 武定县公路路网、港口码头、客运站场概况76
第六章 交通运输需求结构及需求量预测88
一、交通运输结构分析88
二、 交通分布预测91
三、 综合运输量预测97
第七章 布局规划与重点任务104
一、 区位优势明显的综合运输通道104
二、 优化辐射广泛的现代公路路网108
三、统筹绿色环保的水运航道航线116
四、建设高速快捷的铁路轨道路网122
五、 新兴应用广泛的通用航空体系125
六、 重点任务132
第八章 综合交通运输客运系统规划139
一、 构建转乘方便的客运枢纽139
二、 提升安全惠民的城乡客运一体化水平142
第九章 综合交通运输物流系统规划149
一、 构建装备先进的物流园区149
二、 完善覆盖全面的邮政快递151
三、 建设准确及时的物流公共信息平台153
四、 促进武定现代物流健康发展154
第十章 综合交通运输系统保障体系157
一、 构建完善的交通运输法规体系157
二、 构建高效率的管理体系158
三、 构建高素质的人才队伍体系160
四、 构建可持续的投融资体系162
第十一章 环境影响评价165
第十二章 政策要求与保障措施168
一、 政策要求168
二、 保障措施170
“十四五”期间,武定县瞄准2035年基本实现社会主义现代化的总目标,聚焦到2025年“一圈二园三县四基地”战略定位目标要求,全力实施“1234”发展战略(即:全面融入昆明半小时经济圈,全力打造昆明、攀枝花城市休闲后花园和云南武定产业园,着力建设全国民族团结进步示范县、全省生态文明先行示范县、长江经济带区域开放合作重点县,全面建设云南钛产业基地、金沙江流域特色农产品基地、楚雄中药材产业基地、武定壮鸡产业基地)的独特发展机遇,牢固树立“综合立体、互联互通、结构合理、绿色便捷”的发展理念,推动军民融合、深度发展,准确把握现代交通发展新高度,打造服务全县、面向滇中的综合枢纽重要节点城市,着力完善综合交通运输网络,加快推进交通运输现代化发展,为全县更高水平的科学发展、跨越发展提供强力支撑。
一、编制依据
本次规划是在国家和省州综合交通运输发展规划的指导下,按照县委、县政府制订的《武定县国民经济和社会发展第十四个五年规划》建议,结合武定县交通运输发展的实际情况,特制定《武定县“十四五”综合交通运输发展规划及中长期远景目标纲要》。主要依据有:
1.《云南省建设交通强国省域示范区建设方案》(2020);
2.《云南省综合立体交通网规划纲要》(2021);
3.《云南省道网规划修编》(2016—2030);
4.《云南省水路交通发展规划》(2014—2030);
5.《云南省物流枢纽布局和建设规划》(2019—2035);
6.《云南省“十四五”综合交通运输发展规划》(2022);
9.《云南省铁路“十四五”发展规划》(2022);
10.《云南省民航“十四五”发展规划》(2021);
11.《云南省物流枢纽布局和建设规划》(2019—2035)
12.《云南省乡村振兴战略规划》(2018—2022);
13.《楚雄彝族自治州城镇体系规划》(2018—2035年);
14.《滇中城市群总体规划》(2020—2050年);
15.《楚雄州“十四五”综合交通运输发展规划》(2022);
16.《关于印发公路网规划编制办法的通知》(交规划发〔2010〕112);
17.《城市综合交通体系规划标准(GB/T 51328—2018)》;
18.《综合货运枢纽分类与基本要求》(JT/T 1111—2017);
19.《综合客运枢纽分类分级》(JT/T 1112—2017);
20.《汽车客运站级别划分和建设要求》(交科教发〔2004〕190号JT/T 200—2004);
21.《内河通航标准》(GB50139—2014);
22.武定县“十四五”项目行动计划表;
23. 云南省加快推进“四好农村路”建设的实施意见(2018);
24.《武定县县志》;
25.《武定县国民经济和社会发展第十四个五年规划纲要》;
26.2021年《武定县政府工作报告》;
27.2015—2019年《武定县统计年鉴》;
28.2019年武定县公路、水运调查统计基本情况。
为体现本规划的科学性、可行性,在编制工作中广泛听取了各乡镇、县级有关部门的意见、建议,由各乡镇提供相关资料,在此基础上,进行分析、汇总、平衡和评价后,编制出《武定县“十四五”综合交通运输发展规划及中长期远景目标纲要》。
二、规划目的
本次规划的目的是为了积极响应云南省交通强国建设目标,全面打造全省现代化综合交通体系,高品质的快速交通网、高效率的普通干线网、广覆盖的农村基础网、多层次的综合交通枢纽体系,全面实现武定现代综合交通运输体系的跨越式发展,为武定县“十四五”国民经济和社会发展提供支持。
三、规划范围
1.公路路网:武定县辖区范围内的7镇4乡、136个行政村、社区居委会及矿产资源、旅游景点;
2.铁路路网:武定县域内国家及区域铁路线网规划;
3.港口、码头:涉及县域内金沙江通航区域;
4.汽车客运站:重要乡镇、主要行政村、社区;
5.客运枢纽:武(定)禄(劝)客运枢纽站;
6.通用机场:武定通用机场。
1.近期:2021—2025;
2.中长期:2026—2035。
1.公路路网:根据《云南省公路“十四五”发展规划》(2021),结合武定县经济的发展需求与可能,综合地理、自然条件和现有公路状况、资金筹措能力等因素,采用节点连通度法和国土系数法计算路网总里程,通过节点重要度和交通量合理确定路网结构层次,同时在现有公路网的基础上,通过对比具有相似地形、地貌和乡(镇)、行政村布局、发达地区县乡公路密度,结合区域社会经济发展水平预测,确定公路网发展规模。
2.通用机场:根据《云南省民航“十四五”发展规划》(2021),综合考虑武定县人口、土地、空域资源、交通运输、产业基础等条件,立足市场需求和发展实际,合理确定通用机场建设规模和标准,因地制宜推进武定县通用机场建设。通用机场设施要坚持经济、适用、美观、绿色的原则,在确保运行安全的前提下,节约投资和降低运行成本。
3.铁路路网:作为县级铁路网规划,应根据《云南省铁路“十四五”发展规划》(2022)的总体要求,结合州市铁路网规划具体部署,积极参与区域铁路路线调研和资料收集,服从上一级规划,做好客货运铁路枢纽选址工作,为县域交通发展开拓领域。
4.港口码头:根据《云南省水运交通“十四五”发展规划》(2021)总体要求,以航道建设为先导,以已有的水运设施为基础,综合分析运量结构,确定码头性质,结合历史水运运输量和吞吐量,合理预测未来客货运量,再根据预测值计算泊位,从而确定建设规模。
5.城乡客运站:根据《云南省“十四五”综合交通运输发展规划》(2022),结合规划区域内客运站的布局,在综合考虑了规划区域内国道、省道和县道的规划情况下,分析乡镇对客流的吸引度和客运组织量分配比例,再根据客运组织量分配比例分配乡镇客运组织量,并确定农村汽车客运站等级,最后根据区域内乡镇对农村客流的吸引度、农村汽车客运站辐射区域以及公路网布局等因素进行农村汽车客运站布局。
6.邮政物流:根据《云南省邮政业“十四五”发展规划》(2021),考虑现有的条件和未来发展的需要,从社会的整体利益出发,结合国民经济、社会发展长远计划,综合考虑自然条件、社会经济、物流环境、交通运输条件等各个方面的影响因素,合理利用资源,对社会区域内的物流发展的产业政策、物流活动模式、物流基础设施建设规模、速度和物流企业发展方向、功能定位等进行全面的宏观战略规划。规划方法上主要通过指令性和增长型实施方法相结合确定物流通道、物流站点、运输通道、信息发送和经营模式等,确保县域邮政物流畅通快捷。
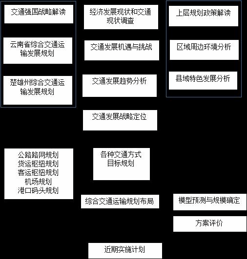
为编制武定县综合交通运输“十四五”及中长期远景目标纲要,2020年5月武定县交通局专门成立了“十四五”交通运输发展规划编制领导小组,组成了由党组书记、局长担任组长,副局长担任副组长,相关科室负责人为成员的编制工作组,在日常工作之余积极收集相关资料,梳理和统计“十三五”期间交通建设重要成果,2020年9月组织专家进行讨论,专家们集思广益并形成了一致意见,2022年9月交通运输局对文本做了进一步修改,形成最终报告。

图1 项目规划技术线路图
(一)交通强国国家战略新部署
党的十九大将建设“交通强国”上升为国家战略,这是党中央根据新时期国内外形势的变化、国家发展目标与建设任务作出的重大战略部署,是新时代赋予中国交通运输业的崇高使命。“交通强国”明确指出:到本世纪中叶,全面建成人民满意、保障有力、世界前列的交通强国,在价值取向方面要建设“安全、便捷、高效、绿色、经济”的现代综合交通运输体系。这为新时代我国综合交通运输发展指明了方向。交通强国战略的提出必将对综合交通运输发展产生深刻深远影响,也对综合交通运输体系建设提出新的要求。发展目标上,由强自身转向强国家,更加注重综合交通运输对国土开发、区域协调、产业布局、科技创新和对外开放的先行引导作用,强化综合交通运输体系对国家重大战略实施和现代化经济体系构建的支撑。发展动力上,由传统要素驱动转向科技创新驱动,更加注重积极吸纳和集聚创新要素资源,提升既有设施智能化水平,促进全出行链、产业链、供应链、价值链技术创新和模式创新,推动综合交通运输智能高效发展。
(二)云南省综合交通运输体系新目标
新时代,云南省作为“民族团结进步示范区、生态文明建设排头兵、面向南亚东南亚辐射中心”,在交通方面也紧紧围绕省委省政府既定的目标,加快推动综合交通运输体系发展,建设交通强国省域示范区和面向南亚东南亚辐射中心。
2022年1月,云南省交通运输厅发布了《云南省“十四五”综合交通运输发展规划》(2022),提出了中长期发展目标及愿景:形成服务全省“滇中崛起、沿边开放、滇东北开发、滇西一体化”发展布局,打造“两廊四带五轴”综合交通经济走廊,构建由5条国际综合交通大通道、5条国内综合交通大通道、5条省内综合交通大通道、综合交通“3张网”,8个骨干型综合交通枢纽城市组成的“55538”综合立体交通网格局。
“十四五”期间云南交通发展将由“基本适应”向“提质增效、适度超前”转变,将进一步助力我省全面提升在国内国际“大循环、双循环”新格局中的嵌入度、贡献度和价值链地位。到2025年,交通强省建设迈出坚实步伐,安全、便捷、高效、绿色、经济的现代综合交通运输体系进一步完善,高品质快速网、高效率干线网、广覆盖基础网、多层级综合交通枢纽体系建设取得显著成效,我国面向南亚东南亚辐射中心的交通运输支撑保障能力大幅提升。到2035年,交通强省建设目标基本实现,形成高水平网络,提供高品质服务,实现高质量发展,陆路、空中、水上、枢纽协同融合,基本建成便捷顺畅、经济高效、绿色集约、智能先进、安全可靠的现代化综合立体交通网。综合交通网络覆盖更加广泛,综合交通枢纽衔接更加顺畅,综合交通网络承载能力明显提高,有力支撑“1233出行交通圈”和“113快货物流圈”。交通基础设施质量、智能化与绿色化水平进入全国先进行列,人民群众交通服务满意度明显提高,支撑现代化建设的能力显著增强。
(三)《滇中城市群》和《楚雄州城镇体系》发展新蓝图
根据《滇中城市群发展规划(2020—2050年)》和《楚雄彝族自治州城镇体系规划(2018—2035年)》,未来30年楚雄州将建设成:(国家层面)面向南亚东南亚辐射中心的核心支撑区、重要战略枢纽,民族团结进步示范区;(省级层面)滇中城市群西部增长极、生态文明建设先行示范区、绿色产业基地、以彝族文化为特色的国际旅游与健康生活目的地;(州级层面)区域协调、城乡一体、高效集约、智慧生态、特色鲜明的城镇体系。滇中城市群的形成,将极大地融合金融贸易、信息、旅游、文化、体育等各种职能,有力的推动楚雄经济发展,作为发展中的排头兵交通板块也将有质的提升,交通网络更加完善。滇中城市群将以高速公路、高速铁路、航空、金沙江水运为立体交通网的综合交通枢纽。
(四)“十四五”楚雄州综合交通运输发展规划新要求
“十四五”期间,楚雄州将依托区域综合交通优势及区位优势,巩固提升综合交通枢纽地位,着力打造北上成渝经济圈和京津冀、南下中南半岛、西接孟中印缅经济走廊、东接长三角和粤港澳大湾区的西部陆海新通道楚雄枢纽,着力打造滇中轨道上的楚雄,着力打造滇中高速公路网上的楚雄,加快形成县县互通的高速公路网,推进“四好农村路”建设,做好昆楚大丽高铁和楚雄民用机场4F等级改造项目前期工作,确保楚雄民用机场4C建成通航,构建内畅外通、网络完善、运行高效的综合交通网,建设交通强州。
(五)武定县“十四五”国民经济和社会发展新思路
立足武定交通区位、资源禀赋和产业基础,站在新的历史起点上,围绕开启全面建设社会主义现代化国家新征程的战略目标,着力实施“一圈两园三县四基地”战略。武定县“十四五”期间发展定位:全面融入昆明半小时经济圈,全力打造昆明、攀枝花城市休闲后花园和云南武定产业园,着力建设全国民族团结进步示范县、全省生态文明先行示范县、长江经济带区域开放合作重点县,全面建设云南钛产业基地、金沙江流域特色农产品基地、楚雄中药材产业基地、武定壮鸡产业基地,全力推进“多彩罗婺·幸福武定”建设。
“十四五”期间,全县经济年均增长10%以上,2025年经济总量迈上200亿元。与全国全省全州平均水平的差距进一步缩小,经济增长质量和效益显著提高,城镇化率持续提高。现代经济体系骨架基本形成,现代基础设施网络布局基本形成,高水平对外开放格局基本形成,高质量公共服务体系基本形成,中国最美丽县份形态基本形成。优化重大生产力空间布局。接轨昆明、融入滇中、连接昆攀,立足发挥武定资源、环境、区位比较优势,统筹地理空间、综合交通格局、产业发展基础和山水文化生态单元,全面贯彻落实区域协调发展战略,主动服务和融入国家和省州战略,提升对外开放水平,增强区域协调发展能力,提高城镇和产业集聚程度,构建双核引领、廊道串联、三区联动的“两核两轴两联三区”空间新布局。
(六)武定县立体交通网形成新机遇
按照武定县委县政府制定的战略定位、发展目标、空间布局,“十四五”及中长期(2035),武定交通也将迎来新的发展机遇和交通事业质的飞跃。成昆高铁(云南段)、武定—寻甸城际铁路、昆明—武定—元谋城际铁路、楚雄—武定—会理高速铁路、武定通用航空机场、武定—禄丰—双柏高速公路、武定—四川会理高速公路、九厂—己衣一级公路、G108武定县境内(马头山—武定木果甸)公路、长己二级公路、田心—禄丰交界二级公路、禄劝县云龙交界—元谋县交界二级公路、宜阿拉—金沙江二级公路、狮山镇禄金—元谋县老者格二级公路、武(定)禄(劝)综合枢纽站等一批交通建设项目接踵而至,开启了武定现代综合交通网络的新篇章。
(一) 交通强国建设总战略
2017年10月十九大在北京召开,十九大报告首次明确提出要建设“交通强国”的发展战略。
2019年9月由中共中央、国务院印发了《交通强国建设纲要》,是为统筹推进交通强国建设制定。
《纲要》提出强化西部地区补短板,推进东北地区提质改造,推动中部地区大通道大枢纽建设,加速东部地区优化升级,形成区域交通协调发展新格局。《纲要》核心内容“1234593”,即:一个总目标、“两个阶段”、实现“三个转变”、打造“四个一流”、体现“五个价值取向”、实施九大重点任务、加强三项保障。
2020年3月《国家综合立体交通网规划纲要(2021—2050年)》(征求意见稿)发布。
《国家综合立体交通网规划纲要(2021—2050年)》明确了国家综合立体交通网是我国交通基础设施最高层次的空间网络,是综合交通运输体系的基础,是一张布局完善、规模合理、结构优化、资源集约、衔接高效、互联互通的海陆空骨架网络,将构造宜铁则铁、宜公则公、宜水则水、宜空则空的综合交通网络运输体系,具备覆盖国土、连通全球的能力。
(二) 云南省“十四五”交通强国省域示范区总部署
新时代云南实现高质量跨越式发展,交通一定要有所作为、当好先行。结合习近平总书记对云南提出的“民族团结进步示范区、生态文明建设排头兵、面向南亚东南亚辐射中心”定位,云南省交通运输厅初步考虑从三个示范方向推动交通强国省域示范区建设,一是“一带一路”倡议的战略支点示范,推进“通道贯通、核心带动、枢纽升级、便利运输、边防保障”五大工程;二是民族地区交通普惠发展示范,推进“网络连通、通村入组、安全防护、提升服务”四大工程;三是旅游交通融合发展示范,推进“景区连通、美丽公路、多元服务”三大工程。在综合运输大通道、支撑乡村振兴、交通与旅游融合发展、绿色交通方面开展先行先试,全力建设人民满意的交通,为交通强国建设作出云南贡献。
1.公路网规划
根据《云南省公路“十四五”发展规划》,到2025年规模适当、结构合理、布局均衡、衔接顺畅、服务优质、动能强劲的公路交通运输体系基本建成。公路基础设施更加完善,运输服务更加优质,运营管理更加高效,发展效益和质量明显提升,与其他运输方式深度融合,在综合交通运输体系中的基础性和主体性作用充分发挥。
公路投资力争达到1万亿元以上,公路总规模达到35万公里。高速公路建成通车总里程确保达到1.3万公里,力争达到1.5万公里,全省基本实现县县通高速公路。新改建普通国省道3000公里,普通国道二级及以上比例达到70%,普通省道三级及以上比例达到50%。普通国省道公路全面覆盖所有县级节点、交通枢纽、物流节点、边境口岸和重要产业经济点。新改建农村公路约6万公里,农村公路总规模达到30万公里左右。通三级公路的乡镇比例达到65%以上,30户以上自然村通畅率达到65%以上。养护管理水平明显提升。高速公路优等路率(MQI)达到90%以上,普通国道优良路率(MQI)达到85%以上,普通省道优良路率(MQI)达到80%以上,爱路护路的乡规民约、村规民约制定率达到100%,“路长制”覆盖率达到100%,农村公路管理率达到100%,农村公路列养率达到100%,农村公路优良中等路率(MQI)达到85%以上。
根据《云南省道网规划修编(2016—2030年)》,未来十年,云南省将建设“五纵五横一边两环二十联”高速公路网,实现云南与周边国家和省(市、区)多路连通,昆明到州市可当日往返,州市间当日到达,125个县、市、区高速公路通达,滇中城市群内外交通互联互通,沿边高速公路贯通,重要枢纽和重要产业区高速公路连接。
“五纵”:
(1)威信(谢家凹)—镇雄—宣威—沾益—麒麟—师宗—罗平—丘北—砚山—文山—麻栗坡—天保;
(2)水富—大关—昭阳—会泽—寻甸—嵩明—石林—弥勒—开远—蒙自—河口;
(3)永仁—元谋—武定—富民—晋宁—红塔—峨山—墨江—江城—勐康;
(4)隔界河—香格里拉—玉龙—大理—巍山—南涧—景东—镇沅—宁洱—景洪—勐腊—磨憨;
(5)泸水—隆阳—昌宁—凤庆—云县—临翔—双江—武定—勐海—打洛。
“五横”:
(1)镇雄(二龙关)—彝良—昭阳—鲁甸—金阳—西昌—香格里拉;
(2)宣威(普立)—会泽—巧家—攀枝花—华坪—永胜—古城—玉龙—剑川—兰坪—云龙—泸水—片马;
(3)胜境关—富源—沾益—武定—禄丰—牟定—姚安—大理—隆阳—腾冲—猴桥;
(4)江底—罗平—师宗—石林—宜良—昆明—安宁—楚雄—巍山—昌宁—施甸—龙陵—瑞丽;
(5)罗村口—富宁—砚山—文山—蒙自—建水—石屏—墨江—镇沅—临翔—清水河。
“一边”:(即沿边高速公路)
泸水—腾冲—梁河—盈江—陇川—瑞丽—畹町—龙镇桥—镇康—清水河—耿马—沧源—西盟—孟连—勐海—景洪—勐醒—江城—绿春—元阳—蔓耗—河口—马关—西畴—富宁。
“ 两环”:(指昆明绕城环线)
(1)嵩明—宜良—澄江—晋宁—安宁—乌龟山—嵩明;
(2)滇中城市群环线:麒麟—陆良—泸西—弥勒—华宁—通海—峨山—易门—双柏—楚雄—牟定—禄丰—武定—禄劝—寻甸—沾益—麒麟。
“二十联”:
(1)串丝—绥江;
(2)永善—大关—彝良—筠连(含威信—珙县);
(3)富源—兴义;
(4)罗平—西林—广南—西畴;
(5)功山—巧家;
(6)昆明—呈贡—石林—泸西—丘北—广南—富宁—那坡;
(7)锁龙寺—文山市—马关(含平远街—砚山);
(8)蒙自—屏边;
(9)曲靖—呈贡—通海—建水—元阳(含三宝—清水);
(10)皎平渡—武定—易门—晋宁(含昆明—禄丰、昆明—倘甸);
(11)永仁—大姚—双柏—元江—元阳—金平—金水河(含元谋—牟定);
(12)鹤庆—上关;
(13)泸沽湖—永胜—宾川—南涧—云县(含宾川—鹤庆—剑川);
(14)大开门—镇沅;
(15)墨江—思茅—武定—勐阿(含思茅—江城);
(16)勐腊—勐满口岸(含勐远—关累港);
(17)攀枝花—大理—云龙(含祥云—大理);
(18)云龙—永平—施甸—永德—勐筒;
(19)峨山—石屏—红河;
(20)梁河—芒市。
 
 
图1—1云南省中长期高速公路网规划布局图
2.铁路网规划
云南省是交通强国建设的试点省份,要率先实现交通运输现代化,要求构建内联外畅、干支衔接、高效便捷的铁路网,发挥铁路在中长距离、大运量、安全经济等方面的优势,实现点线协调、多种运输方式融合,支撑构建更加完善的综合立体交通网络,是实践交通强国战略、建设交通强省、实现高质量发展的重要保障。
根据《云南省铁路“十四五”发展规划》《云南省中长期及“十三五”铁路网规划》,按照“覆盖全省、完善路网、扩能提速、支撑引领”的基本思路,以“高速通达全国,快捷连通南亚东南亚”为方向,着力实施省际高速通道、沿边铁路等重点项目,加快点线配套及集疏运体系建设,基本建成“八出省、五出境”铁路主骨架,“四纵三横一环”铁路网进一步完善,基本建成国际便捷连通、省际多路通达,省内州(市)全覆盖的高效现代化铁路网络。
到2025年,铁路营运里程力争达到6000公里(高铁里程1600公里),建成和在建铁路里程力争达到8000公里,复线率和电化率分别达到40%和80%。基本实现铁路网覆盖全部州、市,高铁覆盖300万人以上人口州、市和旅游重点区,实现昆明至滇中城市群主要城市1小时通达、至其他州市府所在地4小时到达,基本实现“出省出境畅通、州市全通、重点口岸连通”
到2030年,全面形成“八出省、五出境”主骨架网,形成“三横四纵”云南铁路网布局,枢纽和节点完备,实现省际畅通、周边国家畅通、州市畅通、沿边畅通。全省铁路营运里程8000公里以上(不计662.1公里米轨铁路,优化部分技术标准过低的线路等),路网总规模约1万公里(含在建约2000公里),路网质量得到较大提升,复线率40%以上,电气化率90%以上。高铁总规模约3100公里(城际高铁约1500公里),实现昆明至北京、上海、广州的列车运行时间缩短至7.5至9小时;昆明至周边省会城市贵阳、重庆、成都、南宁的列车运行时间缩短至1.7至3.1小时;昆明至河口口岸、磨憨口岸、瑞丽口岸、清水河口岸、猴桥口岸5—6小时到达;昆明至曲靖、玉溪、楚雄等滇中城市实现1小时内到达,昆明至大理、蒙自、昭阳、文山等城市2小时到达,昆明至丽江城区3小时内到达;滇中城市群及大理州、丽江市所辖18个重点城市、旅游景区通过城际铁路实现快速交流。
 
 
图1—2云南省中长期及“十三五”铁路网规划图
3.水运规划
云南省作为我国大西南地区的桥头堡,处在拥有33.6亿人口的中国、东南亚、南亚三大市场结合部,具有连接我国内陆、辐射东南亚的区位交通优势和巨大的后发潜力。云南省横跨我国长江、珠江两大水系,境内澜沧江、红河、怒江通往东南亚,且分布有为数众多的高原湖泊,具有发展水路交通的良好条件。云南省拥有丰富的矿产、旅游、森林、生物、文化等资源,资源的有序开发对包括水路交通在内的综合交通带来需求。
根据云南省水路交通现状、发展条件以及上述发展形势、发展需求,云南省水路交通“十四五”发展目标:
(1)总体目标
到2025年,全省水路交通基础设施短板攻坚成效明显,澜沧江—湄公河、金沙江—长江、右江—珠江水路运输通道实现畅通;港口集疏运作用更加突出;库湖区水路交通更加安全、便利,沿江群众获得感、幸福感、安全感增强;现代海事服务体系初步形成;水上安全监管、水路运输保障能力和服务质量、效率明显提高;行业治理体系更加完善;船舶和港口水污染防治得到全面管控;水路交通比较优势逐步发挥,服务经济社会能力水平不断增强。
(2)具体指标
①航道:至2025年内河航道通航里程达到5300公里,其中三级及以上航道里程达到554公里,新增及改善航道里程约1000公里,航道构成结构更趋合理。金沙江—长江干线、右江—西江干线、澜沧江、红河等水运通道通航条件进一步改善,重点航段初步贯通。在重点支流、库湖区形成一批独具特色的旅游航道。
②港口:到2025年新增泊位60个,内河港口泊位数达到276个,其中1000吨级及以上港口生产性泊位达24个。水富港、东川港、富宁港、景洪港、关累港、思茅港、河口港等重点港口枢纽性港区建设取得明显成效,绥江港、永善港、巧家港、元谋港、临沧港、滇池港、大理港、会泽港、禄劝港等港口客货运泊位能力进一步提升,以及其他码头及停靠点设施进一步改善。
③运输服务:运输组织化水平明显提升,在长江、澜沧江等重要水运通道形成稳定的集装箱运输航线,“干支联运”、“多式联运”等运输组织模式深入推进,定制化、专业化物流服务业态逐步涌现。
④支持保障系统建设:水运信息化水平显著提升,建成内河水运公共信息服务系统。安全监管与应急救助能力进一步加强,主要航道应急救助到达时间不超过45分钟,重点旅游库区、湖区不超过90分钟。重点水域营运性船舶监测覆盖率达60%。逐步建设高风险水域的水上搜救指挥系统,包括云南省水上应急抢险搜救中心和金沙江、澜沧江、右江、红河、怒江、瑞丽江、滇池、洱海等8个分中心。
⑤海事系统建设:水上交通安全监管手段明显提高,全面扩展澜沧江对外开放水域安全通信系统、船舶监管搜救系统及应急搜救中心和分中心建设,进一步扩展澜沧江电子航道图建设,完成澜沧江水上搜救快速反应指挥系统建设,初步建立澜沧江智慧航道、智慧海事体系,提升海事系统信息化能力,提升海事执法效率。
《云南省水路交通发展规划》(2014—2030)提出的总体目标是:
力争用15—20年的时间,全面建成澜沧江—湄公河、红河、中缅伊洛瓦底江陆水联运互联互通出境主通道;打造金沙江—长江、右江—珠江经济支撑带通道;建设怒江、李仙江等出境辅通道;依托金沙江、澜沧江、怒江、红河打造沿江经济支撑带;依托滇池、洱海等湖区建设区域经济圈。充分发挥云南作为南方丝绸之路的重要组成部分和水路交通出境通道连通海上丝绸之路的重要枢纽东南亚、南亚友邻国家和地区的优势,主动与国家“一带一路”建设相衔接,形成北进长江、南下珠江、沟通两洋(太平洋、印度洋)、连接三亚(东亚、东南亚、南亚)、干支相通、江海直达,港口布局合理、功能完善、船舶标准化、合理化,支持保障系统设施设备先进、保障有力,与其它交通运输方式“无缝”衔接、协调发展的水路交通运输体系,为云南省经济社会科学和谐跨越发展提供更加安全、便捷、高效的水运保障服务。
 
 
图1—3云南省水路交通发展规划图
4.航空规划
根据《云南省民航“十四五”发展规划》(2021)和《云南省航空业发展规划》(2018—2030),云南省将建设成为面向南亚东南亚辐射中心,以建设民航强省为目标,以厚植基础、强化优势、补齐短板、拓展市场、提高效率为落脚点,强化民航发展对全省经济发展的引领作用,进一步加强航空运输市场竞争力,着力提升通用航空服务能力,重点加强临空经济的辐射带动作用,积极培育航空制造业特色化发展,适度超前,创新突破,全力推动全省航空产业跨越式发展。
航空总体布局和发展目标:
围绕航空业全产业链发展思路,规划“21411”的航空业总体布局和发展目标,即:构建“两网络”(完善机场网络、航线网络)、“一枢纽”(建设昆明国际航空枢纽)、“四板块”(发展航空服务业、航空物流、航空制造业和航空产业园)“214”的总体布局。
两网络:机场网络和航线网络。依托全省民用运输机场,打造枢纽、次枢纽和支线机场协同发展机场网络体系,在军民合用机场方面实现资源共享.稳步推进新建、改扩建和迁建等机场建设工程(含运输机场和通用机场)。构建国际和地区、国内、省内三级航线网络。
一枢纽:昆明国际航空枢纽。发挥昆明长水国际机场的区位优势,积极打造成为辐射南亚东南亚的国际航空枢纽、西南对外开放的现代综合交通枢纽,提升昆明长水国际机场航空服务能力,成为区域经济社会发展的新动力源。
四板块:航空服务业、航空物流、航空制造业和航空产业园。强化航空运输服务业发展,培育面向国际的航空客货运市场,提升航空客运服务品质,积极培育通用航空市场,逐步引导通用航空市场特色化;打造航空物流基地,依托航空偏好型产品发展航空物流,发展远距离、大跨度的出口贸易、转口贸易;发展以航空维修、民航专业设备和通航制造为主的航空制造业;初步建成具有国际影响力的长水临空经济示范区,依托丽江和西双版纳机场,创新特色产业驱动效应,推动干支线机场临空经济区建设。实现航空运输、航空物流以及与航空关联度强、指向性高的现代服务业和高端制造业集群式发展。
到2025年,全省在建和运营运输机场总数量达到20个,基本实现每个州、市均有运输机场;规划建设通用机场29个;在运输机场100公里(1.5小时车程)半径范围内、通用机场50公里半径范围内基本实现对全省面积90%的服务覆盖,基本航空运输服务普惠性更加凸显。迁建、改扩建项目顺利推进实施,支线机场综合保障能力显著提升。到2025年,全省实现旅客吞吐量1.08亿人次,年均增长16.73%;货邮吞吐量60万吨,年均增长10.21%。昆明机场实现旅客吞吐量7000万人次,年均增长16.24%,其中国际旅客吞吐量达到800万人次,年均增长68.27%;货邮吞吐量53万吨,年均增长10.28%,其中国际货邮吞吐量8万吨,年均增长26.19%;中转旅客量突破800万人次,占比超过10%。到2025年,全省航线数量达到750条,通航城市达到210个。昆明机场航线数量达到500条,其中国际航线突破120条,国际和地区通航城市超过70个;洲际直飞航线(含货运)突破5条,力争达到10条;引进1—2家基地货运航空公司。到2030年,实现全省机场旅客吞吐量达1.5亿人次、全省航空业产值达1000亿元“两个1”的发展目标。
 
 
图1—4云南省民用机场规划布局图
(三) 楚雄州“十四五”综合交通运输发展规划总设想
1.发展目标
根据《楚雄州“十四五”综合交通运输发展规划》(2022),“十四五”期间,楚雄州综合交通的发展目标:
到2025年,综合立体交通网络布局更加完善,高品质的快速交通网、高效率的普通干线网、广覆盖的农村基础网、多层级的综合交通枢纽体系建设取得显著成效,力争高速公路里程达到1000公里,铁路运营及在建里程达到800公里,水路航道等级提升,楚雄民用运输机场建成通航,建设和改造农村公路8000公里以上。构建楚南牟广半小时交通圈和县市一个半小时交通圈,县市至乡村物流1日通达。交通运输支撑保障楚雄州建设能力大幅提升,人悦其行、物畅其流,安全、便捷、高效、绿色、经济的现代综合交通运输体系初步形成。
到2035年,力争高速公路里程超过1200公里,州内外高速公路网实现互联互通,铁路里程超过900公里,铁路网络与周边主要城市互联互通,楚雄民用运输机场建成区域航空枢纽,金沙江高等级航道成为云南陆海联运的黄金水道,交通强州建设目标基本实现,建成现代化综合交通运输体系。逐步实现“县市1小时、滇中城市群2小时、国内主要城市3小时”的“123交通出行圈”和州内1日送达、省内2日送达、国内主要城市3日送达“123货运物流圈”。
 
 
图1—5楚雄州“十四五”交通运输发展规划
2.综合交通网空间布局
“十四五”期间,楚雄州将主动服务和融入国家交通体系,承接“一带一路”国际通道建设,发挥滇中城市群国际综合交通次枢纽功能,提高对南亚东南亚的辐射能级和对国家内陆经济发展要素的吸引集聚能力。围绕发展目标,将着力打造由“两廊三带一圈八通道”综合交通经济走廊、“一环六射”铁路网和“五纵五横”高速公路网组成的综合立体交通网。
——“两廊”,即2条国际综合交通经济走廊:一是孟中印缅国际综合交通经济走廊;二是中国—中南半岛国际综合交通经济走廊。
——“三带”,即三条国内综合交通经济走廊带:一是南北交通经济走廊带;二是东西交通经济走廊带;三是东南经济走廊带。
——“一圈”,即楚中城镇交通圈。
——“八通道”,即8条出州出省综合交通通道:昆楚大通道、环滇中城市群通道、楚临通道、楚河通道、楚磨通道、楚攀西入川通道、楚丽香入藏通道、金沙江—长江黄金水运通道。
——“一环”:滇中城际铁路环线楚雄州境内段,弥勒—师宗—陆良—曲靖—寻甸—武定—元谋—永仁—牟定—楚雄—玉溪。
——“六射”:东向1射楚雄至昆明连昆明,西向1射楚雄至大理连大理,北向2射楚雄至攀枝花、楚雄至武定至会理连攀枝花、凉山,西南1射中缅铁路楚雄至临沧至清水河通道(楚雄至景东至宁洱)连普洱、临沧,东南1射楚雄至玉溪连元江(中老泰铁路联络线)。
——“五纵”:第一纵武定—禄丰—易门(S39);第二纵会理—武定—禄丰—双柏—元江;第三纵攀枝花—永仁—元谋—武定—富民—昆明(G5);第四纵元谋—牟定—楚雄—双柏—元江;第五纵华坪—永仁—大姚—姚安—南华—南涧(罗武庄—戛洒—元江)。
——“五横”:第一横攀枝花—大姚—宾川;第二横禄劝—武定—元谋—大姚—宾川;第三横昆明—禄丰—牟定—姚安—祥云—大理(G5621);第四横昆明—安宁—楚雄—南华—祥云—大理(G56);第五横晋宁—易门—双柏—楚雄—景东。
 
 
图2—6楚雄州交通战略图
(一)武定县经济高质量、跨越式发展,需要高质量、高效率的交通环境
“十四五”期间,现代经济体系骨架基本形成,现代基础设施网络布局基本形成,高水平对外开放格局基本形成,高质量公共服务体系基本形成,中国最美丽县份形态基本形成。要实现以上目标,在综合交通方面就应以交通基础设施建设为重要载体,支撑武定产业发展,构建结构合理、功能完善、快速便捷的县域交通网络,服务武定的经济建设。
(二)构建武(定)禄(劝)一体化发展、融合楚昆交通发展,是两州市发展的共同需要
武定县城与禄劝县城(属昆明市)地域相邻,已经成为楚雄州东部与昆明开展合作发展的重点区域,未来将成为滇中城市群的新兴增长极,新形势要求统筹区域交通运输一体化发展。加快一体化建设与发展,关键是要打破行政区划,努力实现“基础设施共建共享、产业发展分工协作、公共服务共用共管”的同城化发展新格局,这就要求统筹两县综合运输发展一体化发展,按照区域交通“一盘棋”的要求,推进城市快速通道和城市干道建设,加快构建对外联接快速、组团之间便捷、组团内部畅通的区域综合运输网络。
(三)统筹城乡一体化发展,加快新型城镇化建设,实施乡村振兴战略,要求不断提高基本公共服务均等化水平
加大城镇化建设步伐,核心是推动农村现代化产业发展,满足农村交通出行需求以及农村经济、政治、文化和社会建设,因此进一步加快农村地区发展要求继续推进农村公路“通达”、“通畅’,工程,加快乡镇农村公路网络化建设;进一步倾斜投入落后、贫困村庄的村道建设,通过农村公路建设促进乡村振兴;进一步加快城乡客运网络建设要求继续推进公共交通服务一体化,统筹城乡客运资源配置,鼓励骨干客运企业采取多种方式发展农村客运,推进城乡客运班车公交化改造,促进城乡客运一体化发展。
(四)建设生活舒适的宜居城市和环境优美的山水城市,要求建设资源节约型和环境友好型综合运输体系
武定县地形以山地为主,是典型的土地资源短缺型地区,交通运输发展面临着节约资源和保护生态的刚性约束。未来武定将建设生活舒适的宜居城市和环境优美的山水城市,要求在综合运输体系规划、设计、建设、运营和管理等各个环节坚决贯彻资源节约、环境友好的发展理念,在通道、枢纽建设等方面合理配置和有效利用各种交通运输资源,按照各种运输方式的技术经济特征发挥其比较优势,减少交通发展的负外部性,切实降低能耗,保护生态环境,促进交通可持续发展以及交通和城市协调发展。
(五)有效应对自然灾害和突发事件,要求不断提高交通安全应急保障能力
武定容易发生地质灾害等特点,对交通安全应急提出了更高要求。面对诸多不确定的自然因素和人民群众对安全的新期待,必须进一步提升交通基础设施防毁抗灾能力,加强交通基础设施安保工程建设,建立健全交通安全应急机制,建立应急保障处置资源基地和紧急运力储备,全面提高应对突发公共交通事件和自然灾害的能力,提升交通运输系统整体的安全性,保障人民群众出行安全、国家经济安全和国防安全。
(一) 发展机遇
1.楚雄州“1133”发展战略的促进与带动。楚雄州“1133”发展战略指出:“十四五”期间,楚雄州将建设:一极:滇中城市经济圈西部增长极;一枢纽:国家“一带一路”、长江经济带、孟中印缅和中国—中南半岛经济走廊重要战略枢纽;三高地:对内对外开放高地、全国民族特色创新创业高地、全国30个民族自治州现代产业体系建设高地;三区:面向南亚东南亚辐射中心的核心支撑区、全国民族团结进步示范区、全省生态文明建设先行示范区。同时将建设五大枢纽:交通枢纽、能源枢纽、水利枢纽、大数据枢纽、物流枢纽。武定作为战略规划的重要节点,将迎来新的发展机遇。
2.滇中1小时经济圈的融合与推动。2020年6月23日省委、省政府印发《云南省促进区域协调发展实施方案》,《方案》明确重点实施滇中城市群高速公路环线,建成武定至倘甸至寻甸、昆明至倘甸等高速公路,建设长水至双龙、陆良至寻甸等高速公路,强化县级节点互联互通;逐步实施滇中铁路环线建设,建设完成渝昆高铁、弥蒙铁路、成昆铁路扩能改造等项目,建设昆楚大丽高速铁路、成昆高铁云南段、深南昆高铁云南段,规划研究渝昆和沪昆高铁连接线等铁路;建成昆明国际性综合交通枢纽,重点推进昆明国际航空枢纽建设,新建蒙自、宣威、楚雄、玉溪等机场及昆明第二机场,合理布局一批通用机场,强化与玉溪、曲靖、红河、楚雄等城市之间的互联互通。武定位于此圈的重要节点上,必将迎来全新的交通发展机遇。
3.金沙江—长江黄金水道建设与发展。随着乌东德、白鹤滩、向家坝、溪洛渡水电站的建设与蓄水,金沙江攀枝花至水富段航运资源已经突显,未来“藕节式”库区航道为“贯通式”航道,将形成一条安全畅通的水上大通道。武定港的发展前景乐观,武定将迎来绿色高效的水运交通。
(二) 面临的挑战
1.交通资金缺口巨大。当前,国省道改建项目省级补助资金力度相对较大,地方以解决征迁所需的资金为主。但是县乡道公路的提升改造、日常养护和大中修项目,上级给予的补助资金非常有限,而武定县属于贫困县,财政资金匮乏,地方配套资金有限,“十四五”期间要改造主要的交通经济干线,提高道路等级,资金压力非常大,难以支持县乡公路提升改造所需的巨额投资。
2.交通人才严重不足。从目前交通部门的人才队伍现状看,人员素质参差不齐,尤其是一线工程技术人员和管理人员严重不足,与交通发展的实际需要不相适应,主要表现为“五个缺少”:缺少工程养护方面的领军人才;缺少规划、政策研究型人才;缺少善于带队伍的人才;缺少拔尖的信息人才;缺少善于处理复杂问题的复合型人才。这种状况严重制约了交通事业的健康可持续发展。随着交通基础设施的大量实施,建设、管理、养护、运营等方面多存在着人员超负荷运作现象,加之今后武定港、武定通用机场、成昆铁路等项目的建成,水运、航空、铁路方面的管理人员急需补充。
3.运营管理难以跟进。综合交通运输的管理包括行车组织与管理、调度及客户服务、票务组织与管理、施工组织与管理、专用设备维护与管理等,共性化业务还包括内外部协调与管理、枢纽物业维护与管理、公交站场维护及管理、出租车场维护及管理、社会停车场维护及管理、共用设备的维护与管理、资源开发及管理。“十四五”期间建设的客运、物流、邮政等运输系统极大地挑战者管理人员的管理水平和应急能力,这需要建设系统的专业化队伍,以服务武定现代综合交通运输体系。
第二章 “十三五”综合交通运输发展及评价
一、“十三五”综合交通运输取得的成就
“十三五”期间,武定县在县委县政府的正确领导下,认真贯彻落实党的十九大精神,从实施乡村振兴战略、打赢脱贫攻坚战的高度,进一步深化对建设农村公路重要意义的认识,聚焦突出问题,完善政策机制,既要把农村公路建好,更要管好、护好、运营好,为广大农民致富奔小康、为加快推进农业农村现代化提供更好保障,积极抢抓国家实施西部大开发、加快集中连片特困地区交通建设扶贫攻艰等政策叠加的有利机遇,深入实施以农村公路建设为基础的交通扶贫攻艰战。紧紧围绕以通乡公路、通村公路建设为重点,按照建骨架、组网络、上等级的要求,以改造升级为主,新建为辅,实施联网工程和通畅工程,取得了明显成效。
(一)公路干线路网和农村路网基本形成
武定县骨干路网总体呈“五横四纵”格局,五横,即G5京昆高速、武易高速、G108国道、山品—田心—东坡—环州公路、九厂至猫街公路;四纵,即武倘寻高速公路、长冲至己衣公路、沙拉箐至东坡公路、白路至环州公路。目前,全县公路通达里程达3898.19公里,其中:境内高速公路94.94公里、国道79.048公里、省道41.996公里、县道569.712公里、乡道420.872公里、村道2603.32公里、专用公路88.303公里。
2013年实现了每个乡镇通一条油路(水泥路)的目标。2017年实现了所有建制村100%通硬化路的目标。1083个20户以上自然村,已通硬化路938个2132公里,通硬化路率达95%;实施农村公路生命安全防护工程处治隐患里程803公里,县、乡道危险路段安全防护实现全覆盖。
(二)重点工程开展顺利、十大项目圆满完成
2015年以来,武定县紧紧抓住国家加大对西部地区交通基础设施投入的重大历史机遇,深入实施交通基础设施建设攻坚战。县委、县政府高度重视农村公路建设补短板提弱项工作,主要领导定期安排专班带队到省、州主管部门汇报争取项目、资金,做到政策领悟到位,措施执行到位。县人民政府认真履行农村公路建设主体责任,加强项目规划,积极向上争取资金,共争取到上级补助资金5.15亿元,投入融资贷款7.01亿元,合计投资12.16亿元全面加快农村公路建设。
1.建成国道108线武定过境线一级公路2.84公里,高桥过境线二级公路3.36公里;
2.完成东坡至环州、沙拉箐至东坡、九厂至猫街、己衣至禄劝汤郎交界4条县道提升改造145.3公里;
3.完成9个建制村通四级硬化路160.8公里;
4.实施20户以上直过民族自然村通硬化路113条413公里;
5.实施非直过民族自然村公路1400公里;
6.完成乡道窄路基路面改造4条30公里;
7.实施农村公路生命安全防护工程处治隐患803公里,实现了县、乡道危险路安全防护全覆盖;
8.实施长己线长冲至老木坝段大修19公里和县道绿化128公里;
9.2019年采用EPC建设模式,实施52公里白路至环州公路提升改造和498公里深度贫困县不搬迁自然村硬化路建设,目前项目正在有序推进;
10.实施11项乌东德水电站移民安置点外道路和库区交通项目。
(三)管理能力不断增强、养护水平不断提高
2015年以来,武定县农村公路建成通车里程快速增长,为管好农村公路,巩固建设成果,交通局多措并举,强化监管,全力提高治路水平。通过在公路沿线设置公告牌、公示牌、法制宣传牌、大型标语等多种方式,以及制定爱路护路村规民约,广泛宣传《中华人民共和国公路法》《公路安全保护条例》《云南省公路管理条例》《楚雄州农村公路管理办法》等法律法规,不断增强人民群众爱路、护路意识。落实县、乡、村分级管理责任,出台了《武定县农村公路管护路长制实施方案》,设立了县人民政府县长为总路长,分管副县长为副总路长,15个县级部门负责人为分路长,11个乡镇人民政府乡镇长为乡镇路长,133个村(社区)主任为村路长的四级管理格局,实现了全县农村公路管理全覆盖。加大对公路用地和公路建设控制区管理力度,深入开展超限超载治理和路域环境整治,对违反公路法律法规的行为坚决予以纠正和依法查处,切实维护领域环境管理新秩序。
“十三五”期间武定县制定出台了《武定县“四好农村路”建设实施意见》《武定县农村公路管理养护实施细则》,11个乡镇下设公路管理所,专兼职人员到岗到人、职责细化上墙。县人民政府与各乡镇签订《农村公路养护目标责任书》,压实县、乡、村三级农村公路养护主体责任。由县交通运输局牵头,每季度对乡镇开展查评,建立了“有路必养、养必优良、有路必管、管必到位”的公路养护管理长效工作机制。强化农村公路日常养护。按照“县为主体、行业指导、部门协作、社会参与”的养护工作机制,结合就业扶贫,在全县安排县道养护承包户59户和农村公路管理养护公益性岗位160人,做好公路大中修和日常小修保养,全县农村公路列养率达到100%,优、良、中等路的比例均高于75%。打造“美丽公路”示范路2条32公里,加快实施公路绿化“三年行动计划”,涉及县道公路6条185公里。
(四)客货运输稳定增长、邮政物流日趋完善
“十三五”期间,武定县发展农村客运公司13户,投入县乡客运班线车辆86辆、乡村客运班线车辆67辆,建成公交停靠站、候车亭56个,县城南部客运站和集停车场、仓储、物流为一体的货运物流中心开工建设。制定《武定县城乡公交一体化发展实施方案》,通过整合资源,规范农村客运市场秩序,推动农村客运转型升级,分批次实现县城至各乡镇开通城乡公交,2019年已经实现建制村100%通客车并投放新能源公交车40辆。目前发展邮政寄递业分支机构32个,乡镇电子商务服务站11个,行政村电子商务服务点124个,全县136个建制村100%通邮,县、乡、村三级物流体系日趋完善。
2019年完成货运量157万吨,客运量218.52万人次,客运周转量15528.69万人公里,货运周转量27941.97万吨公里。
(五)建设模式大胆创新,投资瓶颈不断突破
“十三五”期间,武定县积极探索交通建设新模式,采用EPC模式建设总投资为2.04亿元的52公里白环公路提升改造项目与498公里深度贫困县不搬迁自然村通硬化路项目。整合410万元涉农资金,筹措1368.53万元地方政府债券资金,实施长己公路长冲至老木坝段19公里提升改造项目,为沿线乡镇脱贫攻坚和经济社会发展提供了有力的交通保障。
| 
 | 
 | 
| 图2—1国道G108 | 图2—2长冲—己衣公路 | 
| 
 | 
 | 
| 图2—3万德—东坡公路 | 图2—4樟万公路 | 
| 
 | 
 | 
| 图2—5东坡—沙拉箐公路 | 图2—6东坡—环州公路 | 
经过五年的努力,武定县交通运输行业取得了明显的成效,超额完成了“十三五”既定的目标,为支撑经济平稳较快发展、保障和改善民生、促进武定交通高水平发展作出了积极贡献。
(一)交通基础设施优化升级
为促进区位优势不断提升,武定着力推进高快速公路建设和主干公路、城镇农村路网的改造,交通基础设施建设现了飞跃发展,初步形成“五横四纵骨架、农村路网为毛细”的公路交通网络。“十三五”期间全县累计完成公路基础设施投资12.16亿元,五年公路建设计划投资完成率均超过100%,新增里程6.2km,提升改造1575.3km,路面硬化1071.8km,安全防护工程处治隐患803公里,县道绿化128公里,有力地推动了基础设施建设,加快了乌东德水电站移民安置和库区建设。
(二)运输能力不断增强
“十三五”期间,全县交通运输经济平稳运行,充分发挥交通“先行官”作用,巩固和提升交通运输行业对全市经济社会发展的支撑和服务功能。随着武定交通基础设施的快速发展,综合运输能力与服务水平不断提高,货运向现代物流转型加速,尤其是快递业得到飞速发展,客运方面班线、旅游、出租车三大业务规模化、集约化经营日趋明显,运输车辆向高级化、重型化、特种专用化、普通厢式化趋势发展。2019年末县内公路通车里程3252.88公里(不含高速、国道及省道)。境内高速公路88.34公里,国道79公里,省道42公里。年末机动车拥有量70601辆,同比增长6.7%。其中,汽车17994辆,增长9.1%;拖拉机4186辆,同比增长0. 3%;摩托车43745辆,增长7.2%。机动车驾驶员91207人,同比增长12.6%。全年完成客运量218.5万人次,减32.2%;客运周转量15529万人公里,减26.6%;货运量157万吨,减少15.5%;货运周转量27942万吨公里,减少12%。
(三)服务水平提质增优
“十三五”期间,全县积极创建公交县城,大力发展城乡公交系统,公交通运输能力大幅提升,服务水平提质增优。截至2019年底,全县公交通运输企业7家、车辆342辆,其中:客运班线车173辆,公交车85辆(纯电动42辆),出租汽车84辆。全县共有汽车客运站13个,其中:二级客运站1个、农村客运站12个。发展农村客运公司6户,投入县乡客运班线车辆76辆,乡村客运班线车辆58辆。全县10个乡镇客运站覆盖率达100%。与此同时交通局积极推动城乡公交体制改革和城乡公交服务升级,提升公交系统便捷性和车辆更新率,提升公交乘车环境和乘客舒适度,加快周边市县的融合,优化班次和线路,全面提升运输服务水平,打造便捷舒适的公共交通体系。
(四)行业管理规范创新
2018年武定县全面实施农村公路管护“路长制”,在县“四好农村路”领导小组的统一领导下,县、乡、村三级“路长制”做到了全覆盖率,农村公路管理率达到100%,各级路长对责任路段、附属设施、路容路貌、公路边坡水土综合治理、交通秩序、绿化和环境卫生等综合管理主体责任已初步形成。在项目建设方面,加强作风建设,强化项目管理。始终坚持“办廉洁事、修廉洁路、筑平安道”的工作理念,把高效、高质、廉洁作为交通运输行业发展的唯一标杆。全面贯彻落实中央八项规定和省、州、县实施办法,制定完善立项、招投标等行政决策、三重一大、工作管理、财务管理等制度,加强纪律作风和机关效能建设,强化日常监督检查,坚决堵住反腐漏洞。严格执行财务制度,强化项目管理,做到科学统筹、整体调度,充分发挥项目的社会效益。
“十三五”期间武定县交通运输业虽然取得了可喜的成果,促进了县域经济的发展,但在发展过程中还是存在着不小的困难和问题。
(一)交通结构单一,县城位置难以辐射全县交通。武定县对外交通布局不合理,交通结构单一,主要依靠公路出行,铁路正在规划中,尚无机场,综合交通发展水平低。县城位置靠近东南角,大量的基础设施建设难以辐射到更远的乡镇,以县城为中心的交通辐射模式难以发挥更大的作用。
(二)路网功能结构仍需继续优化调整。武定县路网骨架结构初步成型,但整体路网结构仍有待进一步优化,道路系统整体运行效率有待提升。县域干线路网依然承担着全县内部交通、对外交通和过境交通的等多种交通功能,交通功能混杂降低了市域干线通行效率,农村道路网最后一公里不畅,也制约着路网整体运行效率。
(三)县域内交通畅通性差、安全性低。县城通往中北部的公路大部分为四级农村公路。随着私家车进入农村,交通流量骤增,很多路基宽只有4.5米,安保设施相对简单,存在安全隐患。附属设施和安全防护设施不完善,通行能力低、抵抗自然灾害能力弱的问题较为突出。
(四)在建项目资金保障不到位。由于武定县财政十分困难,公路建设县级配套资金和前期工作经费保障困难。自2017年下半年以来,交通运输局负责的交通建设项目前期工作经费、建设管理经费就没有得到有效保障,长期赊账推进项目,已经形成隐性债务风险和矛盾纠纷隐患。
(五)公路建设管理养护力量严重不足。在繁重的公路建设任务面前,公路建设、管理、养护专业技术人员严重不足,公路管理力量过于薄弱。
以习近平新时代中国特色社会主义思想为指导,全面贯彻党的十九大和十九届历次全会精神,全面贯彻落实习近平总书记对云南提出的要求以及交通运输的批示精神,主动融入“一带一路”、孟中印缅经济走廊、中国—中南半岛经济走廊战略、长江经济带、金沙江开放合作经济带等国家和省重大战略,以《交通强国建设纲要》、《云南省“十四五”综合交通运输发展规划》(2022)、《滇中城市群发展规划(2020—2035)》、《楚雄州“十四五”综合交通运输发展规划》(2022)以及“多彩罗婺、幸福武定”新蓝图等为指导,强化综合立体交通理念,统筹推进“五位一体”总体布局,协调推进“四个全面”战略布局,紧紧抓住新时代推进西部大开发形成新格局等重大机遇,主动服务、融入国家、省、州发展战略,坚定不移实施州委“1133”战略和县委提出“一核两轴三区、四带、两联”的生产力空间布局,发挥武定县在楚雄州和昆明市中的区位优势,着眼于全县、全州、全省,按照“巩固、增强、提升、畅通”新要求,以武定县城为核心,紧扣“县域乡镇便捷化,交通衔接无缝化、外通州市快速化、基础设施智能化”这一重点,统筹推进铁路、公路、航空、水运、物流等基础设施建设。着力打造“综合立体、互联互通、结构合理、绿色便捷”的交通网,形成以公路(高速公路、国省干道、县乡公路)为骨架,以铁路、水运、航空、农村公路为补充,构架四通八达、水陆联运、方便快捷为发展目标的交通运输网络体系,努力把武定建设成楚雄综合交通枢纽重要节点。为武定县实现跨越式发展,在全省率先全面建成小康社会提供可靠的交通保障。
武定县“十四五”及中长期综合交通发展须遵循四大原则:
(一)适度超前,统筹兼顾,跨越发展。规划着眼于交通强国战略和云南省“三个”发展定位,着眼于楚雄州“1133”发展定位,着眼于构建武定县“一核两轴三区、四带、两联”的生产力空间布局,从全县经济和社会发展的需要出发,遵循远近结合,新建与改建结合,经济开发与环境保护相结合,需要与可能相结合,科学的对全县交通布局进行规划。统筹加快综合交通运输体系发展,强化通道和枢纽作用,系统推进、突出重点、重点突破、补齐短板、优化功能层次和空间布局,强化运输通道、枢纽功能,打造国土空间开发的重要轴线。努力实现交通运输能力的适度超前配置,切实发挥好交通运输对经济社会发展的支撑引领作用。
(二)结构合理、衔接顺畅,转型发展。优化现有的交通体系,打造层次分明、功能齐全、“宜铁则铁、宜水则水、宜公则公”的综合运输发展格局,协调统筹铁路、公路、民航、水路等运输方式发展,逐步建立功能完备的综合交通枢纽和节点,使各种运输方式有效衔接,发挥组合效率,形成衔接一体、安全高效的综合交通枢纽,实现交通发展方式的转变。
(三)统筹融合、互联互通、协调联动。统筹武定各种运输方式发展,强化综合交通运输枢纽的衔接,充分发挥各种交通方式的比较优势和组合效率,提升网络效应和规模效益。统筹交通基础设施建设、养护、运输与运营管理,推进综合交通运输全面协调发展。促进交通运输与经济、产业、城镇化融合发展。贯彻战备国防要求,促进军民融合发展。
(四)交通为民、智能创新、智慧绿色。检验交通发展的基本准则就是人民满意,人民享有美好交通服务。设施人性化、转乘便捷化、方式多样化、出行个性化的服务满足大众出行需求,公共交通、共享交通充分发展。统筹社会效益、技术成熟程度和资源环境承载力等因素,创新体制机制,推进智能交通建设,提升应对自然灾害、突发事件的保障能力;把节约集约资源和保护环境落实到规划设计、施工建设、营运管理等交通运输各个环节,实现交通运输绿色、低碳、可持续发展。加强现代信息技术智能化、绿色化装备在武定综合交通领域的应用,推进货物运输结构调整,降低物流业总体能耗和污染物排放水平,推动武定综合交通绿色可持续发展。
紧扣国家“一带一路”、“长江经济带”、交通强国等战略,把握习近平总书记在视察云南工作时对云南发展的三个定位,结合楚雄州交通运输发展战略部署,充分考虑武定县的区位优势、交通优势、产业布局等因素,提出武定县综合交通运输体系的发展战略为:
着力发挥交通运输在经济社会发展中的基础性、先导性、服务性作用,加快推进交通基础设施网络建设,按照“铁公机水高效联运、装备管理互联互通”的思路,打造“攀枝花—元谋—武定—富民—昆明”陆路交通走廊、拓展“元谋港—武定港—东川港—绥江港—水富港”水运通道、构建“武定—禄劝”区域交通枢纽、网联武定通用航空机场及客货运枢纽站,基本形成综合立体、互联互通、结构合理、绿色便捷的现代综合交通运输体系。
(一)构建综合立体交通网
“十四五”及中长期,武定县将依托区位优势明显的综合运输通道,构建铁公机水高效联运的综合立体交通网
高速公路方面:打通武定—会理高速公路(第三纵北段),主动融入成渝经济圈;积极推进楚雄州综合交通运输体系,建设武定—禄丰—双柏高速公路(第三纵南段);融入滇中城市群,配合建设大理—元谋—武定—东川高速公路(第三横);迎接长江金沙江经济带,拉通金沙江沿江公路(第一横),构造公水联运体系;加快G5京昆高速武定县城段西迁建设项目,推进武定城市建设进程。
一级公路方面:提升改造S215(倘甸至新平)武定段,打通武定与禄劝、禄丰的连接线;积极推进金沙江沿江一级公路建设(第一横),开发金沙江沿江经济;加快九厂—己衣一级公路建设项目,促进武定主要经济干线建设。
二级公路方面:全县11个乡镇互联互通,公路建设高等级化,加快建设新民码头—己衣—插甸—狮山二级公路建设(第五纵);积极推进元谋凉山界—禄劝云龙界二级公路(第二横),形成环洲—东坡—田心—发窝的中北部交通经济干线;精心谋划环洲—老者格二级公路(第一纵)、白马口—石蜡它二级公路(第二纵)、田心—秧草地二级公路(第四纵)、G108武定段提升改造(第四横)、S242(元谋团山)—禄金二级公路(第五横),完善骨架干线路网。
打通邻县连接通道,统筹规划己衣镇—禄劝汤郎(界)、环州乡五谷箐—元谋江边(界)、发窝乡大西邑—禄劝云龙(界)、插甸镇—禄劝茂山(界)、白路镇—元谋凉山(界)、狮山镇—元谋仁兴镇(界),形成六连边交通通道。
农村公路及其他公路方面:提高公路等级、改善交通状况,高效推进“四好农村路”步伐,逐年提高农村公路等级,确保群众生产、生活出行畅通。提升改造旅游路、资源路、产业路,服务武定相关产业发展。
铁路方面:积极配合国家、省、州铁路网建设,促建成昆高铁(云南段)、武定—寻甸城际铁路、昆明—武定—元谋城际铁路、楚雄—武定—会理高速铁路,迎接武定铁路新纪元。
水运方面:依托乌东德电站,提升金沙江武定段III级航道等级,拓宽金沙江—长江黄金水道。
航空方面:力争建设武定A3级通用机场,构建楚雄1干多支航空网络。
(二)建设客运枢纽和货运枢纽
依托成昆高铁和滇中城际轨道,建设武(定)禄(劝)火车站;连接G5京昆高速、S29皎平渡至晋宁、G8012滇中环线,建设武(定)禄(劝)汽车客运站和武定商贸物流群;拓宽金沙江—长江黄金水道,建设区域性港口武定港;完善国家通用航空网,建设武定通用机场。
港口码头方面:努力推进武定港、白马口码头、五曲沟码头、热水塘码头、新民码头,形成一港四区的水运体系,促进金沙江沿线经济发展,融入长江—金沙江经济带。
航空方面:配合武定通用航空机场选址工作,加快推进通用航空产业快速发展,完善云南省通用航空体系。
客运枢纽方面:建设武定南客运站(二级汽车站)、己衣镇客运站(四级汽车站)、提升改造东坡乡客运站、万德镇客运站、环州乡客运站、发窝乡客运站、田心乡客运站、猫街镇客运站、白路镇客运站、插甸镇客运站、高桥镇客运站,建设10个行政村招呼站。依托发达的铁路网,促进武(定)禄(劝)二级综合枢纽站建设。
邮政物流方面:优化配置邮政网点,提升改造物流园区,打造物流通道。
(三)提升客运运输系统、货运运输系统和智能交通系统
优化运输结构,提高铁公机水联运效率,提升干线网,连通支路网,整个武定综合立体交通“一张网”;客运运输绿色化、规范化、舒适化,货运运输集约化、安全化、标准化,运输管理系统智能化、信息化、先进化;智能交通系统高效先进,引进先进的交通信息服务系统(ATIS)、交通管理系统(ATMS) 、公共交通系统(APTS) 、车辆控制系统(AVCS) 、货运管理系统、电子收费系统(ETC) 、紧急救援系统(EMS);从而形成一种保障安全、提高效率、改善环境、节约能源的综合运输系统。
(四)强化制度保障、资金保障、技术保障和人才保障
进一步深化交通管理体制改革,加快投资管理体制改革,加强行业指导发挥政策性导向作用,充分重视交通行业的先导性作用;加强交通建设资金的精细化管理,提高交通建设资金使用效率,统筹省州级政府财政资金,实现公路、水路、铁路和机场建设协调发展,积极培育融资环境,拓展多样化交通基础设施投资渠道;建立科技成果推广机制与激励机制,加强交通建设与运营领域的科技成果应用,广泛应用科技成果实现综合交通可持续发展;明确交通行业人才需求,建立交通行业人才分类培养制度,完善交通行业人才发展机制,重点加强交通行业专业技术人才的选拔使用,充分重视交通行业技能人才培养。
“十四五”至中长期(2035年),是武定综合交通运输体系形成的关键时期,武定县将坚持以人民为中心的发展思想,紧扣我国社会主要矛盾变化,围绕交通强国“人民满意、保障有力、世界前列”的基本内涵和“安全、便捷、高效、绿色、经济”的价值取向,全面贯彻新发展、高质量、求创新、重生态的发展理念,对标东部沿海地区综合交通运输发展水平,着力建设“四个一流”,加快武定交通建设。在发展目标上与“两个一百年”奋斗目标和云南省交通强国建设战略目标相对应、相衔接,提升综合运输网络效率、降低物流成本、打造智能绿色交通、提升交通网络安全。加强公路、铁路、航空、水运各种运输方式的立体互联,统筹交通通道资源配置,加强枢纽空间集约共享,实现各种交通方式有效衔接。
加快武定交通基础设施建设,努力构架“六纵、六横、六连边、三联通”武定公路骨架路网,建设公水铁联运的智能运输系统,形成外联内通、结构合理、智能绿色、衔接州际的交通新格局。加快行政村联网道路建设,为乡村公交、农村物流发展提供保障条件,落实扶贫攻艰、交通先行举措,努力实现村村通公交、通物流的目标促进城乡交通与物流一体化发展。积极响应乡村振兴战略,统筹交通扶贫脱贫攻坚与交通运输乡村振兴战略、推进“四好农村路”建设等工作,推进“交通+特色产业”扶贫。改造建设资源路、旅游路、产业路。坚持专项扶贫、行业扶贫、社会扶贫“三位一体”大扶贫格局,在强化贫困地区交通运输发展的同时,立足行业优势,从项目、资金、人才、科技等方面因地制宜推进“交通+”特色扶贫,深化农村公路管养体制改革,切实加强农村公路管理养护。
(一)总体目标
1.“十四五”期间(2021—2025),打造空陆联运、公铁联运、水公联运新格局,基本形成以公路(高速公路、国省干道、县乡公路)为骨架,以铁路、水运、航空、农村公路为补充,构架四通八达、水陆联运、方便快捷为发展目标的交通运输网络体系,努力把武定建设成楚雄综合交通枢纽重要节点。
(1)公路方面“对接云南省的高速公路体系,提升农村路网”;
(2)铁路方面“纳入成昆高铁通道、融入滇中城际轨道发展”;
(3)航空方面“培育通用航空市场、完善国家通用航空网”;
(4)水运方面“拓展金沙江航运通道、联建库区港口群”;
(5)管理方面“交通服务水平明显提高,交通治理能力明显加强”。
2.到2035年,武定县基本建成安全、便捷、高效、绿色、经济的现代化综合交通运输体系,人民生活基本融入滇中城市群,支撑区域现代化经济建设能力显著增强。
(1)综合交通运输体系更加完善。拥有快速的高铁高速网、完善的公铁水空联运网、广泛的交通基础网,城乡区域交通协调发展,交通基础设施更加完善;
(2)综合交通实现一体化。交通与土地利用、不同交通方式、交通运输服务管理体制机制一体化;
(3)交通服务水平大幅提升,旅客联程运输便捷顺畅,货物多式联运高效经济。
①实现基本公共服务均等,客运服务便捷高效、安全可靠。
②人民基本融入滇中城市群交通圈,满足“全国123出行交通圈”(都市区1小时通勤、城市群2小时通达、全国主要城市3小时覆盖)要求,一站式、多样化、共享交通服务普及。
③统一开放、竞争有序、一单到底、经济高效的货运服务体系基本形成。旅客联程运输便捷顺畅,货物多式联运高效经济。
(4)基本实现绿色交通主导。基本实现交通全环节、全生命周期绿色化。铁路客货运量多式联运占比明显提升,城市绿色出行分担率达到80%(国家为85%),新增清洁能源车船占比超过50%,建成完善的步行、自行车道路系统。
(5)交通安全水平显著提高。公路铁路水运航空重大风险源防控成效显著,道路交通万车死亡率下降到0.5以内,交通安全和应急救援体系完备,交通系统的安全性、可靠性全面提升,实现军民深度融合,有力支撑国家安全。
(6)城市交通拥堵显著缓解,无障碍出行服务体系基本完善。城市交通拥堵与交通污染治理取得显著成效,交通运行效率显著提升,居民出行品质和出行体验显著改善,使武定县城更加宜居,城市发展绿色持久。
(7)城乡交通服务全面覆盖。深入推进“四好农村路”建设,促进农村客运服务优质、便捷多样,创新农村邮政物流发展模式,完善县乡村三级农村物流服务体系。
(8)交通装备更加先进、人才队伍更加精良。交通关键装备先进安全,人才队伍精良,市场环境优良,基本实现交通治理体系和治理能力现代化。
3.到2050年全面建成“交通为民、融通高效、智慧绿色、滇中领先”的交通强县。交通基础设施规模质量、技术装备、智能化与绿色化水平位达到区域先进水平,交通安全水平、交通治理能力、文明程度、竞争力及影响力达到区域先进水平,全面服务和保障区域建设,人民享有美好交通服务。
(1)实现高质量交通一体化。公、铁、水、航、管五种运输方式深度融合、便捷高效。
(2)新业态新模式蓬勃发展。交通运输与旅游融合发展,交通运输+物联网融合发展,互联网+高效物流、无人机(车)物流递送、城市地下物流配送纵深发展,积极参与时速600公里级高速磁悬浮系统、时速400公里级高速轮轨(含可变轨距)客运列车系统、低真空管(隧)道高速列车等技术的推广。
(3)实现智能交通区域领先。全面推进“互联网+公路交通”、“车路协同智联网技术”,实现自动驾驶,车路协同,共享交通飞速发展。
(4)交通服务达到全国一流。设施人性化、转乘便捷化、方式多样化、出行个性化的服务满足大众出行需求,公共交通、共享交通充分发展,大幅度降低私人汽车使用量。
(5)绿色交通全国领先。依托武定特有的自然资源,建成便捷高效、绿色智能的综合交通运输系统。
(6)交通“零死亡”愿景基本实现。道路交通万车死亡率下降到0.3以内,实现出行安全舒适、人民放心的交通环境。
(7)交通拥堵从本质上解决,交通能耗大大降低。绿色环保能源汽车和智能交通运输系统的高效融合发展,将告别交通拥堵和环境污染。
(8)健全综合交通保障制度。建立健全各种法律法规制度,保障现代综合交通运输体系的高效运行。
(二)具体目标
“十四五”期间(2021—2025):
1.公路:按照县委、县政府提出的发展思路,以构建高质量现代化综合交通运输体系为目标,到2025年,实现65%的乡镇通三级路、50%的建制村通“双车道”公路的目标。重点建设以武定至禄丰至双柏高速公路、武倘寻—武易高速(武定段)、元武高速、武昆高速为骨架,以白路至环州、樟子树—万德提升改造项目为中枢,农村四级公路为毛细的多层次、结构合理的绿色公路路网体系。逐步提升改造方便群众的农村路网,提高路基、路面技术等级,实现干线路网等级化,县乡公路通畅化。
2.水运:根据经济发展需要,依托乌东德电站武定段码头建设,集中力量实施金沙江武定段的III级航道建设和武定港区域性港口基础设施建设,初步形成对内对外水运通道和以武定港为主体辐射周边4个码头的内河航运体系。
3.客运站:根据全县社会经济发展现状和格局,继续完善以县城客运站点的中转中心作用,建设武定南客运站(二级汽车站)、己衣镇客运站(四级汽车站),提升改造东坡乡客运站、万德镇客运站、环州乡客运站、发窝乡客运站、田心乡客运站、猫街镇客运站、白路镇客运站、插甸镇客运站、高桥镇客运站,建设10个行政村招呼站。规范农村客运市场,完善长短途结合覆盖全县的城乡客运体系。
4.铁路:积极配合成昆高铁(武定段)、滇中城市群环线铁路(武定段)建设,完善铁路网体系。
5.通用机场:力争武定A3级通用航空机场开工建设,加快推进通用航空产业快速发展,完善云南省通用航空体系。
6.邮政物流:优化配置邮政网点,建设覆盖136个行政村的村邮站。
7.智能交通体系:引进先进的《公路超载超限非现场执法系统》、《公路安全生产管理系统》,建设保障安全、高效运营安全管理系统。
中长期(2026—2035):
1.公路:完善建设“六纵、六横、六连边、三联通”的公路交通网络。到2035年完成高速公路、二级公路智能化,建成智能公路。形成“规模结构合理、设施品质优良、治理规范有效、运输服务优质”的农村公路交通运输体系,“四好农村路”高质量发展格局基本形成。农村公路网络化水平显著提高,全县总里程稳定在4400公里左右,基本实现乡镇通三级路、建制村通等级路、较大人口规模自然村(组)通硬化路;管理养护体制机制完备高效、资金保障政策机制完善有力;基础设施耐久可靠、安全防护到位有效、路域环境整洁优美;运输服务总体实现“人便于行”“货畅其流”,基本实现城乡公路交通公共服务均等化。农村公路对乡村振兴的服务保障和先行引领作用更加充分,人民群众获得感、幸福感、安全感明显增强,总体满足交通强国建设和农业农村现代化发展需要。
2.水运:武定港建成,金沙江航运初见成效。依托乌东德电站翻坝运输系统,智能化提升改造武定港,拓展原有4个码头为港区,逐步形成金沙江武定段集装箱货运体系,构架武定现代化内河航运体系。
3.交通枢纽站:依托发达的铁路网,打造武(定)禄(劝)二级综合枢纽站。
4.铁路:配合国家建设滇中—成渝交通大通道,积极探索高速轮轨技术可行性,迎接武定超高速铁路时代。
5.航空:武定通用机场建成,培育通用航空产业园,积极引导飞行器制造、通用航空抢险救灾、科学研究、测量、气象等领域开展深度合作。
6.邮政物流:开展无人机配送试点基地,打造智能物流。
7.智能交通体系:引进智能化成套交通管理系统,集建设、运营、养护、管理、收费、智能出行于一体,构建智能交通运输体系。
第四章 武定县社会经济现状及发展情况
一、社会经济现状及发展预测
(一)社会经济现状
1.自然条件
(1)地理位置
武定县位于云南省中北部、楚雄彝族自治州东北部,地处东经101°55′—102°29′、北纬25°20′—26°11′之间。北以金沙江为界,与四川省会理县相望,西与元谋县接壤,东、南与禄劝、富民、禄丰3县毗连。南北长94公里,东西宽56公里。全县总面积3322平方公里。县城设于狮山镇,海拔1710米,距省会昆明64公里,离州府楚雄市160公里,北去四川省攀枝花市214公里。2020年,武定县现辖11个乡镇,其中镇7个(狮山镇、高桥镇、猫街镇、插甸镇、白路镇、万德镇、己衣镇),乡4个(环州乡、东坡乡、田心乡、发窝乡),下设136个村(社区居)民委员会,1581个村(居)民小组。
(2)地形地貌
武定地处滇中高原北部,云贵高原西侧,境内地表崎岖,群山连绵,山地、丘陵、谷地、河谷平原和山间盆地(坝子)相互交错。山区(包括山地及丘陵)面积占全县总面积的96%,坝子及水面占4%。全县平均海拔1910米,地势东西两侧及西南部高,北部低,东南部较开阔。己衣新民大沙地862米,为境内最低点;白龙会峰2956米,为最高点,两地平距18公里,高差2094米。县内可分为东西部山区、北部河谷区和南部高原区。
(3)气候条件
武定属低纬高原季风气候类型。由于地处低纬度高海拔地带,加之海拔和相对高差的变化,形成“一山分四季,十里不同天”的立体气候。气候总的特征为:冬暖夏凉,气温年差较小,日差较大,降水充沛,干湿季分明;气候垂直变化显著,类型多样;雨热同季,大陆性强。武定县平均气温15.1℃;最冷月为一月,平均气温为7.3℃;最热月为六月,平均气温为20.7℃。全年平均霜期130天。其夏秋两季属康乐气候,而冬春两季则气温偏低。从总体上看,武定县冬无严寒,夏无酷暑。
(4)土地资源
全县土地面积442.2万亩,其中,耕地面积27.2万亩(水田10.6万亩,旱地16.6万亩);林业用地261.9万亩(林地150.3万亩),森林覆盖率25.4%。全县土壤共分紫色土、红壤、黄棕壤、棕壤、水稻土、燥红土、石灰岩土和冲积土8个土类、14个亚类、26个土属、62个土种。其中,紫色土占土地面积的42.2%,红壤占20.5%,黄棕壤占19.6%,棕壤占6.8%,水稻土占3.4%,其他土种占7.5%,适合小麦、豆类、玉米、油料、烤烟等多种作物,板栗、核桃、花椒等多种经济林树生长和繁殖。
(5)水资源
武定县水资源较丰富,年产水量18.52亿立方米,多年平均地表径流总量为9.2亿立方米。现有蓄水能力8324万立方米。境内浅层地下水年蓄藏量为2.5亿立方米,有潜水320多股,多呈泉水(龙潭)出露。较大的泉眼有56个,流量为10升/秒以上的冷泉有13个。径流面积大于40平方公里,长度10公里以上的河流22条,最长河流勐果河,属金沙江支流。勐果河纵贯南北,主河道全长103公里,总落差1804米,比降1.75%。中游峡谷段长23公里,落差742米,比降3.2%,有瀑布3处,水能理论蕴藏量为8万千瓦,可开发4.5万千瓦。目前已建有大响水、伊尔格、勐果河六级、发窝永厂河4个电站。
(6)动植物资源
武定县因气候温和,雨量充沛,土质肥沃,因而植物繁多,共有137科、538属、1157种植物。其中:乔木189种、灌木224种、藤本45种、草本699种。武定县地理环境特殊,多样的山地气候和土壤,生长和栖息着多种野生动物,共记录陆栖脊椎动物175种,分属119属,54科,22目。
(7)矿场资源
武定县地质构造复杂,山露地层比较齐全,岩浆活动频繁,金属、非金属矿产种类较多,矿产资源丰富。其中钛铁矿资源为楚雄州之冠,在云南省也有重要地位;铁矿资源储量名列楚雄州前茅,铜、铅、锌矿等有色金属矿产资源也较丰富,木纹石等饰面石材独具特色。已探明储量的两个铁矿储量为2.46亿吨,3处钛矿储量269万吨,6个铜矿点储量13.1万吨,一个芒硝矿储量5884万吨,两个大理石矿储量31.4万立方米,武定木纹石储量34.8亿立方米。
(8)风景旅游资源
武定县旅游资源十分丰富,“一山”(狮子山)、“一箐”(九厂香水箐)、“一湖”(猫街新村湖)、“一址”(万德土司遗址)、“一谷”(己衣大裂谷)、“一河”(插甸水城河)、“一观光区”(关坡白药基地观光区)形成网状立体式旅游资源布局,面积达240平方公里。
2.行政区划
武定县辖11个乡镇,其中4个乡,7个镇:环州乡、东坡乡、田心乡、发窝乡、狮山镇、高桥镇、猫街镇、插甸镇、白路镇、万德镇、己衣镇,下设136个村(社区居)民委员会。到2019年全县人口281580人,其中乡村人口215863人,城镇人口65717人。总人口中,少数民族人口159412人,占总人口的56.61%,其中彝族人口90008人,占总人口的31.97%,占少数民族人口的56.46%。
3.社会经济发展现状
“十三五”期间,在县委县政府的领导下,全县各族人民紧密团结在以习近平同志为核心的党中央周围,深入贯彻落实中央、省州党委、政府和县委重大战略部署,解放思想,开拓进取,攻坚克难,不忘初心,继续前行,努力为实现经济持续健康发展、脱贫攻坚胜利、生活水平普遍提高、生态环境更加优化、制度机制不断健全5个目标努力奋斗。以构建创新型、开放型和绿色化、信息化、高端化的产业为核心和全产业链打造、集群化打造的要求,坚持转方式调结构,推进“互联网+” 和产业深度融合,巩固提升烟草产业,重点打造冶金建材、高原特色现代农业、文化旅游“三大主导产业”,加快培育先进装备制造、现代商贸物流、生物医药和大健康、绿色能源“四大新兴产业”,统筹新一代信息技术、节能环保等其它战略性新兴产业发展,同步推进工业化、信息化、城镇化、农业现代化进程。期间社会经济得到的全面发展,谱写了中国梦武定篇章。
(二)社会经济发展战略与目标
1.武定县的社会经济发展总体战略
以习近平新时代中国特色社会主义思想为指导,全面贯彻落实习近平总书记对云南提出的“三大战略定位”,全面推动“1133”战略实施,紧紧围绕推动全县高质量跨越式发展、供给侧结构性改革、"1+3+4”重点产业发展和世界一流“三张牌”打造、“五大基础设施”网络建设、新型城镇化推进、美丽县城和特色小镇建设、创新驱动发展战略实施、乡村振兴战略实施、全面深化改革扩大开放、社会民生改善等,做好影响武定县“十四五”及中长期发展全局性、战略性重大问题研究,全面建设“秀美彝乡、特色武定”伟大蓝图。
(1)以业兴城——建立产业武定战略
抓住国家产业转移和战略性新兴产业发展两大机遇,加快发展新型工业化,优化提升传统工业,推进产业园区建设。依托交通区位优势,以休闲文化旅游推动第三产业发展,提升服务质量、扩大服务领域。形成以现代烟草、绿色食品、生物制药、冶金建材、文化旅游为重要支柱的武定产业体系,作为滇中产业新区的主要拓展区,昆明产业转移的承接区。
(2)以文定武——打造文化武定战略
武定具有悠久的历史文化和灿烂的民族文化,为了实现武定文化的传承和延续,提出“文化+”的发展理念,打造文化武定:文化创意城、文化经济城、文化展示城、文化发展城。
(3)以绿立县——创建生态武定战略
武定植被丰富、山水奇美,具有良好的生态基地,采取生态化发展战略,创建生态武定。包括:金沙江流域生态保护、园林城市创建、生态乡镇建设。
(4)以合共进——协调区域发展战略
从全局角度,进行多层次区域合作以扩大对外的辐射力,促进共同发展是武定未来应采取的选择。通过改善基础设施条件,提高交通运输网络效率,化解资源环境瓶颈制约,大力提高产业技术水平和服务能力,可以大大提高武定参与区域竞争的层次和能力。武定应加强与滇中城市群、攀西经济区、禄劝、禄丰等合作。
到2035年,把武定建设成为:滇川大通道和昆攀经济带重要门户、滇中地区重要的特色优势产业基地、滇中重要的生态安全屏障和生态文明示范区、民族团结示范县。
2.人口、经济、产业结构发展目标
(1)武定县域人口规划:根据《武定县城市总体规划(2018—2035)》规划武定县近期(2018—2020)县域人口为30.0万人,中长期(2021—2035)34.0万人,远期(2036—2050)39.5万人。
(2)经济发展目标:根据《武定县城市总体规划(2018—2035)》的发展目标:生产总值:2020年94亿元(年均增长10%)2035年295亿元(年均增长8%)。人均生产总值:2020年达到33000元以上;2035年达到90000元以上。
(3)三次产业结构:2020年21:35:44;2035年12:40:48。
3.城乡发展目标
表4—1城乡发展目标
| 指标类别 | 发展指标 | 现状(2020) | 2025年 | 2035年 | 指标 | 
| 规划目标 | 规划目标 | 类型 | |||
| 主体空间管控 | 生态空间(平方千米) | — | 2232.18 | 预期 | |
| 农业空间(平方千米) | — | 604.87 | 预期 | ||
| 城镇建设空间(平方千米) | — | 109.03 | 预期 | ||
| 生态环境保护 | 森林覆盖率(%) | 64.89 | 66 | >70 | 约束 | 
| 单位生产总值能耗降低率(%) | 16 | 控制在州指标内 | 控制在州指标内 | 约束 | |
| 万元工业增加值用水量(立方米) | 82.28 | 50 | 30 | 约束 | |
| 二氧化硫降低率(%) | 18.8 | 控制在州指标内 | 控制在州指标内 | 约束 | |
| 城镇空气质量达到优良占比(%) | 100 | ≥97.2 | 100 | 约束 | |
| 国控省控河流水质达标率(%) | 83.3 | 83.3 | 83.3 | 约束 | |
| 经济社会发展 | 地区生产总值(亿元) | 108.4 | 185 | 295 | 预期 | 
| 户籍人均地区生产总值(万元) | 38562 | 33000 | 90000 | 预期 | |
| 固定资产投资(亿元) | 117.28 | 164 | 600 | 预期 | |
| 社会消费品零售总额(亿元) | 40.53 | 44.5 | 68 | 预期 | |
| 贫困人口占总人口比例(%) | 0 | 0 | 0 | 约束 | |
| 城镇居民人均可支配收入(元) | 43300 | 49600 | 98000 | 预期 | |
| 农村居民人均可支配收入(元) | 13500 | 16088 | 41000 | 预期 | |
| 城镇新增就业人数(人) | 1411 | 1650 | 2600 | 预期 | |
| 土地利用 | 耕地保有量(公顷) | 50555.48 | 50533 | 50533 | 约束 | 
| 基本农田保护面积(公顷) | 33269.03 | 40813 | 40813 | 约束 | |
| 建设用地总规模(公顷) | — | 10903 | 10903 | 约束 | |
| 城乡建设用地规模(公顷) | — | 3204 | 3204 | 预期 | |
| 城乡规划建设 | 城镇生活垃圾无害化处理率(%) | 95 | 100 | 100 | 约束 | 
| 城镇生活污水处理率(%) | 93 | 95 | 100 | 约束 | |
| 农村安全饮水普及率(%) | 75 | 80 | 98 | 预期 | |
| 城镇化水平(%) | 40.7 | 44.5 | 62 | 预期 | |
| 城镇人口(万人) | 10.27 | 11.4 | 21.1 | 预期 | |
| 常住总人口(万人) | 28.39 | 30.0 | 34.0 | 预期 | |
| 环境容量人口(万人) | — | 65 | 65 | 预期 | 
4.社会发展目标
到2035年,人口自然增长率控制在6‰以内;巩固提高九年义务教育成果,普及高中阶段教育,新增劳动力人均受教育年限12年;城镇登记失业率控制在3.5%以内。
城镇居民年人均可支配收入年均增长13%以上,农村居民年人均纯收入年均增长14%以上;统筹城乡卫生事业,建立完善新型农村合作医疗制度;广播电视覆盖率达100%,实现互联网及电话通讯覆盖到村组;行政村全面普及文化室、图书室、体育设施;加快城镇新增保障性住房建设,城镇低收入家庭住房困难问题得到妥善解决,解决农村绝对贫困人口的温饱问题,提高农村低收入人口的基本生活水平,全面完成农村民居改造,城乡居民生活质量普遍提高;
经济社会发展的协调性明显提高。建立城乡统筹的就业体制,就业状况明显改善,城镇化率达到62%左右。
5.环境目标
实施生态功能区分级控制,在江河源头区、重点水源涵养区、水土保持重点区,实施生态功能保护区示范工程和监管建设。森林覆盖率达70%以上;重点乡镇实现垃圾和污水无害化处理,集镇卫生得到改善,推动一批基础条件好的乡镇建设生态乡镇;在农村开展综合环境整治工程,建立完善的农村生活垃圾收集、清运及处置系统,规范畜禽养殖,推广平衡施肥或化肥替代产品,有效控制农村面源污染。武定县城创建国家级园林城市活动深入开展,县城环境质量有所改善,重点地区环境污染得到有效控制,医疗废物和危险废物基本得到安全处置;生态环境退化的趋势得到初步遏制,重要生态功能区的生态功能开始恢复,农村环境质量基本保持稳定;环境监管能力进一步得到加强,能较好协调和处理加快发展与环境保护的矛盾,以保护促发展。
(三)人口、经济发展预测
本次预测主要采用数理统计的方式,对武定县历年的人口、国内生产总值、工业生产总值、农业生产总值、财政收入等历史数据进行统计分析,建立数学模型,预测经济发展。预测结果详见表4—3。
表4—2武定县主要社会经济指标统计表
| 指标年份 | 人 口(人) | 国内生产总值(万元) | 工业生产总值(万元) | 农业生产总值(万元) | 地方一般财政收入(万元) | 
| 2005 | 265843 | 110451 | 77098 | 83004 | 4931 | 
| 2006 | 267510 | 126870 | 87781 | 88866 | 5732 | 
| 2007 | 269413 | 156855 | 109022 | 108883 | 7668 | 
| 2008 | 270641 | 178914 | 139686 | 132897 | 20599 | 
| 2009 | 272752 | 200673 | 167835 | 145825 | 23715 | 
| 2010 | 273340 | 240872 | 201607 | 158216 | 30606 | 
| 2011 | 274598 | 294440 | 280290 | 192795 | 42181 | 
| 2012 | 274284 | 352033 | 426945 | 227220 | 54862 | 
| 2013 | 275422 | 405733 | 196377 | 252630 | 64301 | 
| 2014 | 276690 | 46.0563 | 252284 | 26.9018 | 68914 | 
| 2015 | 275829 | 55.5703 | 270463 | 282970 | 61230 | 
| 2016 | 277247 | 62.7680 | 336514 | 302084 | 69177 | 
| 2017 | 278847 | 70.8788 | 454978 | 317396 | 76762 | 
| 2018 | 280708 | 78.5495 | 468956 | 323781 | 80610 | 
| 2019 | 281580 | 97.2334 | 441699 | 384744 | 79094 | 
表4—3武定县人口、经济预测模型表
| 序号 | 名 称 | 回归模型 | 相关系数 | 
| 1 | 人口时间序列模型 | y = 0.0995(x—2004)+26.631 | R = 0.9795 | 
| 2 | 国内生产总值模型 | y =9.6467e0.155(x—2004) | R = 0.9986 | 
| 3 | 工业总产值时间模型 | y = 8.2243e0.108(x—2004) | R =0.925 | 
| 4 | 农业总产值时间模型 | y = 8.2243e0.108(x—2004) | R = 0.9810 | 
| 5 | 财政收入时间模型 | y = 0.6437(x—2004)—0.4682 | R =0.982 | 
通过以上时间序列模型的建立,并结合武定县经济发展特点,综合预测未来武定县人口和经济发展情况如表4—4所示。
表4—4武定县人口经济发展预测表
| 年 份 | 2020 | 2025 | 2030 | 2035 | 2040 | 2045 | 2050 | 备注 | 
| 人 口 (万人) | 28.2 | 29.9 | 31.8 | 33.7 | 35.8 | 38.0 | 40.3 | |
| 国内生产总值(亿元) | 100 | 143.6 | 206.1 | 295.9 | 424.8 | 609.8 | 875.5 | |
| 工业总产值(亿元) | 45 | 60.2 | 80.6 | 107.8 | 144.3 | 193.1 | 258.5 | |
| 农业总产值(亿元) | 39 | 45.2 | 52.4 | 60.8 | 70.4 | 81.7 | 94.7 | |
| 财政收入(亿元) | 10 | 15.0 | 22.6 | 34.0 | 51.1 | 76.9 | 115.6 | 
(一)县域城镇体系结构规划
根据《武定县城市总体规划纲要》(2018—2035),武定县的县域城镇体系结构四个等级的规划如下:
1.规模等级结构规划
规划武定县域镇村体系分为中心城镇—次中心城镇—重点城镇—一般乡镇四个等级。
中心城镇:狮山镇,是武定县域政治、经济、文化中心和交通枢纽,规划远期人口为15万人。
次中心城镇:猫街镇,武定县域次中心,规划远期人口为3万。
重点城镇:包括插甸、高桥、万德,规划远期人口为1—2.5万人。
一般乡镇:包括白路、环州、东坡、己衣、发窝、田心。人口规模为1—1.5万人。
2.用地规模控制
规划远期中心城区人均建设用地控制在100平方米以内,重点城镇人均建设用地控制在105平方米以内,一般乡镇人均建设用地控制在110平方米以内,村庄根据具体实际情况建设。
(二)县域城镇职能结构规划
武定县城镇(乡)的主要职能包括“商贸主导型、工业主导型、三农服务型、旅游主导型”四种职能类型。
商贸主导型城镇:武定县城。武定县城是县域政治、经济和文化中心,主要发展商贸、物流、旅游服务。
工业主导型城镇:猫街、插甸。规划猫街、插甸主要利用矿产资源及便利的交通优势,承担工业园区服务职能。
三农服务型城镇:包括高桥、白路、环州、东坡、田心、发窝6个三农服务型城镇,规划主要利用农业资源条件,发展农产品转运、交易等产业,服务周边农村地区。
旅游主导型城镇:万德、己衣镇。规划主要依托金沙江、万德土司府、己衣大裂谷及民俗风情资源发展旅游业,万德、己衣主要承担旅游服务职能。
(三)县域城镇空间结构规划
武定县域城镇体系空间结构将由现在的弱核单心体系结构向点轴开发形态演化。到2035年,规划形成“一主、一次、一带、三轴、多支点”的县域空间发展结构。
“一主”:武定中心城区,武定中心城区作为全县的中心,在县域发展中起着重要的引领带动作用。
“一次”:即依托猫街形成的县域次中心。
“一带”:即依托北部的金沙江及沿江一级公路构成的沿江生态产业带。
“三轴”:即依托昆攀高速公路形成的主要城镇发展轴及县域内的两条南北向发展次轴。
“多支点”:即由高桥、插甸、白路、己衣、环州、东坡、田心、发窝构成的县域经济发展支点,共同支撑武定经济发展。
 
 
图4—1 武定县城总体规划
(一)产业发展规划
根据《武定县城市总体规划纲要》(2018—2035),武定县未来中长期产业发展规划如下:
第一产业——以建设高原特色农产品发展基地为重点,稳步推进农业产业化;
第二产业——以工业园区为发展平台,加快新型工业化进程;
第三产业——以建设文化旅游业、物流业基地为重点,发展现代服务业。
(二)产业空间布局
规划形成“两带、两轴、两区、一园三片区”的产业空间布局结构。
两带:指昆攀综合产业经济带、金沙江沿江生态产业带;
两轴:指沿县域内部南北向公路的产业联系轴;
两区:指南部综合产业区、北部生态产业区;
一园三片区:一园:云南武定产业园区;三片区:禄金新型工业片区、长冲新型建筑材料片区、县城东南绿色产业片区。
(一)旅游资源分布
武定县旅游资源十分丰富,“一山”(狮子山)、“一箐”(九厂香水箐)、“一湖”(猫街新村湖)、“一址”(万德土司遗址)、“一谷”(己衣大裂谷)、“一河”(插甸水城河)、“一观光区”(关坡白药基地观光区)形成网状立体式旅游资源布局,面积达240平方公里。2005年完成并批准实施的《武定县旅游发展规划》,把武定旅游资源划分为狮子山旅游资源区、水城河旅游资源区、金沙江峡谷旅游资源区、万松山森林旅游资源区、其他旅游资源区5个片区。从功能分区上划分为:狮子山观光、度假旅游区(包括狮子山、香水箐、新村湖、关坡云南白药集团基地),水城河观光、休憩旅游区(包括水城河、螃蟹箐),金沙江探险、探秘旅游区(包括大裂谷、土司遗址、金沙江、万松山)。在武定丰富的旅游资源中,无论是狮子山片区还是其它待开发片区,区域特色文化与景区自然景观融为一体,独具特色。
(二)旅游业现状
“十三五”期间,武定县坚持“创新、协调、绿色、开放、共享”的发展理念,继续立足优势,抢抓发展机遇,牢固树立大旅游、大产业的观念,以优势资源为依托,以市场为导向,以改革为动力,以创新求突破,抓住重点,突出特色,构筑精品,实施政府管理、市场推动、社会参与的发展战略,全面实施了全域旅游战略、产业融合战略、文旅带动战略、重大项目战略、基础先行战略五大战略,促进了旅游产业发展的新跨越。
“十三五”期间武定县借势昆大丽攀黄金旅游环线过境旅游区位,依托滇中城市群及攀枝花周末假日经济优势,以“整合大产业、做强大旅游”为理念,以区域一体化及差异化为导向,调整一、二、三产结构,优化旅游氛围,以旅游产业扶贫带动发展,打造了武定“休闲体验旅游特色城市”,围绕“做足乡村旅游体验、做大影视文化休闲、做新狮山旅游品质、做精温泉养生度假,做优民族风情体验、做特户外探险运动、做深美食文化品位、做活特色购物文章”,将武定构建成了以乡村休闲为主导,融影视旅游、温泉养生、美食民宿、风俗体验、生态观光、户外探险于一体的全域休闲旅游目的地及昆大丽攀黄金旅游环线过境消费目的地。
到2020年,全县接待国内游客达到326. 3万人次以上,年均增长10%以上;接待入境游客2510人次以上,年均增长10%以上;实现旅游收入26亿元以上,年均增长20%以上;旅游产业增加值年均增长11%以上,占全县GDP比重明显增加。
(三)旅游业发展规划
根据现代文化旅游产业发展的总体趋势和模式,结合武定文化旅游产业发展实际,总体布局为“一核、一环、四区”,一核,即打造“武定县城文化旅游综合体”;一环,即建设“县城—猫街—高桥—县城”乡村旅游环线;四区,即建设武定县城大旅游区(主体在狮山镇)、己衣金沙江大裂谷风情大旅游区(主体在 已衣镇、万德镇)、休闲农林及民族风情大旅游区(主体在插甸镇、发窝乡、万德镇、己衣镇)、养生休闲及民族风情大旅游区(主体在白路镇、环州乡、东坡乡)。
(一)矿产资源现状
武定县矿产资源丰富,其中钛铁矿资源为楚雄州之冠,在云南省也有重要地位;铁矿资源储量名列楚雄州前茅,铜、铅、锌矿等有色金属矿产资源也较丰富,木纹石等饰面石材独具特色。
截至2015年底,武定县共发现各类矿产32种,占云南省已发现矿产143种的22.37%,探明储量列入《云南省矿产资源储量简表》的矿产地18个。主要矿产的上表保有资源储量:铜矿11.348802万吨、铁矿2.75122亿吨、钛矿(钛铁矿砂矿)480.0991万吨、钛矿(钛铁矿)62.1295万吨、钴矿0.0314万吨、钼矿0.0488万吨、轻稀土矿0.3295万吨、石棉3万吨、芒硝5884.4万吨、石膏5883.6万吨。根据已查明的矿产资源储量情况、产业基础及矿产品在国内外市场的竞争能力等综合因素,确定武定县的优势及重要矿产为钛铁矿、铁矿、铜矿、饰面砂岩。
1.矿产资源丰富,分布广泛且地域性相对集中
钛铁矿主要分布在县域东部狮山镇、插甸镇及中部田心乡;铁矿主要分布在县域东南部迤纳厂及鱼子甸地区;铜矿主要分布在县域南部猫街镇东南部;铅锌矿则集中分布在狮山镇新村—刺竹箐地区;特色饰面石材主要分布在县域东部插甸镇、发窝乡。这种分布特点对形成规模化矿业基地甚为有利。
2.矿产种类配套程度较差
铁、钛铁矿等黑色金属和以铜为主的有色金属矿产、木纹石、红砂石特色石材资源丰富,但缺少能源矿产、贵金属矿产和稀有、稀土矿产,非金属矿产种类也较少,矿种配套程度总体上较差。
3.多数矿种矿床规模小,资源储量少
已发现的上表矿产地除少数铁、钛铁矿矿床规模较大,资源储量较多外,其余均为规模小、储量少的小型矿床。
4.矿石组分复杂,品位偏低,难选冶资源储量较多
矿床共、伴生矿种较多,利于矿床综合利用。但部分矿床矿石组分复杂,品位偏低,难选冶资源储量较多,开发利用难度大,例如:鱼子甸铁矿。
5.县域北部、西部勘查程度低,找矿潜力较大
铅锌矿有较大资源潜力,需要加大勘查力度,提高勘查程度,进一步查明矿床(点)资源储量,提高资源储量级别。
(三)开发现状
武定县现状采矿权105个,其中主要矿山82个。采矿权共登记面积38.5833平方千米,占全县国土面积的1.30%。其中,按发证权限分,省级发证采矿权21个、州级发证采矿权33个、县级发证采矿权51个;按开采矿种分,钛矿14个、铁矿12个、铜矿7个、铅矿2个、锌矿3个、饰面用石料(大理石)21个、饰面用花岗岩1个、建筑用白云岩11个、建筑用石料(凝灰岩)5个、泥灰岩6个、建筑石料用灰岩3个、建筑用砂2个、砖瓦用砂岩1个、制灰用石灰岩2个、砖瓦用页岩9个、砖瓦用粘土1个、石膏1个、建筑用砂岩3个、高岭土1个;按生产规模分,中型5个,占4.76%,小型及小型以下100个,占95.24%。
“十三五”以来,楚雄州紧紧抓住国家、省一系列战略发展机遇,打好“五网”建设攻坚战、县域高速“能通全通”“互联互通”以及交通行业扶贫攻艰战,全州基本形成以公路、铁路为主,水路、管道、航空等多种交通运输方式协调发展的滇中交通枢纽。
(一)公路方面
2019年末州内公路通车里程20210.08公里(含村道)。其中,高速公路393.49公里,一级公路120.99公里。路网密度达到67.8公里/百平方公里,是全省平均水平的1.13倍,是全国平均水平的1.41倍。昆楚高速(G56),楚大高速(G56)、永武高速(G5)、武昆高速(G5)、楚广高速、武易高速、楚南一级公路等高速公路已建成通车,实施县域高速“能通全通”工程,玉楚高速(G8012),昆楚大高速复线(G5621),楚姚高速等高速公路正加快建设,楚雄至景东、楚雄市东南绕城、禄丰至长田、楚雄至大姚、永仁至大姚、双柏至新平等高速公路项目工可及支撑报件正在编报。元双二级公路、南永二级公路已建成通车,彩云至鄂嘉、G320国道改造、双柏至新平公路等正在加快建设;楚雄市至各区县公路均已实现高等级化,通乡镇公路100%实现油路化,通建制村公路硬化率达到100%。目前,正在加快推进高速路“能通全通”“互联互通”工程建设,在建高速公路428公里,总投资760亿。
(二)铁路方面
全州现有成昆、广大、广昆复线、广大复线、永广铁路5条铁路,运营里程603公里。
成昆铁路及其复线是中国西南地区的干线铁路之一,是联系川滇两省并入全国铁路网的重要运输干线通道,成昆铁路老线为国铁I级,单线铁路,速度目标值120千米/小时,主要承担货运功能,成昆铁路复线为国铁I级,双线铁路,速度目标值160千米/小时,主要承担客运功能。广大铁路及其复线是泛亚铁路西线和滇藏铁路的重要组成部分,广大铁路旧线设计等级为国家二级单线铁路,主要承担货运功能,广大铁路复线为国家一级双线铁路,设计时速200km,主要承担客运功能,广大铁路设备补强及电气化改造,全长198.1公里,总投资13.38亿元。昆楚大铁路目前开行200km/h的城际列车,昆明至楚雄运行时间缩短为1小时,昆明至大理时间缩短为2小时,对于加强滇西地区路网运输能力,完善泛亚铁路网意义重大。
2018年7月,昆楚城际铁路动车开行,楚雄进入了动车时代,目前,已有楚雄、南华、永仁、元谋、禄丰5县市通动车。2019年铁路楚雄州旅客发送量为262.4万人,其中,楚雄站旅客发送量为140.24万人。
(三)枢纽方面
广通镇被誉为滇中旱码头,铁路和高速公路在此交汇,广通物流园区的集装箱货运中心是国家物流甩挂运输站场,是我国西南地区重要的公路、铁路和海运的集装箱多式联运物流基地,园区规划面积30平方公里,现有17条铁路专用线、27家物流企业、70万平方米仓储设施,已建成年吞吐量500万吨的物流集散、加工、贸易中转中心。
(四)管道运输方面
中缅油气管道是我国四大能源战略通道之一,在楚雄州境内穿境而过,中缅油气楚雄至攀枝花天然气管道工程也投产运营。
(五)航空方面
楚雄4C级民用机场按照昆明长水国际机场的备用机场打造,选址报告已通过中国民用航空局评审,全州10各县市规划有9个通用机场,其中楚雄市规划为Al级通用机场,永仁县规划为A2级通用机场,双柏县、牟定县、南华县、姚安县、大姚县、武定县、禄丰县规划为A3级通用机场。
(六)水运方面
截至2019年底,全州水路通行里程231.9公里,全州有通航航道3条,有码头10座,渡口23道。有运输船37艘,有航运企业3家,个体经营户20户,二类、三类机动船员154人。目前,正在加快金沙江中下游黄金水道的渠化航道建设,积极推进元谋港等港口、码头建设。
2019年末全州机动车拥有量780616辆,其中,汽车304919辆(个人284799辆),增长9.4%;拖拉机28467台;摩托车445321辆(个人444820辆),增长3.3%。机动车驾驶员828846人。全年完成客运量2308.57万人次,下降14.4%,其中,公路运输客运量2275万人次,下降14.5%;旅客周转量157575.69万人公里,下降10.8%,其中,公路旅客周转量157234万人公里,下降10.8%;运输货运量4077.78万吨,增长10.7%,其中,公路运输货运量4057万吨,增长10.9%;货运周转量724903.76万吨公里,增长14.9%,其中,公路货运周转量724726万吨公里,增长14.9%。
武定县位于云南省中北部、楚雄彝族自治州东北部,地处云南、四川两省的昆明、楚雄、凉山三州市交汇处,是出滇入川的主要通道,县城北距四川省攀枝花市214公里,东距昆明市60公里,京昆高速、武易高速、武倘寻高速、国道G108穿境而过。
目前,全县公路通达里程3898.19公里,其中:境内高速公路94.94公里,国道79.048公里,省道41.996公里,县道569.712公里,乡道420.872公里,村道2603.32公里,专用公路88.303公里。共有县乡客运班线车辆86辆、乡村客运班线车辆67辆,建成公交停靠站、候车亭56个,2019年已实现建制村100%通客车;邮政寄递业分支机构35个,乡镇电子商务服务站11个,行政村电子商务服务点124个,全县133个建制村100%通邮。2019年(1—10月)货运量157万吨,客运量218.52万人次,客运周转量15528.69万人公里,货运周转量27941.97万吨公里,均为公路运输。
表56—1武定县历年综合运输量
| 年份 | 客运量(万人) | 货运量(万吨) | 客运周转量(万人公里) | 货运周转量(万顿公里) | 备注 | 
| 2014 | 400 | 124.24 | 19117 | 19841 | |
| 2015 | 430.98 | 141.89 | 21044.82 | 23481.12 | |
| 2016 | 405.97 | 125.75 | 24634.52 | 23637.44 | |
| 2017 | 397.39 | 167.59 | 25130.31 | 27869.25 | |
| 2018 | 322.23 | 185.61 | 21170.02 | 31749.60 | |
| 2019 | 218.52 | 156.77 | 15528.69 | 27941.97 | 
(一)武定县公路运输现状
截至2019年,全县共有运输企业7家(客运企业),共计辆车340,其中:班线客运169辆(其中:农村客运车辆138辆,客位数1984个)、城市出租车84辆、城市公交车82辆(新能源车辆:42辆);驾校5家,共有教练车200辆;有维修业户329户,其中二类汽车维修业户7户,三类汽车维修业户228户,二类摩托车维修业户79户,其他机动车维修业户15户。
截至2019年,全县共有农村客运线路32条(其中:区域性经营10条),运行班车169辆(班线车)。共有公交线路25条,公交车82辆,出租汽车公司1家,出租汽车84辆。一个以城区为中心,乡镇为节点,连接城镇,辐射多村方便快捷的农村道路客运网络正在形成。
(二)武定县水运运输现状
武定县境内河航运的金沙江岸,有13个自然村,居住着汉、傣、彝、傈僳等民族,村寨稀疏,交通闭塞。沿江有石膏、铁、硫磺等矿产资源、森林资源和旅游资源正待开发,河谷积热适宜农作物生长,河谷地带盛产甘蔗、花生、绿豆、水果和冬早蔬菜,并有产量较大的造纸原料龙须草。由于陆路交通闭塞和离经济发达区较远,制约着经济开发,至今大多数乡村仍属贫困地区。金沙江因水流湍急,险滩丛生,水运在明清时仅能以江放木和行驶小木船,民国时期民间有小木船短程航运,运量都不大。新中国成立后金沙江航运事业发展起来,1957年到1962年,木船运输曾盛极一时,1964年起,各乡木船支援渡口建设和成昆铁路的修建,完成了陆路交通难于承担的部分运输任务。1976年后,各级政府重视边远山区经济开发和脱贫致富,彝州水运事业复苏,元谋、武定的航运发展迅速加快,水运作为新兴的一种运输方式逐步为振兴彝州服务。截至2010年底,金沙江各种各类船舶31艘,其中机动客船3艘,快艇农用自用船8艘,农用木船3艘,农用铁皮船17艘;县内31个水库共计68艘,旅游船舶2艘。全部机动船持有适任证船员9人共11艘
(一)武定县公路路网现状及评价
1.武定县公路路网现状
武定县城东距昆明市64公里,北距四川省攀枝花市214公里,位于滇中经济圈、滇中城市群核心地带和滇川大通道、昆攀经济带、长江经济带重要节点。全县总面积3322平方公里,山区(包括山地及丘陵)占全县总面积的97%,下辖11个乡镇,136个村(居)民委员会。武定县骨干路网总体呈“五横四纵”格局。五横,即G5京昆高速、武易高速、G108国道、山品—田心—东坡—环州公路、九厂至猫街公路;四纵,即武倘寻高速公路、长冲至己衣公路、沙拉箐至东坡公路、白路至环州公路。
“十三五”期间,武定县紧紧抓住国家加大对西部地区交通基础设施投入的重大历史机遇,深入实施交通基础设施建设攻坚战。建成国道108线武定过境线一级公路2.84公里,高桥过境线二级公路3.36公里;完成东坡至环州、沙拉箐至东坡、九厂至猫街、己衣至禄劝汤郎交界4条县道提升改造145.3公里;完成9个建制村通四级硬化路160.8公里;实施20户以上直过民族自然村通硬化路113条413公里;实施非直过民族自然村公路1400公里;完成乡道窄路基路面改造4条30公里;实施农村公路生命安全防护工程处治隐患803公里,实现了县、乡道危险路安全防护全覆盖;实施长己线长冲至老木坝段大修19公里和县道绿化128公里;2019年采用EPC建设模式,实施52公里白路至环州公路提升改造和498公里深度贫困县不搬迁自然村硬化路建设,目前项目正在有序推进;实施11项乌东德水电站移民安置点外道路和库区交通项目。
2020年全县公路通达里程达3898.19公里,其中:境内高速公路94.94公里、国道143.048公里、省道66.836公里、县道587.330公里、乡道438.75公里、村道2459.84公里、专用公路88.303公里。
虽然武定县的公路交通建设已经取得可喜的成绩,但武定县的公路建设还存在资金保障不到位,公路建设管理养护力量严重不足,农村公路建设等级低、安全隐患大,全面落实“路长制”职责不到位等问题。这些问题与全面建成小康社会的要求极不相适应,交通仍然是制约武定县经济发展的一个主要瓶颈。
表5—2 2020年武定县公路基本情况统计表(单位:公里)
| 类别 等级 | 国道 | 省道 | 县道 | 乡道 | 专用 | 村道 | 合计 | 比例 | 
| 高速 | 64.000 | 24.840 | 88.84 | 2.35% | ||||
| 一级 | 2.840 | 2.84 | 0.08% | |||||
| 二级 | 3.360 | 3.36 | 0.09% | |||||
| 三级 | 72.848 | 5.020 | 77.868 | 2.06% | ||||
| 四级 | 41.996 | 580.37 | 435.220 | 49.462 | 893.280 | 2000.328 | 52.86% | |
| 等外 | 1.940 | 3.530 | 38.841 | 1566.560 | 1610.871 | 42.57% | ||
| 小计 | 143.048 | 66.836 | 587.330 | 438.750 | 88.303 | 2459.840 | 3784.107 | 1.000 | 
| 沥青砼路面 | 143.048 | 66.836 | 175.98 | 1.37 | 8.29 | 395.524 | 10.16% | |
| 水泥砼路面 | 313.66 | 433.88 | 88.303 | 1289.89 | 2125.733 | 54.62% | ||
| 简易铺装路面 | 5.85 | 0.35 | 6.2 | 0.16% | ||||
| 砂石路面 | 2.25 | 2.83 | 1100.52 | 1105.6 | 28.41% | |||
| 砼预制块 | 89.59 | 0.32 | 0 | 89.91 | 2.31% | |||
| 无路面 | 61.14 | 61.14 | 1.57% | |||||
| 小计 | 143.048 | 66.836 | 587.330 | 438.750 | 88.303 | 2459.840 | 3784.107 | 1.000 | 
2.现状分析评价
对于公路现状进行分析评价的目的,在于发现存在的问题和找出解决问题的有效途径,并为公路路网规划提供重要的依据。
(1)公路网路面铺装率,指公路网中有路面里程占总里程的百分率,用RN表示。即:RN = LR/LN × 100%
式中:LR——高级、次高级路面里程(公里)
LN——公路网总里程(公里)
武定县公路网路面铺装率:RN = 98.38%
(2)公路网的技术等级:指组成公路网的各路段技术等级的加权平均值,简称网等级,用JN表示,即:JN = ∑Ji·Pi/∑Pi
式中:Ji——第i个路段的技术等级
Pi——里程数
武定县公路网技术等级: JN = 4.307
(3)公路网密度依据公路网所处区域的面积、人口等计算的公路网面积密度、公路网人口密度、公路网面积人口密度。
δA = LN/A
δP = LN/P
式中:δA——公路网面积密度
LN——公路网总里程
A——公路网所属区域的土地总面积(百平方公里)
δP——公路网人口密度
P——公路网所属区域的人口总数(人)
武定县公路网面积密度:δA=113.91公里/百平方公里
δP=134.39公里/万人
从以上的评价指标和表5—2可知:武定县公路路网存在以下主要问题:
(1)公路等级低,抗灾能力弱,乡村公路晴通雨阻现象较突出,公路网等级为4.307,等外公路较多占总里程的42.57%。
(2)水泥路面的铺装率较高,达54.62%,不利于行车安全和后期维护。
(3)公路网密度处于一般水平,每百平方公里分布公路113.91公里,每万人拥有134.39公里。
(4)公路网南北分布不均衡,武定县高级别公路分布在县域南部,以县城为中心辐射,县域北部交通较为滞后。
综上所述,武定县公路网状况较为一般,随着社会经济的发展,已经不能适应现代化交通的需求。为了确保县经济的持续发展,今后武定县路网建设的主要方向是:
(1)逐步提高公路的技术等级,使路网的技术等级配置更加合理,全面提高路网的通行能力。
(2)把影响制约经济发展的部分道路提高路面等级,加铺沥青路面,减少晴通雨阻现象的发生。
(3)增加路网的通达性。新建道路和改道道路应着眼于整个路网布局的优化和完善,避免重复建设。
 
 
图5—1 2020年武定县公路等级柱状图
 
 
图5—2 2020年武定县路面类型柱状图
(二)武定县码头现状及评价
1.武定县码头停靠点现状
水运交通是武定县交通运输的重要组成部分,是保障经济社会发展的重要基础设施之一。加快水运发展,对保证全县交通运输事业的协调发展,改善水域区交通条件及投资环境,促进全县经济社会发展和保障社会稳定具有十分重要的经济意义和政治意义。
武定县水运运输主要集中在县境北部的金沙江,这也是云南省与四川省的分界线,金沙江经县境总长38公里。目前该段航道建有码头4个,即白马口码头、热水塘码头、五曲沟码头、新民码头。
 
 
图5—3白马口码头
 
 
图5—4热水塘码头
 
 
图5—5五曲沟码头
 
 
图5—6新民码头
2.现状评价
金沙江武定段航运的开展为两岸人民的交通交流开辟了通道,更为两岸经济发展提供动力,渡口码头的建设和发展打通了水上运输通道,有利于促进矿产资源和旅游资源的开发,为我县由资源优势向经济优势转化中提供运输保障。其次,与其他运输方式相比,水运运输运量大、成本低、能耗省、占地少、对资源占用小、环境污染少等突出的优势,仍然是其他运输方式所不可取代的。第三,港口码头基础设施建设投资相对较低,而航道建设基本不占用或很少占用宝贵的土地资源,内河航运对环境污染小,利于生态环境的保护,内河航运的发展更加符合可持续发展战略要求。
3.存在的主要问题
(1)航运基础设施落后,航道等级低,港口设施差
金沙江武定段航道大多处于天然状态,航道等级低,码头的基础设施普遍较差,缺少必要的装卸设备和库场设施,许多码头利用自然岸坡进行装卸作业,难以适应内河运输的发展要求,影响了内河航运的优势发挥。
(2)航道主要配套设施缺乏,有待进一步建设与完善
县域航道基本无航标设施,缺少航道工作船和通信设施,由于航道条件较差、并且缺乏必要的配套设施,船舶航行主要依赖船长的经验,同时,海事系统也缺乏必要的管理设施,船舶航行安全受到影响。
(3)水资源开发对内河航运的兼顾不够
我国现行的水资源管理体制是统一管理与分级、分部门管理相结合的制度,由于条块分工的局限性和行业间协调不够,致使金沙江的水电开发不能充分兼顾内河航运的发展要求,在一定程度上制约了内河航运的发展。
(4)投入不足,缺乏稳定的资金渠道
长期以来,金沙江水运建设资金来源主要按工程项目依靠交通部补助和省财政补贴,省级政府缺乏稳定的航道建设资金渠道,影响了内河航运的可持续发展。
(三)武定县客运站场现状及评价
1.武定县客运站场现状
公路客运站场是公路网的支撑点,是综合运输体系中公路客运系统的子系统,是旅客运输系统中发生客流转变的重要节点,担负着旅客服务、线路管理和信息传输等任务,它既是公路运输的重要组成部分,也是“三主一支持”(公路主骨架、水运主通道、港站主枢纽和支持保障系统)交通中长期发展规划的重点内容。作为公路客运的生产组织基地和运输网络中客流集散、转运及过境的节点,公路客运站场具有运输组织与管理、中转换乘、多式联运、通讯信息、辅助服务等功能。
表5—3武定县汽车客运站运营情况
| 发往地 | 里程/票价 | 日应发班次数 | 日均实发车辆 | 日均出站车辆 | 日均出站人数 | |
| 市际 | 昆明 | 90/35 | 37 | 26.7 | 55.2 | 1066 | 
| 安宁 | 100/32 | 4 | 3.0 | |||
| 县际 | 楚雄 | 169/57 | 21 | 13.7 | ||
| 禄丰 | 106/32 | 1 | 0.9 | |||
| 元谋 | 84/22 | 12 | 10.0 | |||
| 广通 | 126/22 | 1 | 0.9 | |||
| 县内 | 己衣 | 121/32 | 5 | 3.8 | 90.7 | 965 | 
| 万德 | 110/30 | 4 | 3.9 | |||
| 东坡 | 108/32 | 5 | 4.0 | |||
| 环州 | 114/35 | 3 | 2.7 | |||
| 田心 | 78/22 | 13 | 9.3 | |||
| 发窝 | 70/21 | 5 | 4.3 | |||
| 猫街 | 54/15 | 21 | 18.2 | |||
| 插甸 | 28/10 | 16 | 13.5 | |||
| 高桥 | 40/13 | 18 | 15.9 | |||
| 弯腰树(高桥) | 67/22 | 3 | 2.6 | |||
| 白路 | 64/20 | 6 | 4.4 | |||
| 椅子甸(狮山) | 21/8 | 9 | 8.1 | |||
表5—4武定客运站班次时刻表
| 地名 | 里程 | 票价 | 备 注 | 
| 昆明 | 90 | 35 | 6:30—19:00;滚动发班 | 
| 安宁 | 100 | 32 | 9:00、10:50、12:30、1:40 | 
| 楚雄 | 169 | 57 | 7:00—16:10;每24分钟发班一趟 | 
| 元谋 | 106 | 32 | 7:30—16:30;约每50分钟一趟 | 
| 禄丰 | 84 | 22 | 10:36、11:24 | 
| 白路 | 64 | 20 | 8:30、9:50、11:40、13:00、14:30、16:30 | 
| 环洲 | 114 | 35 | 7:40、10:00、13:00 | 
| 弯腰树 | 67 | 22 | 9:00、12:30、15:00 | 
| 东坡 | 108 | 32 | 7:30、9:50、11:00、12:10、13:40 | 
| 田心 | 78 | 22 | 7:10—17:00;约每小时发班一趟 | 
| 己衣 | 121 | 32 | 8:30、10:00、11:40、13:30 | 
| 万德 | 110 | 30 | 7:30、9:30、11:30、13:30 | 
| 发窝 | 70 | 21 | 9:00、11:00、12:30、14:00、15:50 | 
| 猫街 | 54 | 15 | 8:10—18:30;约每半小时发班一趟 | 
| 高桥 | 40 | 13 | 8:20—18:30;约每半小时发班一趟 | 
| 插甸 | 28 | 10 | 8:20—18:30约每40分钟发班一趟 | 
| 椅子甸 | 21 | 8 | 8:30—17:30每小时发班一趟 | 
 
 
图5—7武定至各地班车票价公示表图
2.农村客运发展基本情况
2019年,武定县有28.16万人,11个乡镇136个行政村,已通班车136个行政村,通班车率为100%。全县共有汽车客运站10个。其中:二级客运站1个、四级客运站9个。一个以城区为中心,乡镇为节点,连接城镇,福射多村方便快捷的农村道路客运网络正在形成。
(1)目前武定辖区内农村客运车辆共有139辆,其中,武定至各个乡镇班车运营车辆75辆,循环运营车辆4辆,各乡镇至建制村区域运营车辆60辆。全县共有公交车82辆,其中从县城至周边各社区、建制村及小区车辆76辆,县城至禄劝,仁兴车辆6辆。
(2)全县共有农村客运站10个,由于私家车增多,营运农村客运车辆、乘车人员减少,目前各客运站经营困难。
3.客运站场现状评价
武定县客运站场的建设极大地方便了当地群众的交通出行,解决了老百姓“乘车难”的问题,同时还会产生巨大的社会效益,而且随着项目的投入使用,将逐渐打破现状以追求局部利益为主的观念对交通运输行业的困扰,并通过信息的公开和共享,为社会创造一个公平竞争的市场环境,对武定县的经济飞速发展都将产生巨大的促进作用。尽管武定县客运站场建设呈现快速发展的勃勃生机,但也存在一些必须予以正视和亟须解决的问题,主要表现在:
(1)县城汽车客运站基础设施老旧,运营和管理效率有待于提高;
(2)乡镇农村客运站建设的布局与规划不够完善;
(3)乡镇农村客运站规模确定不合理;
(4)线路运力缺乏调整和调度机制;
(5)客运站场建设滞后,经营不善;
(6)乡镇客运站使用率低;
(7)车辆违章运营存在巨大安全隐患;
(8)农村路网不够完善。
(一)武定运输结构现状
交通运输业既是国民经济的重要部门之一,又是保证人们在政治、经济、文化、军事等方面联系交往的手段。因此,交通运输业在现代社会的各个方面起着十分重要的作用。现代化交通运输包括铁路、水运、公路、航空和管道五种基本的运输方式,这五种运输方式是相互协调、竞争和制约的。因此,需要进行综合考虑,协调各种运输方式之间及其与国民经济增长之间的关系,构成一个现代化的综合运输体系,使之更有利于满足人民生活的需求和国民经济发展的需要。根据武定县交通运输结构现状,武定县交通方式主要包括公路及少部分水运,铁路、航空和管道方面目前还没有。
(二)武定未来运输结构预测
1.云南省通用机场规划
按照《云南省通用机场布局规划(2016—2030年)》,并根据实际情况,在布局规模不变的前提下,对个别项目进行了适当调整。到2020年,全省规划布局50个通用机场(20个A1级、10个A2级、20个A3级),积极推进前期工作,力争在建及运营通用机场20个左右;到2030年,全省规划布局通用机场105个。
按“政府引导、市场化运作”原则,以州(市)为前期工作主体,以社会资本为建设和运营主体,全力推进各项工作;积极鼓励和支持基础条件较好、前期工作快、资金来源有保证的通用机场项目优先开工建设。推动在滇中城市经济圈选址建设全省具有通用航空枢纽功能性质的通用机场或通航主运营基地。积极构建以通用机场为平台的服务保障体系,开展航油、通信、导航和监视设施设备等配套基础设施的规划布局和建设,为通航飞行提供保障服务。“十四五”期间武定将建设A3级通用机场,但由于通用机场的使用性质和民用机场不同,因此航空运输对武定未来的运输量影响不大。
 
 
表6—1通用机场布局规划项目(2018—2030年)
2.云南省铁路路网规划
根据云南省中长期综合交通体系发展总体思路提出。即在“八出省、五出境”铁路主骨架网框架下,形成“三横四纵”云南铁路网络化格局,完善铁路枢纽、节点建设,大力发展城际高铁。以“八入滇、五出境”通道为骨干,抓紧沪昆客专、云桂铁路、成昆铁路扩能改造、丽香铁路等在建项目建设,规划新建渝昆铁路、南昆扩能改造、滇藏铁路香格里拉至德钦至邦达段,全面建成贵昆、成昆、南昆、内昆、沪昆客专、云桂、渝昆、滇藏“八出省”干线通道。利用既有昆玉铁路及在建昆玉扩能改造、既有玉蒙铁路及蒙河铁路,连接越南铁路网,形成中越出境通道;利用既有昆玉铁路及在建昆玉扩能改造、玉磨铁路,连接老挝、泰国铁路,形成中老泰出境通道;利用既有成昆铁路昆广段、广大铁路及在建广大扩能改造、大瑞铁路、大临铁路,规划新建临沧至清水河铁路,连接缅甸境内铁路,形成中缅出境双通道;利用成昆铁路昆广段、广大铁路及在建广大扩能改造、大瑞铁路,规划新建芒市至猴桥铁路,形成中缅孟印出境通道。
《规划》中经过武定县域内的项目有:成昆铁路增建二线,昆明至元谋城际高铁、滇中城市群环线铁路(曲靖—武定—楚雄—玉溪—曲靖)、禄丰至武定至会理高速铁路。这些项目在“十四五”及中长期建设,因此对武定“十四五”期间不构成对交通运输的分担。
3.云南省水路交通发展规划
根据《云南省水路交通发展规划2014—2030》,云南省将力争用15—20年的时间,全面建成澜沧江—湄公河、红河、中缅伊洛瓦底江陆水联运互联互通出境主通道;打造金沙江—长江、右江—珠江经济支撑带通道;建设怒江、李仙江等出境辅通道;依托金沙江、澜沧江、怒江、红河打造沿江经济支撑带;依托滇池、洱海等湖区建设区域经济圈。充分发挥云南作为南方丝绸之路的重要组成部分和水路交通出境通道连通海上丝绸之路的重要枢纽东南亚、南亚友邻国家和地区的优势,主动与国家“一带一路”建设相衔接,形成北进长江、南下珠江、沟通两洋(太平洋、印度洋)、连接三亚(东亚、东南亚、南亚)、干支相通、江海直达,港口布局合理、功能完善、船舶标准化、合理化,支持保障系统设施设备先进、保障有力,与其它交通运输方式“无缝”衔接、协调发展的水路交通运输体系,为云南省经济社会科学和谐跨越发展提供更加安全、便捷、高效的水运保障服务。
港口方面将形成以水富港、绥江港、东川港、元谋港、关累港、景洪港、思茅港、临沧港、富宁港、红河港、昆明港、大理港等12个重要港口为核心,以区域性港口为基础的布局合理、层次分明、功能明确、与区域经济发展水平相适应的现代化港口体系。其中武定港为区域性港口。
综上所述,“十四五”期间武定将建设A3级通用机场、成昆高铁、滇中城际铁路、金沙江武定港,由于这些项目在“十四五”期间还处于建设当中,不构成对交通运输的分担。因此,“十四五”期间武定县交通运输方式主要为公路运输,中长期会增加航空运输、铁路运输、水运运输。
由于社会经济活动、土地利用和人们出行行为心理的复杂性,决定了交通需求预测是一项复杂而艰巨的工作,它与社会经济活动、土地利用和交通特性、规律有关,预测过程中需要对预测方法和预测模型进行慎重选择,对预测合理性和可靠性作出评价,并不断进行反馈、修正,直至符合实际。
(一)交通分布预测方法
本项目的交通需求预测采用了交通需求预测的传统四阶段预测方法,即“出行生成、出行分布、交通方式划分和交通分配”,同时采用国内外优秀研究成果,广泛吸收云南省长期从事交通规划方面的丰富经验,利用TransCAD交通规划软件进行交通量预测。依据“四阶段”预测方法的要求,首先进行区域社会经济现状分析和发展预测,根据社会经济发展的趋势与特点及其与交通运输的相互关系,预测区域交通总需求,即项目影响区的产生与吸引交通量;其次按照交通出行特点研究区域内产生、吸引交通量的空间分布;然后考虑项目建成后对影响区内潜在交通需求的诱增影响及其他运输方式与公路之间的转移交通量分析,最终通过路网分配预测得到武定县交通出行分布情况。

图6—1“四阶段”法步骤示意图
(二)交通分布预测方法主要内容
1.公路交通调查与分析
本次预测从影响区域现状交通量分析入手,反推现状OD调查表,通过开展对本项目影响区内公路网的交通OD调查、社会经济调查等工作,得到如出行需求,出行行为习惯、交通的空间和时间分布、车型结构、货类构成等公路交通的特性。通过了解社会经济发展、综合运输体系发展现状、经济和交通发展规划以及现有各种运输方式运输量分担等情况,以此为基础分析项目影响区未来交通需求的发展趋势,并分别整理得到影响区基年出行OD表。
2.区域社会经济发展分析
通过研究该区域涉及的昆明、曲靖的社会经济与交通的发展现状及未来需求,确定公路网络层次结构和功能定位;分析路网合理形态、连接节点,综合考虑国家高速公路网、云南省干线公路规划、城镇布局、旅游、综合运输、对外通道和国防等多种因素,合理确定路网等级。
3.交通量增长分析
交通量增长是与经济发展密切相关的,经济发展速度将决定交通量增长速度,同时交通基础设施的改善又将促进区域经济的发展。为此,在未来出行量发展预测过程中,将在项目影响区域社会经济发展预测的基础上,通过分析两者之间的互动关系预测交通量的增长。
4.未来交通出行模拟
通过区域经济发展和交通产生模型预测未来出行量,再进行区域交通出行量分布,最后进行交通量路网分配,从而得到拟建项目规划年交通量。该方法考虑了各种交通方式的协调发展及其它相关因素的影响,有利于整个交通系统的内部平衡和交通系统与外部系统的协调发展。未来区域交通出行量分布是根据交通增长模型预测各交通分区出行端交通量,按照“重力模型”反复跌代进行的。
(三)预测结果
本次预测以武定周边县城作为交通小区,采用《云南省公路交通情况调查(2019)分析资料汇编》进行交通出行预测。
 
 
图6—2交通小区划分
 
 
图6—3 2019年交通出行期望图
 
 
图6—4 2025年交通出行期望图
 
 
图6—5 2035年交通出行期望图
表6—2 2019年武定县及周边交通出行OD表 单位Pcu/d
| OD | 楚雄 | 永仁 | 元谋 | 禄丰 | 武定 | 禄劝 | 昆明 | 富民 | 寻甸 | 嵩明 | 总计 | 
| 楚雄 | 0 | 291 | 615 | 2703 | 929 | 530 | 1316 | 539 | 287 | 748 | 7958 | 
| 永仁 | 291 | 0 | 1418 | 820 | 619 | 454 | 773 | 1045 | 290 | 1255 | 6965 | 
| 元谋 | 615 | 1418 | 0 | 979 | 754 | 561 | 893 | 1209 | 462 | 1306 | 8195 | 
| 禄丰 | 2703 | 820 | 979 | 0 | 361 | 769 | 1657 | 888 | 469 | 1012 | 9658 | 
| 武定 | 929 | 619 | 754 | 361 | 0 | 658 | 1103 | 703 | 444 | 815 | 6386 | 
| 禄劝 | 530 | 454 | 561 | 769 | 658 | 0 | 112 | 533 | 386 | 627 | 4631 | 
| 昆明 | 1316 | 773 | 893 | 1657 | 1103 | 112 | 0 | 833 | 506 | 934 | 8126 | 
| 富民 | 539 | 1045 | 1209 | 888 | 703 | 533 | 833 | 0 | 103 | 1539 | 7393 | 
| 寻甸 | 287 | 290 | 462 | 469 | 444 | 386 | 506 | 103 | 0 | 327 | 3274 | 
| 嵩明 | 748 | 1255 | 1306 | 1012 | 815 | 627 | 934 | 1539 | 327 | 0 | 8561 | 
| 总计 | 7958 | 6965 | 8195 | 9658 | 6386 | 4631 | 8126 | 7393 | 3274 | 8561 | 71147 | 
表6—3 2025年武定县及周边交通出行OD表 单位Pcu/d
| OD | 楚雄 | 永仁 | 元谋 | 禄丰 | 武定 | 禄劝 | 昆明 | 富民 | 寻甸 | 嵩明 | 总计 | 
| 楚雄 | 0 | 390 | 824 | 3622 | 1245 | 710 | 1763 | 723 | 385 | 1002 | 10664 | 
| 永仁 | 390 | 0 | 1900 | 1099 | 829 | 609 | 1035 | 1401 | 389 | 1682 | 9334 | 
| 元谋 | 824 | 1900 | 0 | 1311 | 1010 | 752 | 1196 | 1620 | 618 | 1749 | 10982 | 
| 禄丰 | 3622 | 1099 | 1311 | 0 | 484 | 1031 | 2220 | 1191 | 629 | 1356 | 12943 | 
| 武定 | 1245 | 829 | 1010 | 484 | 0 | 882 | 1479 | 942 | 595 | 1092 | 8557 | 
| 禄劝 | 710 | 609 | 752 | 1031 | 882 | 0 | 150 | 715 | 518 | 840 | 6206 | 
| 昆明 | 1763 | 1035 | 1196 | 2220 | 1479 | 150 | 0 | 1116 | 678 | 1251 | 10889 | 
| 富民 | 723 | 1401 | 1620 | 1191 | 942 | 715 | 1116 | 0 | 138 | 2062 | 9907 | 
| 寻甸 | 385 | 389 | 618 | 629 | 595 | 518 | 678 | 138 | 0 | 438 | 4387 | 
| 嵩明 | 1002 | 1682 | 1749 | 1356 | 1092 | 840 | 1251 | 2062 | 438 | 0 | 11473 | 
| 总计 | 10664 | 9334 | 10982 | 12943 | 8557 | 6206 | 10889 | 9907 | 4387 | 11473 | 95344 | 
表6—4 2035年武定县及周边交通出行OD表 单位Pcu/d
| OD | 楚雄 | 永仁 | 元谋 | 禄丰 | 武定 | 禄劝 | 昆明 | 富民 | 寻甸 | 嵩明 | 总计 | 
| 楚雄 | 0 | 635 | 1342 | 5900 | 2028 | 1157 | 2872 | 1177 | 627 | 1633 | 17371 | 
| 永仁 | 635 | 0 | 3095 | 1791 | 1350 | 992 | 1686 | 2282 | 634 | 2739 | 15203 | 
| 元谋 | 1342 | 3095 | 0 | 2136 | 1646 | 1224 | 1949 | 2639 | 1007 | 2850 | 17889 | 
| 禄丰 | 5900 | 1791 | 2136 | 0 | 788 | 1679 | 3616 | 1939 | 1024 | 2208 | 21083 | 
| 武定 | 2028 | 1350 | 1646 | 788 | 0 | 1436 | 2409 | 1535 | 969 | 1779 | 13939 | 
| 禄劝 | 1157 | 992 | 1224 | 1679 | 1436 | 0 | 245 | 1165 | 843 | 1369 | 10109 | 
| 昆明 | 2872 | 1686 | 1949 | 3616 | 2409 | 245 | 0 | 1817 | 1105 | 2038 | 17737 | 
| 富民 | 1177 | 2282 | 2639 | 1939 | 1535 | 1165 | 1817 | 0 | 224 | 3359 | 16138 | 
| 寻甸 | 627 | 634 | 1007 | 1024 | 969 | 843 | 1105 | 224 | 0 | 714 | 7146 | 
| 嵩明 | 1633 | 2739 | 2850 | 2208 | 1779 | 1369 | 2038 | 3359 | 714 | 0 | 18688 | 
| 总计 | 17371 | 15203 | 17889 | 21083 | 13939 | 10109 | 17737 | 16138 | 7146 | 18688 | 155305 | 
(一)武定县现状运输量
2019年武定县经济社会平稳较快发展。经初步核算,武定县全县在2019年实现生产总值(GDP)972334万元,按可比价计算,比上年增长8.6%。其中:第一产业增加值224579万元,增长5.8%,第二产业增加值305868万元,增长10%,第三产业增加值441887万元,增长8.7%。一般交通运量与工农业总产值呈正相关关系。
2019年(1—10月)货运量157万吨,客运量218.52万人次,客运周转量15528.69万人公里,货运周转量27941.97万吨公里,均为公路运输。
表6—5武定县历年综合运输量
| 年份 | 客运量(万人) | 货运量(万吨) | 客运周转量(万人公里) | 货运周转量(万吨公里) | 备注 | 
| 2014 | 400 | 124.24 | 19117 | 19841 | |
| 2015 | 430.98 | 141.89 | 21044.82 | 23481.12 | |
| 2016 | 405.97 | 125.75 | 24634.52 | 23637.44 | |
| 2017 | 397.39 | 167.59 | 25130.31 | 27869.25 | |
| 2018 | 322.23 | 185.61 | 21170.02 | 31749.60 | |
| 2019 | 218.52 | 156.77 | 15528.69 | 27941.97 | 
(二)运输量发展预测
运输量是反映社会经济发展对交通运输需求的一定量指标,运输量的预测是社会需求与经济发展规模为前提。本次规划运输量发展预测采用类比法。
1.《交通强国战略研究》对未来客货运量的预测
2017年,我国全社会共完成营业性客运量184.86亿人次、旅客周转量32812.55亿人·km(不包括小汽车);完成营业性货运量472.43亿t、货物周转量192588.50亿t·km。其中,铁路完成旅客周转量13456.92亿人·km、货运量36.89亿t,均居世界第一;公路完成营业性客运量145.68亿人次、货运量368.69亿t、旅客周转量9765.18亿人·km、货物周转量66771.52亿t·km,均居世界第一;海运承担了我国90%以上的外贸货物运输量,港口集装箱吞吐量占全世界总量的1/4以上,为我国成为世界第一货物贸易大国提供了有力支撑;民航运输旅客5.52亿人次、旅客周转量9512.78亿人·km,均居世界第二(表1—1)。
表6—6 2017年我国营业性客货运输发展状态
| 指标 | 数据 | 世界排名 | 
| 铁路旅客周转量 | 13456.92亿人·km | 1 | 
| 铁路货物周转量 | 26962.20亿t·km | 2 | 
| 公路营业性客运量 | 145.68亿人次 | 1 | 
| 公路营业性旅客周转量 | 9765.18亿人·km | 1 | 
| 公路货运量 | 368.69亿t | 1 | 
| 公路货物周转量 | 66771.52亿t·km | 1 | 
| 港口货物吞吐量 | 140.07亿t | 1 | 
| 港口集装箱吞吐量 | 2.38亿TEU | 1 | 
| 水运货运量 | 66.78亿t·km | 1 | 
| 水运货物周转量 | 98611.25亿t·km | 1 | 
| 民航旅客周转量 | 9512.78亿人·km | 2 | 
注:数据来源于《2017年交通运输行业发展统计公告》
(1)客运出行的新变化
2017年我国总人口超过13.9亿人,65岁及以上老龄人口达到1.58亿人,占我国总口比例为11.4%,据相关测算,2030年前后我国总人口将达到峰值的14.5亿人,我国将逐渐进入老龄化社会,60岁以上人口比例将达到25%,预计为3.63亿人;2030—2050年中国的老龄化将进入快速发展阶段.人口总量开始缓慢减少,老龄人口将达到4.87亿人,老龄人口比例将达到36.1%。接近15亿人的出行和占人口总数近1/3的老龄人口出行的便利性将成为未来公路交通关注的重点之一,老龄人口的出行方式对家庭其他人员当行方式选择的影响也不容忽略。2017年我围城镇化率为58.5%,2030年我国城镇化率将达到68%,2050年或将达到80%以上,城镇化在改变人们居住方式的同时,也改变了人们的出行方式。
(2)货物运输的新需求
随着我国工业革新和绿色工业战略的实施,未来我国工业能源消耗增速减缓,部分重型化工业能源消耗出现拐点,主要行业单位产品能耗达到或接近世界先进水平。未来我国将由制造大国向制造强国迈进,制造业也将由生产型制造逐渐向服务型制造转型,能源、原材料等大宗货物运输需求将逐渐降低,电子产品、医药等高附加值的轻质货物运输将快速增加,货运量可能将经历缓慢增长—持平—缓慢降低的过程。而且随着工业3.0向工业4.0发展,我国工业生产也将由“集中型”向“分散型”的模式转变。工业的变革将带来能源、材料、产品在货运规模、空间分布上的巨大变化,能源及材料消耗、产品品类及结构、物资流通空间需求的变化都将带来公路货运的革新。
(3)《交通强国战略研究》运量指标
《交通强国战略研究》运量增长率将作为武定未来交通运量的参考。
| 未来客运量(亿人次) | 2017年 | 年增长率% | 2020年 | 年增长率% | 2030年 | 年增长率% | 2045年 | |
| 经营性 | 客运小计 | 185 | 0.18% | 186 | 0.11% | 188 | 0.61% | 206 | 
| 铁路 | 30 | 10.97% | 41 | 3.88% | 60 | 1.94% | 80 | |
| 公路 | 146 | —2.58% | 135 | —2.03% | 110 | —0.50% | 102 | |
| 水运 | 3 | 0.00% | 3 | 0.00% | 3 | 1.94% | 4 | |
| 民航 | 6 | 5.27% | 7 | 7.92% | 15 | 1.94% | 20 | |
| 非经营 | 小汽车 | 324 | 7.28% | 400 | 5.76% | 700 | 1.84% | 920 | 
| 客运合计 | 509 | 4.81% | 586 | 4.24% | 888 | 1.60% | 1126 | |
表6—7《交通强国》未来客运量指标 单位:亿人·Km
表6—8《交通强国》未来旅客周转量指标 单位:亿人·Km
| 未来旅客周转量(亿人·Km) | 2017年 | 年增长率% | 2020年 | 年增长率% | 2030年 | 年增长率% | 2045年 | |
| 经营性 | 客运周转小计 | 32871 | 6.36% | 39549 | 4.60% | 62016 | 1.73% | 80232 | 
| 铁路 | 13515 | 8.54% | 17280 | 3.85% | 25200 | 1.61% | 32000 | |
| 公路 | 9765 | —1.09% | 9450 | —1.35% | 8250 | —0.07% | 8160 | |
| 水运 | 78 | —2.18% | 73 | —1.00% | 66 | 0.58% | 72 | |
| 民航 | 9513 | 10.24% | 12746 | 8.38% | 28500 | 2.29% | 40000 | |
| 非经营 | 小汽车 | 17827 | 7.91% | 22400 | 5.97% | 39990 | 2.17% | 55200 | 
| 客运周转合计 | 50698 | 6.91% | 61949 | 5.11% | 102006 | 1.91% | 135432 | |
表6—9《交通强国》未来货运量指标 单位:亿t
| 未来货运量 | 2017年 | 年增长率% | 2020年 | 年增长率% | 2030年 | 年增长率% | 2045年 | 
| 铁路 | 36.89 | 9.17% | 48 | 2.26% | 60 | 0.84% | 68 | 
| 公路 | 368.68 | 6.07% | 440 | 1.53% | 512 | 0.13% | 522 | 
| 水运 | 59.18 | 2.64% | 64 | 0.31% | 66 | 0.39% | 70 | 
| 航空 | 0.07 | 8.74% | 0.09 | 7.18% | 0.18 | 4.53% | 0.35 | 
| 管道 | 8.06 | 7.13% | 9.91 | 2.61% | 12.82 | 2.89% | 19.65 | 
| 合计 | 472.88 | 5.92% | 562 | 1.48% | 651 | 0.29% | 680 | 
表6—10《交通强国》未来货运周转量指标 单位:亿t·Km
| 未来货运周转量 | 2017年 | 年增长率% | 2020年 | 年增长率% | 2030年 | 年增长率% | 2045年 | 
| 铁路 | 26962 | 8.05% | 34009 | 2.56% | 43800 | 1.02% | 51000 | 
| 公路 | 66772 | 3.04% | 73040 | 1.47% | 84480 | 0.25% | 87696 | 
| 水运 | 43527 | 1.68% | 45760 | 0.10% | 46200 | 0.20% | 47600 | 
| 航空 | 244 | 12.78% | 350 | 7.92% | 750 | 4.73% | 1500 | 
| 管道 | 4783 | 1.41% | 4988 | 3.21% | 6840 | 3.03% | 10708 | 
| 合计 | 142288 | 3.59% | 158147 | 1.42% | 182070 | 0.58% | 198504 | 
(4)武定县交通运输量预测
本报告根据武定县社会经济的发展,产业结构调整和生产力布局,矿产、旅游资源的开发,综合运输体系的建立与完善,区域经济发展、城市化进程等的需求;同时考虑到云南省交通发展现状,以及未来发展的局限性。分别了采用弹性系数、相关分析、时间序列、逻辑曲线等多种方法对客货运量、周转量进行了预测。同时类比交通强国指标,预测交通运输运量如下:
表6—11公路客货运量预测表
| 年份 | 客运量(万人次) | 小汽车 | 增长率 | 总客运量 | 货运量(万吨) | 增长率 | 旅客周转量(万人Km) | 小汽车 | 增长率 | 总客运周转量 | 货运周转量(万吨Km) | 增长率 | 
| 2015 | 430.98 | 757.02 | 1.10 | 1188.00 | 141.89 | 21044.82 | 35732.67 | 1.10 | 56777.49 | 23481.12 | ||
| 2016 | 405.97 | 900.83 | 1.10 | 1306.80 | 125.75 | 24634.52 | 37820.72 | 1.10 | 62455.24 | 23637.44 | ||
| 2017 | 397.39 | 1027.02 | 1.09 | 1424.41 | 167.59 | 25130.31 | 42945.90 | 1.09 | 68076.21 | 27869.25 | ||
| 2018 | 322.23 | 1230.38 | 1.09 | 1552.61 | 185.61 | 21170.02 | 53033.05 | 1.09 | 74203.07 | 31749.6 | ||
| 2019 | 262.22 | 1430.12 | 1.09 | 1692.34 | 203.801 | 18634.428 | 62246.92 | 1.09 | 80881.35 | 33530.364 | ||
| 2020 | 256.98 | 1570.75 | 1.08 | 1827.73 | 216.03 | 1.06 | 18261.74 | 69090.11 | 1.08 | 87351.85 | 35542.19 | 1.06 | 
| 2021 | 251.84 | 1722.11 | 1.08 | 1973.95 | 228.99 | 1.06 | 17896.50 | 76443.50 | 1.08 | 94340.00 | 37674.72 | 1.06 | 
| 2022 | 246.80 | 1885.06 | 1.08 | 2131.87 | 242.73 | 1.06 | 17538.57 | 84348.63 | 1.08 | 101887.20 | 39935.20 | 1.06 | 
| 2023 | 241.87 | 2060.55 | 1.08 | 2302.42 | 254.87 | 1.05 | 17187.80 | 92850.37 | 1.08 | 110038.18 | 41931.96 | 1.05 | 
| 2024 | 237.03 | 2249.58 | 1.08 | 2486.61 | 267.61 | 1.05 | 16844.05 | 101997.19 | 1.08 | 118841.23 | 44028.56 | 1.05 | 
| 2025 | 232.29 | 2453.25 | 1.08 | 2685.54 | 280.99 | 1.05 | 16507.17 | 111841.36 | 1.08 | 128348.53 | 46229.99 | 1.05 | 
| 2026 | 229.97 | 2616.70 | 1.06 | 2846.67 | 295.04 | 1.05 | 16342.09 | 119707.35 | 1.06 | 136049.44 | 48541.49 | 1.05 | 
| 2027 | 227.67 | 2789.80 | 1.06 | 3017.47 | 309.79 | 1.05 | 16178.67 | 128033.74 | 1.06 | 144212.41 | 50968.56 | 1.05 | 
| 2028 | 225.39 | 2973.13 | 1.06 | 3198.52 | 325.28 | 1.05 | 16016.89 | 136848.27 | 1.06 | 152865.15 | 53516.99 | 1.05 | 
| 2029 | 223.14 | 3167.29 | 1.06 | 3390.43 | 341.55 | 1.05 | 15856.72 | 146180.35 | 1.06 | 162037.06 | 56192.84 | 1.05 | 
| 2030 | 220.90 | 3372.95 | 1.06 | 3593.85 | 358.62 | 1.05 | 15698.15 | 156061.14 | 1.06 | 171759.29 | 59002.48 | 1.05 | 
| 2031 | 219.80 | 3553.75 | 1.05 | 3773.55 | 376.55 | 1.05 | 15619.66 | 164727.59 | 1.05 | 180347.25 | 61952.60 | 1.05 | 
| 2032 | 218.70 | 3743.52 | 1.05 | 3962.22 | 395.38 | 1.05 | 15541.56 | 173823.05 | 1.05 | 189364.61 | 65050.23 | 1.05 | 
| 2033 | 217.61 | 3942.73 | 1.05 | 4160.34 | 415.15 | 1.05 | 15463.85 | 183368.99 | 1.05 | 198832.84 | 68302.74 | 1.05 | 
| 2034 | 216.52 | 4151.83 | 1.05 | 4368.35 | 435.91 | 1.05 | 15386.53 | 193387.95 | 1.05 | 208774.49 | 71717.88 | 1.05 | 
| 2035 | 215.87 | 4283.53 | 1.03 | 4499.40 | 448.99 | 1.03 | 15340.37 | 199697.35 | 1.03 | 215037.72 | 73869.42 | 1.03 | 
表6—12铁路客货运量预测表
| 年份 | 客运量(万人次) | 增长率 | 货运量(万吨) | 增长率 | 旅客周转量(万人Km) | 增长率 | 货运周转量(万吨Km) | 增长率 | 
| 2026 | 142.33 | 1.06 | 206.53 | 1.05 | 28466.69 | 1.06 | 51632.02 | 1.05 | 
| 2027 | 150.87 | 1.06 | 216.85 | 1.05 | 30174.69 | 1.06 | 54213.63 | 1.05 | 
| 2028 | 159.93 | 1.06 | 227.70 | 1.05 | 31985.18 | 1.06 | 56924.31 | 1.05 | 
| 2029 | 169.52 | 1.06 | 239.08 | 1.05 | 33904.29 | 1.06 | 59770.52 | 1.05 | 
| 2030 | 179.69 | 1.06 | 251.04 | 1.05 | 35938.54 | 1.06 | 62759.05 | 1.05 | 
| 2031 | 188.68 | 1.05 | 263.59 | 1.05 | 37735.47 | 1.05 | 65897.00 | 1.05 | 
| 2032 | 198.11 | 1.05 | 276.77 | 1.05 | 39622.24 | 1.05 | 69191.85 | 1.05 | 
| 2033 | 208.02 | 1.05 | 290.61 | 1.05 | 41603.36 | 1.05 | 72651.44 | 1.05 | 
| 2034 | 218.42 | 1.05 | 305.14 | 1.05 | 43683.52 | 1.05 | 76284.02 | 1.05 | 
| 2035 | 224.97 | 1.03 | 314.29 | 1.03 | 44994.03 | 1.03 | 78572.54 | 1.03 | 
表6—13水运客货运量预测表
| 年份 | 客运量(万人次) | 增长率 | 货运量(万吨) | 增长率 | 旅客周转量(万人Km) | 增长率 | 货运周转量(万吨Km) | 增长率 | 
| 2026 | 11.39 | 1.06 | 118.02 | 1.05 | 398.53 | 1.06 | 8261.12 | 1.05 | 
| 2027 | 12.07 | 1.06 | 123.92 | 1.05 | 422.45 | 1.06 | 8674.18 | 1.05 | 
| 2028 | 12.79 | 1.06 | 130.11 | 1.05 | 447.79 | 1.06 | 9107.89 | 1.05 | 
| 2029 | 13.56 | 1.06 | 136.62 | 1.05 | 474.66 | 1.06 | 9563.28 | 1.05 | 
| 2030 | 14.38 | 1.06 | 143.45 | 1.05 | 503.14 | 1.06 | 10041.45 | 1.05 | 
| 2031 | 15.09 | 1.05 | 150.62 | 1.05 | 528.30 | 1.05 | 10543.52 | 1.05 | 
| 2032 | 15.85 | 1.05 | 158.15 | 1.05 | 554.71 | 1.05 | 11070.70 | 1.05 | 
| 2033 | 16.64 | 1.05 | 166.06 | 1.05 | 582.45 | 1.05 | 11624.23 | 1.05 | 
| 2034 | 17.47 | 1.05 | 174.36 | 1.05 | 611.57 | 1.05 | 12205.44 | 1.05 | 
| 2035 | 18.00 | 1.03 | 179.59 | 1.03 | 629.92 | 1.03 | 12571.61 | 1.03 | 
表6—14航空客货运量预测表
| 年份 | 客运量(万人次) | 增长率 | 货运量(万吨) | 增长率 | 旅客周转量(万人Km) | 增长率 | 货运周转量(万吨Km) | 增长率 | 
| 2026 | 1.71 | 1.06 | 0.15 | 1.05 | 512.40 | 1.06 | 44.26 | 1.05 | 
| 2027 | 1.81 | 1.06 | 0.15 | 1.05 | 543.14 | 1.06 | 46.47 | 1.05 | 
| 2028 | 1.92 | 1.06 | 0.16 | 1.05 | 575.73 | 1.06 | 48.79 | 1.05 | 
| 2029 | 2.03 | 1.06 | 0.17 | 1.05 | 610.28 | 1.06 | 51.23 | 1.05 | 
| 2030 | 2.16 | 1.06 | 0.18 | 1.05 | 646.89 | 1.06 | 53.79 | 1.05 | 
| 2031 | 2.26 | 1.05 | 0.19 | 1.05 | 679.24 | 1.05 | 56.48 | 1.05 | 
| 2032 | 2.38 | 1.05 | 0.20 | 1.05 | 713.20 | 1.05 | 59.31 | 1.05 | 
| 2033 | 2.50 | 1.05 | 0.21 | 1.05 | 748.86 | 1.05 | 62.27 | 1.05 | 
| 2034 | 2.62 | 1.05 | 0.22 | 1.05 | 786.30 | 1.05 | 65.39 | 1.05 | 
| 2035 | 2.70 | 1.03 | 0.22 | 1.03 | 809.89 | 1.03 | 67.35 | 1.03 | 
(一)成昆高铁过境综合运输通道
成都至昆明的高速铁路(客运专线)已经纳入国家《中长期铁路网规划》,规划时速350公里。成昆高铁是滇中城市群经攀西地区连接成渝城市群的高速铁路通道,也是京昆通道的重要组成部分,其中云南段自四川省攀枝花市引出,向南进入云南省,经永仁县、元谋县、武定县、富民县后引入昆明枢纽昆明西站。新建正线长度约185km,桥隧比约90%,建成后成都至昆明两地间的时空距离将由现在的18小时缩短至3小时内。武定县正处于成昆高铁综合运输通道的节点上,高速铁路的建成将对武定交通发展产生重大影响。

 
 
图7—1成昆高铁运输通道
成昆高铁将对昆明、楚雄形成时空收缩效应,并对区域经济总量方面产生的直接影响。随着高速铁路的建设和投运,其沿线各个不同区域之间产生了畅通的交通运输渠道,通达率、空间相互引力的提升会诱发时空收缩效应的形成。对于高速铁路所在位置的各个沿线城市而言,时空收缩效应会形成新的经济增长极,这都种作用主要是针对高速铁路沿线的中心城市而言的。相对于沿线位置的其他城市而言,交通运输的暂停、乘客的游玩选择等因素更加倾向于中心城市,当中心城市的经济发展至一定水平时,其会对周边城市产生延伸性、扩展性影响。
(二)滇中城市群点阵联动通道
滇中城市群是国家重点培育的19个城市群之一,是全国“两横三纵”城镇化战略格局的重要组成部分和西部大开发的重点地带,位于“一带一路”和长江经济带的交汇区域.范围包括昆明、曲靖、玉溪、楚雄4个州市及红河州北部的个旧、开远、蒙自、建水、石屏、弥勒、沪西7个县市,自然环境优美、生态环境良好、高原特色鲜明、民族团结和睦、民俗文化浓郁、产业发展度高,具备打造区域性国际城市群的优良条件。滇中城市群建设对于加快城市化进程、加强基础设施建设、加速产城融合发展、加大生态建设力度有着积极作用。

 
 
图7—2滇中城市群远期2050年空间结构图
2050年滇中城市群将形成“一主四副,轴向对接,点阵联动”的空间格局。
一主四副:以昆明为中心80公里半径内城镇为支撑,构建昆明都市区,形成滇中城市群发展的核心。分别构建曲靖城市、玉溪城市、楚雄城市、蒙自城市,形成滇中城市群次核心,总体形成“核心引领、互为支撑”的空间格局。
轴向对接:对接国家及云南省新型城镇化战略,依托交通运输网络,培育形成两条区域发展主轴。打造连接珠三角—滇中—南亚的“中国—南亚”发展轴,连接长三角—滇中—东南亚的“中国—东南亚”发展轴。
点阵联动:依托公路、轨道、航空三位一体交通网络,在山水格局中有序强化滇中城市群各级城镇点阵联动发展,促进综合交通建设、特色产业发展、生态环境保护等一体化进程。
武定县正处于昆明—武定—元谋—永仁—攀枝花对接成渝城市群对接丝绸之路经济带的重要节点上,综合交通运输体系建设应与滇中城市群协调发展。
(三)金沙江航运通道
金沙江为长江干流的延伸,由于向家坝、溪洛渡、白鹤滩、乌东德等水电设施的建设,形成了金沙江下游长达720多公里的库区通航水域,同时这些大坝也成为影响航运的碍航设施。金沙江腹地资源丰富,水路运输需求旺盛,为满足腹地运输需求,建设翻坝运输成为贯通金沙江航运的主要手段。
对于金沙江航运而言,上游基本上是以库区航运为主;中游除了库区航运,应该还会有部分坝间(一级)翻坝运输量;下游不仅有库区和一级翻坝运量,还有大量的多级翻坝运量。目前,金沙江下游梯级均已进入开发阶段,预计2020年能够全面建成,届时不仅形成了700多公里的优良水域,腹地经济和资源开发也将达到相当规模,运输需求将更加旺盛。金沙江货运量将会形成跳跃增长的态势;之后,将进入平稳发展时期。据此预测,2020年、2030年金沙江货物运输量分别为1530万吨和2870万吨;2012—2020年的年均增速将达到21.8%,比2006—2012年的年均增速增加了10个百分点;2020—2030年的年均增速将达到6.5%。

 
 
图7—3 金沙江航运通道图
(一)公路路网布局原则
公路路网布局,就是按照保证有效连通,满足运输需求的要求,采用一定的方法进行路网中路线走向的安排和地位、功能的确定。
武定县公路路网布局的原则,主要立足本县的实际情况,因地制宜,合理选择路线的主要控制点,使之与国道、省道、县道主干线规划相协调,与全县国土规划相吻合,与生产力布局及社会经济发展战略相适应。从全县经济和社会发展的需要出发,遵循远近结合,新建与改建结合,经济开发与环境保护相结合,需要与可能相结合,科学的对全县公路路网布局规划。
(二)公路路网布局方法
本次公路网规划着重强调区域公路网的连通性,因此在规划中,应用的是以点带面逐层铺开的思想。首先,以规划区各节点的社会经济交通现状为背景,预测规划年的社会经济及交通状况;其次,应用节点连通度法,确定路网的总体规模;最后,用节点重要度法计算各节点的重要程度,以此为基础计算节点间线路的重要度,确定路网的规划布局。在应用过程中利用抽象网络图模拟实际公路网,将规划布局中需要连通的社会经济集散地区抽象为一个节点,节点间的公路为边线,由节点和表示边线基本走向的线条组成抽象网络图。每个节点代表相应的子区域,假定该子区域的交通集中在该节点上,并由该节点辐射到整个区域的面上。
本次规划采用节点作为公路网规划的控制点,为路线的确定提供一定依据,节点的选择直接关系到公路网规划层次的划分及区域公路建设的发展方向。在规划中综合考虑了规划区的地域特点和经济发展要求,结合公路网的特征、地位或层次作用以及发展的战略目标,确定的路网节点有乡镇(行政村)节点、旅游节点、运输枢纽节点、矿产节点、通道口岸节点、港口码头节点,另外考虑未来发展产生的节点。
(三)公路网发展规模预测
公路网发展规模预测是公路建设前期工作的重要组成部分。它集宏观性、前瞻性、战略性、广泛性于一体,于长远发展布局规划,是制定中长期建设规划,编制十年计划,选择建设项目的重要依据,是确保公路布局合理,建设有序并协调发展防止建设布局随意性、盲目性的重要手段。
1.路网总里程
本规划力求与区域内同期社会、经济发展趋势和方向相统一,并尽可能与全县发展要求相适应,即在研究、预测未来发展基础上,使本规划适应区域内社会经济的发展,实现全县的发展战略目标。
根据武定县经济的发展需求与可能,结合地理、自然条件和现有公路状况、资金筹措能力等因素,本次规划采用节点连通度法和国土系数法计算路网总里程,同时在现有公路网的基础上,通过对比具有相似地形、地貌和乡(镇)、行政村布局、发达地区县乡公路密度,结合对本地区域内社会经济发展水平预测确定公路网发展规模。
(1)节点连通度法
节点连通度法的理论依据是网络几何学,主要反映路网与社会经济网络中各节点的连接程度。该方法考虑规划区的面积、人口、城镇分布等因素与路网规模的关系,利用连通度值来体现社会、经济、交通对公路网规模的影响。该方法能反映公路网是否很好地连接网络各节点,充分满足农村公路网规划布局对路网内各节点连通性的要求。根据网络几何形状结构分析建立如下的模型:
L=C·ε·(A×N)1/2
式中:L——公路总里程,公里;
C——路网连通度;
N——规划区域内节点数;
A——规划区域面积,平方公里;
ε——路网变形系数。
根据武定县域人口分布及地形条件特点,确定如下技术参数:
①以县域内的11个乡镇的136个行政村(居委会)为主要节点;
②以现有及规划的1个港口、4个码头、1个机场为重要节点;
③以8个主要旅游景点、7个邻县乡镇和3个重要矿区为补充节点;
④路网连通度取值3.0以保证路网各个节点能较好地连通。
⑤路网变形系数的取值主要受规划区域地理条件的影响,武定县境内山峦重叠,溪流众多,山高谷深,南高北低,成为高山区、二半山区和江边河谷等多种地形,地貌属中低山、中切割地貌,地形较为复杂,因此路网变形系数取值较高,为2.2;
则公路总里程为:
L=C·ε·(A×N)1/2=3.0×2.2×(3322×157)1/2=4766公里
(2)国土系数法
国土系数法是基于区域公路网的合理长度与区域经济发展水平、人口及国土面积相关而建立的数学模型,计算公式如下:
L=K·(A×P)1/2
式中:L——公路总里程,公里;
K——经济发展水平系数;
P——规划区域内人口数,万人;
A——规划区域面积,平方公里;
公路网经济发展水平系数用人均国民生产总值的调查资料进行统计回归分析确定,武定县经济发展水平系数取12.5,规划区域内人口数为40万人,规划区域面积为3322平方公里,由此计算得公路总里程:
L=K·(A×P)1/2=12.5×(3322×40)1/2=4556公里
(3)公路总里程的确定
综合两种计算结果,并保持路网良好连通性和适度超前,充分发挥路网效能,考虑1.05—1.20的调整系数,最后确定辅助路网总里程为4900公里。除去已有公路3892公里,还需新建公路约1008公里(可根据实际情况调整)。
L总=α(L1 +L2)/2=1.05×(4766+4556)/2=4894≈4900公里
2.路网等级配置
本次规划干线路网主要采用高速、一级、二级等级公路,形成武定公路网络的骨架,以此辐射县域及周边,农村路网的主要层面是乡村公路,它是骨架路网的毛细血管,我国农村经济的具体情况决定了乡村级公路不可能也没有必要高等级化,以适宜为主。因此,武定县农村公路的建设以四级公路为主,干线路网采用高等级公路标准。
3.路网布局
干线路网采用系统分析的方法,结合地区经济发展、产业布局、矿产资源等总体规划,同时遵循楚雄州公路交通发展总体布局规划。本次干线路网规划主要考虑了如下因素:
(1)应连接县域下辖的11个乡镇及客运站;
(2)应连接现有及规划的5个水运港口、码头,1个机场;
(3)应连接8个主要旅游景区;
(4)应连接7个周边乡镇;
(5)应与县域内3个重要矿区相连接。
农村路网通常为树状结构,可采用最优树理论进行规划设计,获得最优树的方法有破圈法和避圈法。利用最优树法可以实现各节点的连通,又不构成回路,但如果已有的路网中存在了环路,则将环路抽象为集合节点。在路网的布局规划中主要采用节点和路段重要度来确定路网的层次和等级。
规划的主要路线如下:
(1)干线路网(六纵、六横、六连边、三联通):
第一纵 环州乡—猫街镇(法处)(73.66Km):
环州乡—五谷箐—他贞—拉务—三合—营盘—木高古—平地—白路镇—小黑箐—得胜田—法处;
第二纵 金沙江(白马口)—G108石蜡它岔口(67.64Km):
白马口—东坡乡—水口村—发古老—弯腰树—石蜡它岔口;
第三纵 金沙江(白马口)—禄丰界(秧草地)(84Km):
白马口(金沙江)—东坡乡—田心乡—高桥镇—猫街镇—秧草地(禄丰界);
第四纵 田心—禄丰界(秧草地)(92Km):
鸡街子—新村—安拉村—上沾良—乐茂河—栗园—高桥镇—猫街镇—百云庵—天生桥—龙庆关—秧草地;
第五纵 己衣(新民码头)—九厂(S215)(274.2Km):
新民码头(己衣乡)—团碑岔口—平山—马德平—团碑公路—大西邑—发窝乡—山品村—康照村—老木坝—插甸镇—长冲农场—九厂;
第五纵辅线 九厂—己衣一级公路130公里;
第六纵 武倘寻—武易高速(武定段)(30.9Km)。
小湾—多衣树—豺狗箐;
第一横 金沙江沿江公路(武定段)(38Km):
白马口码头—新民码头;
第二横 元谋县凉山界至禄劝县云龙界公路(113.33Km):
元谋县凉山界—五谷箐—环州乡—东坡乡—上村—田心乡—鸡街子—山品村—康照村—禄劝县云龙界公路;
第三横 元谋至东川高速公路(武定段)(42Km):
元谋凉山乡—拉务—沓南卧—麻栗树—鲁期—卡补(云龙界);
第四横 G108国道(武定段)(76.1Km):
上半坡—白路镇—石蜡它岔口—高桥镇—长冲农场—武定—木果甸;
第五横 S216(团山)—禄金(97.5Km):
S216(团山)—老者格村—三家村—汤郎—永泉—猫街镇—九厂—狮山沟—禄金;
第六横 G5京昆高速武定段(69Km)。
老者格村—猫街镇—武定—麻地箐;
六连边:(70Km)
第一连边(17Km):己衣镇—禄劝汤郎(界);
第二连边(12Km):环州乡五谷箐—元谋江边(界);
第三连边(3Km):发窝乡大西邑—禄劝云龙(界);
第四连边(14Km):插甸镇—禄劝茂山(界);
第五连边(7Km):白路镇—元谋凉山(界);
第六连边(17Km):(S215)狮山镇—元谋仁兴镇(界)。
三联通:(171Km)
第一联通(105Km):万德乡宜安拉—樟子树—金沙江;
第二联通(30Km):万德乡团碑—东坡勐果;
第三联通(36Km):田心乡河门口—环州乡雷应山电场。
以上干线路网总计1285.4公里,具体详见附表。
(2)农村路网:
农村路网以积极响应“乡村战略振兴”战略,贯彻落实习近平总书记对农村公路提出的重要指示精神为宗旨,贯彻落实《楚雄州人民政府关于加快推进“四好农村路”建设的实施意见》及相关配套文件。全力推进“建好、管好、护好、运营好”“四好农村路”建设,力争将武定县村组公路建设项目库纳入省厅规划,尽可能多的争取中央及省级补助资金。实施自然村组通达通畅工程,多种渠道积极筹集资金,争取国家及省级的大力支持优先启动重要路线、重点村组的公路的建设。
农村路网以干线路网为骨架,包括部分乡道、村道。农村路网以行政村为节点,路网形态为树状,主要解决群众的生产生活出行,满足通达要求。武定农村路网建设重点:建制村公路提升改造项目250公里四级公路提升改造;50户以上不搬迁自然村公路839公里自然村等外公路改扩建;自然村公路工程400公里自然村等外公路改扩建。
经统计计算到“十四五”末武定县农村公路可达3797公里。
 
 
图7—4 2035年武定县公路等级柱状图
 
 
图7—5 2035年武定县路面类型柱状图
(一)金沙江航道概述
金沙江为长江上游,流域位于青藏高原、云贵高原和四川盆地西部边缘,流经青、藏、川、滇四省区。干流自玉树直门达至宜宾河段,全长2326km,云南省境内干流长度1650km,多为川滇界河。金沙江沿线分布有众多的沿江城市,如沿江的攀枝花是攀西地区的重要工业城市、丽江是云南著名的旅游城市,另外沿江还分布有水富、绥江、永善、巧家、东川、永胜等重要县城。金沙江沿岸分布有众多的煤炭、磷矿、铁矿等矿产资源,在云南金沙江流域地区,依托其资源优势和现有产业经济基础,将建设发展成为滇中、滇东及滇西城市群的沿江特色产业开发带,使云南金沙江流域的优势资源向特色产业开发带的优势产业集聚。溪洛渡、白鹤滩、乌东德等金沙江下游梯级水电枢纽的建设,将形成通航条件优良的库区深水航道,再辅以翻坝运输或其它过坝通航措施,攀枝花以下可以实现全线通航,具备形成运输通道的条件。金沙江是云南省长江经济支撑带的内河水路运输通道,将承担起区域内煤炭、矿石、建筑材料、工农业产品等大宗散货的运输。
综上所述,云南金沙江攀枝花以下(元谋~水富)干流河段788km规划为重要航道。
(二)航道规划
根据《长江流域综合利用规划报告》,金沙江中下游规划有龙蟠、两家人、梨园、阿海、金安桥、龙开口、鲁地拉、观音岩、金沙、银江、乌东德、白鹤滩、溪洛渡、向家坝共14个梯级。金沙江中下游的分界点为流域重要的工业城市-攀枝花市。金沙江中游规划有10座水电枢纽,枢纽间距最小40km,最大不超过100km,枢纽数量多且间距较小,不宜采用翻坝沟通的方式。金沙江下游水电梯级开发自上而下分别为乌东德、白鹤滩、溪洛渡、向家坝枢纽,库区航道航道长度在156—204km之间,最大坝高在161—278m之间,如采用通航建筑物方案实现大坝上下游沟通非常困难,且投入巨大,经济方面难以承受。通过翻坝公路连接两端翻坝码头的方式实现航道的连通是可行的,可充分发挥航道较长距离的优越性,同时也存在翻坝技术经济合理性问题。攀枝花以下的各枢纽均规划翻坝转运系统,实现全河段的航道贯通。另外,从长远发展角度,随着旅游资源的开发和自驾游的逐步增多,翻坝码头也可以服务于客运滚装的发展要求。
综上所述,金沙江攀枝花以上河段规划为库区通航河段,库区航道均规划为四级航道;金沙江元谋以下至水富788km规划为三级航道,通过翻坝转运系统实现航道的贯通,乌东德库区航道具体规划方案为:乌东德库区航道+乌东德坝上翻坝码头+乌东德翻坝公路+乌东德坝下翻坝码头。武定港位于乌东德库区航道上游,港口的物流运输将融入金沙江—长江航道体系。
 
 
图7—6乌东德电站
(三)武定港布局
在港口码头布局规划中,主要考虑各种运输方式的合理分工,根据流域流经段内各码头所辐射和涵盖的乡镇经济发展,结合在规划期内这些站点的货物吞吐量预测值和货物种类,综合考虑库区建设对码头和停靠点的淹没情况,确定沿江港口码头泊位的布局规划范围。
1.港口布局原则
本次在对港口码头进行布局中,主要考虑了如下基本原则:
(1)适应流域内社会经济发展需要,与城镇规划和水运规划相结合,满足“十四五”期间武定县的社会经济发展需要,并适度超前;
(2)密切与各种运输方式的路网和主要企业所在地相结合;
(3)注重与公路、水运通道的布局规划相协调,从综合运输的角度考虑与其它运输方式的衔接;
(4)分析论证合理经济运距对港口货物通过量的吸引和辐射服务范围。
2.港口选址
根据《河港工程总体设计2006》:港址应符合国民经济发展和地区经济开发的需要,结合自然、社会、营运和建设等条件进行综合论证、比较确定;对适宜建港的水域、岸线及陆域应合理利用,按照深水深用的原则,优先考虑港口建设的需要,并应适当留有发展余地;港址应选在河势、河床及河岸稳定少变、水流平顺、水深适当、水域而积足够,并应具备船舶安全营运和锚泊条件的河段;港址宜具备良好的地质条件并充分考虑现有的及规划的水库、闸坝、桥梁和其他建筑物对河床冲淤和港区作业条件产生不利影响;港址选择应充分考虑港口对防洪、航行安全和河道治理等的影响,根据不同的河流类型进行河床演变分析或论证。
根据金沙江武定县境内自然条件、水运客货流量、流向预测分析,以及流域内航道现状及规划发展目标,结合建港依托城镇的条件,适宜建港口和码头的地段主要有白马口、五曲沟、下普利、热水塘、新民、万希德等地。初步选定东坡万希德做为武定港建设地点。

 
 
图7—7武定港建设地点图
3.吞吐量及货物种类的分析
根据水运运量预测可知,到2026年武定县水运客、货运量分别为11.38万人和118.01万吨,武定港未来的设计运量按照客运量大约20万人,货运量大约300万吨左右计算。
根据海事部门历年的统计,结合港口依托城镇的社会发展及自然资源的具体情况,确定 货物运输的货种主要有煤炭、粮食、家电、日用百货、木材、矿建材料、化肥及粮食加工的副产品。
表7—1金沙江流域武定县港口码头空间分布情况
| 序号 | 名称 | 地点 | 建设状况 | 备注 | 
| 1 | 武定港 | 万希德 | 规划/新建 | |
| 2 | 白马口码头 | 白马口 | 规划/新建 | |
| 3 | 五曲沟码头 | 五曲沟 | 规划/新建 | |
| 4 | 热水塘码头 | 热水塘 | 规划/新建 | |
| 5 | 新民码头 | 新民 | 规划/新建 | 
表7—2武定县港口码头客货运量分配
| 序号 | 名称 | 权重 | 客运量(万人) | 货运量(万吨) | 备注 | 
| 1 | 武定港 | 0.55 | 6.26 | 64.91 | |
| 2 | 白马口码头 | 0.15 | 1.71 | 17.70 | |
| 3 | 五曲沟码头 | 0.12 | 1.37 | 14.16 | |
| 4 | 热水塘码头 | 0.08 | 0.91 | 9.44 | |
| 5 | 新民码头 | 0.1 | 1.14 | 11.80 | |
| 6 | 合计 | 1 | 11.38 | 118.02 | 
4.船型及机型选择
按照《内河通航标准》(GB50139—2014)、《内河货运船舶船型主尺度系列》(JT/T447.1—447.3—2001)标准设立船舶主尺度,根据山区及渠化河流特点确定其它参数确定船舶机型。由于金沙江上游河流的特殊性,考虑到船舶航行的操纵性和一定的功率储备,加上货主对运输速度要求的逐渐提高,船舶功率的配备比平原地区运营的船舶高。
表7—3金沙江主要通航水域规划船型表
| 船 舶(金沙江) | 总长(m) | 型宽(m) | 吃水(m) | 功率(kw) | 备注 | 
| 1000吨级货船 | 74 | 12.8 | 2.4 | 2×250 | |
| 2000吨级货船 | 82 | 14.0 | 3.0 | 2×350 | 库区 | 
| 1000吨级集装箱船 | 75 | 13.0 | 2.0—2.6 | 2×350 | |
| 库区30车位滚装船 | 85 | 16.2 | 2.4 | 2×350 | 库区 | 
5.港口规模的确定
按照货种、船型,参照船舶平均到船率和泊位平均装卸能力来估算需要的泊位数,公式为:S=α·λ·T
式中:λ——日均到港船舶艘数(艘/日),λ=Q/(220ζ);
Q——单货类年吞吐量(吨);
ζ——船舶在本港平均装卸量(吨/艘);船舶平均装卸量系数取0.8,船舶满载按1000、500吨计算,ζ=800、400吨/艘;
T——单艘船平均占泊位时间(日/艘);T=ζ/R+TD+TF
R——泊位日装卸效率(吨/日),煤炭:500吨/日,粮食:400吨/日,矿建材料:500吨/日,件杂货:400吨/日;
TD——不能与装卸作业同时进行的辅助作业时间,取0.25日;
TF——非生产性停泊时间,取0.15日;
α——泊位系数,取1.2。
计算结果如下:
表7—4各码头、停靠点泊位数计算
| 序号 | 名称 | 计算参数 | 泊位(个) | ||||||||
| λ | Q | ζ | T | R | TD | TF | α | s | |||
| 1 | 武定港 | 2.95 | 649088 | 1000 | 1.4 | 1000 | 0.25 | 0.15 | 1.2 | 5.0 | 6 | 
| 2 | 白马口码头 | 1.34 | 177024 | 600 | 1 | 1000 | 0.25 | 0.15 | 1.2 | 1.6 | 2 | 
| 3 | 五曲沟码头 | 1.07 | 141619 | 600 | 1 | 1000 | 0.25 | 0.15 | 1.2 | 1.3 | 2 | 
| 4 | 热水塘码头 | 0.72 | 94413 | 600 | 1 | 1000 | 0.25 | 0.15 | 1.2 | 0.9 | 1 | 
| 5 | 新民码头 | 0.89 | 118016 | 600 | 1 | 1000 | 0.25 | 0.15 | 1.2 | 1.1 | 2 | 
| 6 | 合计 | 13 | |||||||||
 
 
图7—8武定港平面示意图
(一)铁路网布局规划
铁路网布局是指由线路、车站与枢纽所组成的铁路网在地域上的动态分布。铁路网布局必须协调其内部各个环节,组成高效安全的有机体系,从总体上满足社会经济发展和生产力布局提出的区内外联系的需要。布局研究内容包括新线的 走向和经路选择与现有线的改造方式,建设干支线相结合、网络通顺的铁路网系统,并使之不断改善与强化,以求得客货运输的经济性不断改善,送达速度逐步加快。铁路车站既是办理运营作业的基点,又是为地方服务办理客货运业务的基层单位,其布局既要适应各项铁路技术作业的要求,又要满足当前和远期地区经济发展的需要。在两条以上干线联结交汇处,由多种客运、货运、编组等专用站场和联络线组成的铁路枢纽,是铁路网的中枢坏节。它是车流和客货流的集散地,也是调节行车的基地,故枢纽合理布局是铁路布局的核心问题。主干铁路牵引动力类型的选择也是铁路网布局的内容。近代高速铁路的兴起为铁路网布局研究增添了新内容。国家间、区域间、城市间高速铁路布局的研究,是国土规划和社会经济发展规划的重要课题。
根据《云南省铁路“十四五”发展规划》(2022)及《滇中城市群规划2020—2050》,经过武定县的铁路主要有成都—昆明高速铁路客运专线、昆明—武定—元谋城际铁路、武定—寻甸城际铁路建设项目、楚雄—武定—会理高速铁路。
(二)武定县主要铁路路线
1.成昆高铁
成昆高铁是滇中城市群经攀西地区连接成渝城市群的高速铁路通道,也是京昆通道的重要组成部分,项目云南段自四川省攀枝花市引出,向南进入云南省,经永仁县、元谋县、武定县、富民县后引入昆明枢纽昆明西站。线路在设计中充分考虑了地方发展和经济效益,做到与城区、景区的良好衔接。成昆高铁横穿武定南部,途径白路镇、高桥镇、狮山镇,对武定的经济发展具有很大的带动作用。

 
 
图7—9成昆高铁路线图
2.滇中城际高铁
滇中城际高速铁路以云南昆明为放射中心,线路总长约400公里,距曲靖157公里、玉溪101公里、楚雄142公里,预计总投资520亿元。滇中城际高速铁路采用国内城际高铁建设中等标准建设,最高时速可达250公里。根据规划,滇中城际高速铁路还可逐步延伸到大理、红河、昭通,形成辐射全省的高速铁路网络。
 
 
图7—10滇中城际高铁路线图
(一)通用航空业发展的指导意见
通用航空业是以通用航空飞行活动为核心,涵盖通用航空器研发制造、市场运营、综合保障以及延伸服务等全产业链的战略性新兴产业体系,具有产业链条长、服务领域广、带动作用强等特点。2016年5月13日,国务院办公厅印发了《关于促进通用航空业发展的指导意见》,是在对通用航空业发展规律科学判断的基础上,立足国情、全面统筹、科学布局,对通用航空业与经济融合发展作出的总体谋划和系统部署,具有重大而深远的意义。
《意见》指出到2020年,建成500个以上通用机场,基本实现地级以上城市拥有通用机场或兼顾通用航空服务的运输机场,覆盖农产品主产区、主要林区、50%以上的5A级旅游景区。通用航空器达到5000架以上,年飞行量200万小时以上,培育一批具有市场竞争力的通用航空企业。通用航空器研发制造水平和自主化率有较大提升,国产通用航空器在通用航空机队中的比例明显提高。通用航空业经济规模超过1万亿元,初步形成安全、有序、协调的发展格局。
(二)武定通用航空规划
2010年《国务院 中央军委 关于推进低空空域管理改革的意见》对低空空域原则按照真高1000米的垂直范围提高到真高3000米以下。以往通用航空的转场飞行、作业飞行和相对大型的通用航空器经常需要使用真高1000米以上空域,在低空空域垂直范围提高后,大部分通用航空飞行可以满足在低空空域内飞行的条件。根据《云南省航空业发展规划(2018—2030)》武定将建设A3级通用机场,未来武定通用机场可以通航周边县市。
1.航线网络布局原则
航路网络布局规划需在保证航空运输安全的前提下,综合统筹平衡以兼顾多方用户的需求,从而充分利用空域资源,发挥航空运输高效快运优势。在对航路网络特性需求应遵循以下原则:
(1)架构由内而外,首先在重要城市之间建立网络,以此为航路网络布局基础像外围区域扩展,建立支线航线,包括过渡航路,甚至离场航线等;
(2)趋向避转,在保证空域容量的前提下,尽可能在起始城市之间设置直线航路,减少回转,降低航路网络运行成本;
(3)确保兼容,结合进出终端区过渡航路,将过渡航路作为航路网络规划的组成部分,从而保证航路网络和终端区衔接性与兼容性;
(4)减少交叉,为避免飞行冲突,航路网络布局规划中,应尽量减少航路或航线的交叉点,交通密度较大的区域更应避免多个交叉点的出现,交叉点不可避免的情况下应当通过飞行高度的配置减少交叉飞行的冲突;
(5)方便服务,航向的建设应权衡沿线地形、气象特征、空域结构等,充分利用地面导航设施;
(6)满足需求、符合标准,综合考虑军民空域用户的需求。
鉴于航路网络结构与扇区划设密切相关,因此,航路网络规划阶段,需要确保有合理的扇区划分方案。
2.通用航线布局
为促进省内主要城市之间航线网络化,在通用航线布局时应以营造安全航空环境,提升运行品质为目标,切实履行机场净空保护的主体责任,严格按照机场净空保护、电磁管理等相关规定进行航线布局,并依法实施监督管理。航线设计时遵循科学、合理、适用、环保的原则。合理规划航线布局,通用机场的服务功能各异,依据不同的服务功能确定航线。航线影响着航班计划、运力配置、机组排版等诸多方面,科学的航线布局为仅就的整体运营搭建起了基本框架。因此布局的合理与否将直接影响整个航线规划的运营以及交通流的安全性、高效性和经济性。优化航线网络布局,能够有效的增大空中交通容量、提高运行效率以减少能源消耗、有效利用空域资源、减轻空中管制的工作负荷以及提高飞行安全水平。通用航空公务服务半径一般可考虑100公里左右,中长程商务飞行服务半径一般在300—500公里内。

 
 
图7—11武定通用机场区域位置示意图
(三)武定通用机场布局
1.通用机场选址
通用机场位置应符合全国通用机场布局规划和当地城市或城镇规划,或不与上述规划相冲突。用机场的选址应充分考虑下列因素的影响:空中禁区、飞行限制区、军航使用空域、气象条件、电磁环境复杂区域、鸟类栖息地及迁徙路径经由地、航空障碍物、噪音敏感区域、地面易燃易爆设施、建设条件、土地利用、周边配套设施、机场规模及功能的扩展、邻近机场、其它不适合开展通用航空活动的因素。
结合以上原则,武定通用机场可考虑选址在狮山镇磨盘山。
2.通用机场航空服务量预测
根据武定产业规划,武定通用机场可用于农业、林业的作业飞行,以及旅游产业、医疗卫生、抢险救灾、气象探测等飞行活动的民用航空器提供起飞降落的服务。由于新建机场没有历史统计数据,所以参照与武定通用机场地理位置、人口数、产业结构、气候条件等多方面类似的黄平旧州通用机场进行相关数据的预测。
(1)公务航空服务需求预测
近期按高峰小时2架次考虑,日均起降量按4架次考虑;远期高峰小时按4架次,日均起降量按8架次考虑。
表7—5近、远期飞机起降架次预测
| 起降量(架次) | 年起降量 | 日均起降量 | 高峰日起降量 | 高峰小时起降量 | 
| 2021—2025近期 | 1460 | 4 | 6 | 2 | 
| 2026—2035远期 | 2920 | 8 | 12 | 4 | 
(2)机型分析
机型参照香河通用机场可选择为DA42、塞斯纳—208、G450等机型。平均载客数按8—12人考虑。
表7—6机型分析表
| 序号 | 机型 | 客座数 | 备注 | 
| 1 | DA42 | 4 | |
| 2 | 塞斯纳—208 | 14 | |
| 3 | 空中国王C90GTi | 8 | |
| 4 | Y—12 | 17 | |
| 5 | G450 | 16 | 
(3)公务旅客吞吐量预测
表7—7公务旅客吞吐量预测
| 阶段 | 年旅客吞吐量(人) | 日均旅客吞吐量(人) | 
| 2021—2025近期 | 17520 | 48 | 
| 2026—2035远期 | 35040 | 96 | 
(4)飞机起降架次预测
由于武定通用机场除公务航空服务外,将为社会公众提供私用驾驶执照培训、航空运动飞行训练、航空应急救援等服务。除飞行培训外,其余飞行量占一定比重。根据所收集到的数据初步估算近期日均起降量为10架次/年;远期日均起降量为20架次。据此预测近、远期飞机起降量如下:
表7—8飞机年平均起降量预测
| 飞行项目 | 近期(2021—2025) | 远期(2025—2035) | 
| 公务机起降架次 | 1460 | 2920 | 
| 通航作业架次 | 730 | 1460 | 
| 航空飞行运动架次 | 3650 | 7300 | 
| 飞行培训教学架次 | 3650 | 7300 | 
| 合计 | 9490 | 18980 | 
3.通用机场建设规模
根据《通用机场建设规范(2012)》,机场设施包括飞行场地、机场空中交通管制设施、服务及保障设施等,“十四五”期间武定机场可考虑2000亩土地用于机场建设,其他设施参数预测如下。
(1)办公航站楼面积
结合通用航通机场建设相关规定,并考虑旅客、私人飞行员等候的舒适性需求,按照人均面积15m2确定。近、远期办公航站楼规模确定如下:
表7—9办公航站楼面积表
| 阶段 | 高峰小时旅客数(人次) | 总面积(m2) | 
| 近期(2021—2025) | 24 | 360 | 
| 远期(2026—2035) | 48 | 720 | 
(2)停车场面积
机场所有旅客乘坐汽车离进场,主要以小汽车为主,并考虑道内部人员的停车使用。具体预测结果如下:
表7—10停车场面积
| 阶段 | 车位数(个) | 每车位面积(m2) | 停车场面积(m2) | 
| 近期(2021—2025) | 50 | 35 | 1750 | 
| 远期(2026—2035) | 100 | 35 | 3500 | 
(3)停机坪机位数
根据起降量预测,为保证高峰小时飞机停靠需求,并考虑其他长期停放的机位使用要求。估算得到各阶段停机坪机位数预测结果如下:
表7—11停机坪机位数
| 机位数(个) | 近期(2021—2025) | 远期(2026—2035) | 
| 公务机位 | 2 | 3 | 
| 作业机位 | 1 | 2 | 
| 运动机位 | 2 | 4 | 
| 其他机位 | 2 | 4 | 
| 合计 | 7 | 13 | 
 
 
图7—12武定通用机场位置选址平面图
 
 
图7—13武定通用机场平面布置图
第一阶段:2021—2025(“十四五”期间)
1.建设以武定至禄丰至双柏高速公路、武倘寻—武易高速(武定段)、元武高速、武昆高速为骨架,以长冲至己衣二级公路、白路至环州、樟子树至万德、沙拉箐至东坡提升改造项目为中枢,农村四级公路为毛细的多层次、结构合理的绿色公路路网体系。
到2025年,基本形成综合立体交通网(2021—2035)干线公路路网部分框架,完成“六纵、六横、六连边、三联通”干线公路路网中的“第一纵(部分)、第二纵(部分)、第三纵(部分)、第五纵(部分)、第六纵(已建)、第六横(已建)” 第一联通(部分),公路总体里程达到4222.1km(已建高速公路94.9km,新建高速公路24km,已建国道(三级公路)76.1km,已建省道(四级公路)17km,改建四级公路129km,改造农村公路1356.7km,既有农村公路2524.4 km)。
表7—12“十四五”综合立体交通网干线公路路网建设
| 序号 | 路 网 | 等级 | 里程(Km) | |
| 1 | 第三纵南段 | 武定至禄丰至双柏高速公路武定段 | 高速 | 24 | 
| 2 | 第一纵(部分) | 白路至环州公路提升改造项目 | 四级 | 52 | 
| 3 | 第一联通(部分) | 樟子树至万德提升改造项目 | 四级 | 20 | 
| 4 | 第二纵(部分) | 沙拉箐至东坡提升改造项目 | 四级 | 57 | 
| 5 | ||||
| 6 | 总计 | 153 | ||
2.打通云南金沙江武定段重要航道(III级航道),建设区域性港口武定港,形成金沙江—长江经济支撑带通道。
表7—13“十四五”港及航道建设
| 序号 | 航道/港口名称 | 起讫点 | 规模 | 规划等级 | 备注 | 
| 1 | 金沙江(武定段) | 白马口—新民 | 38km | III级 | |
| 2 | 武定港 | 东坡万希德 | 120亩/每年100万吨/20万人次 | 区域性 | 前期工作 | 
| 3 | 南岸码头 | 新民、五曲沟、热水塘、白马口 | |||
| 4 | 合计 | 
3.谋划成昆高速铁路(武定段)、滇中城市群环线铁路(武定段)等项目,形成高效、先进、快捷、准点、低碳的铁路网体系。
表7—14“十四五”铁路项目建设
| 序号 | 项目名称 | 里程(Km) | 技术标准 | 备注 | 
| 1 | 成都至昆明高速铁路(武定段) | 58 | 350km/h | 前期工作 | 
| 2 | 滇中城市群环线铁路(武定段) | 20 | 200km/h | 前期工作 | 
| 3 | 昆明至武定至元谋城际铁路(武定段) | 60 | 200km/h | 前期工作 | 
| 4 | 楚雄至武定至会理高速铁路(武定段) | 85 | 250km/h | 前期工作 | 
| 5 | 合计 | 223 | 
4.筹划A3级武定通用机场,完善云南省航空网络体系,引导武定通用航空产业跨越式发展。
表7—15“十四五”通用机场建设
| 序号 | 名称 | 等级 | 规模 | 选址 | 备注 | 
| 1 | 武定通用机场 | A3 | 5000亩 | 狮山镇 | 前期工作 | 
5.提升改造乡镇四级客运站,建设行政村招呼站,构筑多功能、一体化的城乡客运体系。
表7—16“十四五”城乡客货运体系建设
| 序号 | 名称 | 等级 | 规模 | 位置 | 备注 | 
| 1 | 禄武客运枢纽站 | 综合二级 | 500亩 | 木果甸 | |
| 2 | 等级站提升 | 四级 | 东坡乡、猫街镇、插甸镇、高桥镇 | ||
| 3 | 武定县公交运营配套设施建设 | 大于4000人的行政村 | |||
| 4 | 武定县货运站建设项目 | 狮山镇 | |||
| 5 | 合计 | 
6.统筹狮山综合物流中心、禄金工业物流中心、长冲石材物流中心、木果甸汽车商贸物流中心、九厂综合物流城、狮山现代物流综合服务信息平台,建设多式联运货运集疏运体系。
7.整合邮政网络资源,促进农村电商邮政寄递网建设,充分运用社会资源,整合村邮站、邮政三农服务站、便民服务站等服务设施,叠加服务功能,推动建立邮政综合服务平台。
第二阶段:2026—2035(中长期)
1.建设以武定至会理高速公路、元谋至东川高速公路(武定段)、九厂—己衣一级公路、金沙江南岸沿江一级公路(武定段)为骨架,以环州乡—猫街镇(法处)、金沙江(白马口)—G108石蜡它岔口、田心—禄丰界(秧草地)、G108国道(武定段)、S216(团山)—禄金、田心乡河门口—环州乡雷应山电场、己衣镇—禄劝汤郎(界)、环州乡五谷箐—元谋江边(界)、发窝乡大西邑—禄劝云龙(界)、插甸镇—禄劝茂山(界)、白路镇—元谋凉山乡、狮山镇—元谋仁兴镇(界)二级公路为中枢,农村四级公路为毛细的多层次、结构合理的绿色公路路网体系。
到2035年,建成综合立体交通网(2021—2035)干线公路路网,完善“六纵、六横、六连边、三联通”干线公路路网中的其他路网,公路总体里程达到5082.4km(高速公路225.9km,一级公路185Km、二级公路874.5km,改造农村四级公路3797km)。
表7—17中长期综合立体交通网(2026—2035)干线公路路网
| 序号 | 路 网 | 等级 | 里程(Km) | |
| 一 | 六纵 | |||
| 第一纵 | 环州乡—猫街镇(法处) | 二级 | 73.66 | |
| 第二纵 | 金沙江(白马口)—G108石蜡它岔口 | 二级 | 67.64 | |
| 第三纵北 | 武定至会理高速公路 | 高速 | 60 | |
| 第四纵 | 田心—禄丰界(秧草地) | 二级 | 92 | |
| 第五纵 (部分) | 新民码头—S215(九厂) | 二级 | 37 | |
| 第五纵(复线) | 九厂至己衣 | 一级 | 130 | |
| 二 | 六横 | |||
| 第一横 | 金沙江沿江公路(武定段) | 一级 | 38 | |
| 第二横 | 元谋凉山界至禄劝县云龙界公路 | 二级 | 113.33 | |
| 第三横 | 元谋至东川高速公路(武定段) | 高速 | 42 | |
| 第四横 | G108国道(武定段) | 二级 | 76.1 | |
| 第五横 | S216(团山)—禄金 | 二级 | 90 | |
| 第六横 | G5京昆高速武定县城段改线工程 | 高速 | 5 | |
| 三 | 三联通 | |||
| 第一联通 | 万德镇樟子树—金沙江 | 四级及以上 | 105 | |
| 第二联通 | 万德镇团碑—东坡勐果 | 四级及以上 | 30 | |
| 第三联通 | 田心乡河门口—环州乡雷应山电场 | 四级及以上 | 36 | |
| 四 | 四连边 | |||
| 第一连边 | 己衣镇—禄劝汤郎(界) | 四级及以上 | 17 | |
| 第二连边 | 环州乡五谷箐—元谋江边(界) | 四级及以上 | 12 | |
| 第三连边 | 发窝乡大西邑—禄劝云龙(界) | 四级及以上 | 3 | |
| 第四连边 | 插甸镇—禄劝茂山(界) | 四级及以上 | 14 | |
| 第五连边 | 白路镇—元谋凉山乡(界) | 四级及以上 | 7 | |
| 第六连边 | S215倘甸至新平(武定段) | 一级 | 17 | |
| 五 | 总计 | 1065.73 | ||
2.高速公路交通基础设施智能化改造,建成智能高速公路。主要包括交通信息互操作、交通运行监管与协调、大型交通枢纽协同运行、车联网与智能车路协同、联程联运智能化、区域综合运输服务和基础设施全寿命周期安全检测技术及装备、路基、路面内部状况快速无损检测技术与装备、桥梁隧道结构高精度量化无损检测技术及装备、公路路面快速再生技术与智能化装备等。
表7—18中长期智能高速公路建设
| 序号 | 项目名称 | 里程(Km) | 技术标准 | 备注 | 
| 1 | 高速公路智能化改造 | 225.9 | 智能化 | 
3.二级公路拓宽改造、智能化改造,建成智能二级公路。主要包括交通基础设施扩容改建、交通智能设施设备装备、公路养护检测成套技术装备等。
表7—19中长期智能二级公路建设
| 序号 | 项目名称 | 里程(Km) | 技术标准 | 备注 | 
| 1 | 二级公路智能化改造 | 874.5 | 智能化 | 
4.建设铁路路网和站点枢纽,形成高效、先进、快捷、准点、低碳的铁路网体系。
表7—20中长期铁路网项目建设
| 序号 | 项目名称 | 里程(Km) | 技术标准 | 备注 | 
| 1 | 成都至昆明高速铁路(武定段) | 58 | 350km/h | |
| 2 | 武定—寻甸城际铁路(武定段) | 20 | 160km/h | |
| 3 | 昆明至武定至元谋城际铁路(武定段) | 60 | 200km/h | |
| 4 | 楚雄至武定至会理高速铁路(武定段) | 85 | 250km/h | |
| 5 | 武定高铁站片区综合开发项目 | 1000亩 | ||
| 6 | 合计 | 223 | 
5.建设智能港口,打造武定港为区域性交通枢纽港。
表7—21中长期港区域性交通枢纽港建设
| 序号 | 航道/港口名称 | 内容 | 规模 | 备注 | 
| 1 | 武定港 | 智能集成化改造 | 300亩/每年300万吨/50万人次 | 
6.依托武定通用机场,做大做强武定通用航空产业,建设武定航空产业基地。主要服务于抢险救灾、医疗救护、农林作业、能源建设、国土及地质资源勘查、环境监测、通信中继等领域。
表7—22中长期航空产业基地建设
| 序号 | 名称 | 规模 | 选址 | 备注 | 
| 1 | 武定航空产业园区 | 1000亩 | 狮山镇 | 
7.建设武(定)禄(劝)二级铁路综合客运枢纽站和武(定)禄(劝)二级汽车综合客运枢纽站,构筑多层级、一体化的综合交通枢纽体系。
表7—23中长期交通枢纽建设
| 序号 | 名称 | 等级 | 规模 | 位置 | 备注 | 
| 1 | 武(定)禄(劝)火车站 | 二级综合客运枢纽 | 300亩 | 木果甸 | |
| 2 | 武(定)禄(劝)枢纽站 | 二级综合客运枢纽 | 100亩 | 木果甸 | 
8.提升整合武定物流中心,建设以智慧物流为模式的多式联运枢纽,形成货运枢纽场站集疏运体系。全面配套先进的智能交通装备及成套技术装备,实现智慧物流。
表7—24中长期货运枢纽场站集疏运建设
| 序号 | 名称 | 内容 | 位置 | 备注 | 
| 1 | 智慧物流枢纽 | 引进成套先进设备6套 | 狮山镇 | 
9.创新一套与武定综合交通运输体系相适应的一体化管理模式。
10.建设一支敬业爱岗、创新奉献、专业精良的交通人才队伍。
客运枢纽是旅客运输网络中的中心环节和重要部分,用于实现不同客运路线间的衔接,以满足旅客出行中转和换乘的需要。客运枢纽是位于客运网络的重要衔接的多种客运方式或多条客运线路相交汇形成,具有运输组织、中转换乘、行包托运、信息咨询、其他辅助等功能,由固定设施设备所组成的场所。“十四五”及中长期,武定将依托铁路网、城市一体化进程,建设由铁路和公路主导的武(定)禄(劝)二级综合客运枢纽站。
(一)枢纽布局及功能定位
1.枢纽布局
根据《云南省中长期及“十三五”铁路网规划》,云南省将形成“八出省,五出境”铁路通道。在“八出省、五出境”铁路主骨架网框架下,形成“三横四纵”云南铁路网络化格局,完善铁路枢纽、节点建设,大力发展城际高铁。
成昆高铁(包括昆明—元谋城际高铁),曲靖—武定城际高铁将汇于武定禄劝两县,将打通“成都经滇中地区到滇南客货运通道”,实现滇中城市群快速连通。武定县作为两条铁路线的一个重要节点,火车客运站点的设置将是武定与滇中地区及更大区域联系的重要对外交通设施。
考虑武定县与禄劝县地理区位、铁路线的规划布局及未来两县城市空间布局的发展,在两县之间建设高铁客运站是较优布局方案,联系未来两县城市发展及出行需求,应建成铁路(高铁)—公路主导型综合客运枢纽。
 
 
图8—1武(定)禄(劝)高铁站平面示意图
2.功能定位
小城市高铁站区一般有三种发展模式,不同的发展模式关系到不同的站区的功能定位,武(定)禄(劝)高铁站客运枢纽应定位为承担两县内外客运衔接的交通枢纽型站区。
表8—1小城市高铁站发展模式
| 项目 | 近郊高铁组团 | 近郊高铁新区 | 独立卫星城 | 
| 与城区位置关系 | 位于城市边缘 | 位于城市远近郊,距离城市不远不近 | 距离城市较远,与旧城联系较少 | 
| 功能定位 | 交通枢纽型 | 城市次级服务中心 | 都市卫星城 | 
| 城市空间发展模式 | 点轴模式 | 双核模式 | 卫星城模式 | 
作为交通枢纽主导性的客运枢纽,武(定)禄(劝)综合客运枢纽将集高铁、汽车、公交等交通方式于一体的综合客运枢纽,实现多种交通方式的快速转换。枢纽应具备为居民提供安全、高效、舒适、便捷的客运服务的交通功能;为两县发展提供现代化的客运条件,减弱交通条件对武定县发展的掣肘,推进县域发展的经济功能;带动两县城市发展一体化,融入滇中城市一小时经济圈的片区功能。
(二)客运枢纽站区建设原则
1.精确定位
武(定)禄(劝)高铁客运枢纽为中小城市边缘型高铁站,高铁枢纽站区在用地功能布局和城市空间塑造上,不“盲目跟风”,构建符合县域需求、体现县域特色的现代高铁枢纽。
2.与县城中心紧密联系
通过高铁枢纽站区内长途汽车站、公共交通停车场、出租车停车场、站前广场、步行平台等设施提供多种交通方式的快速换乘,将高铁枢纽站区与县城中心区紧密联系起来。
 
 
图8—2武(定)禄(劝)综合客运枢纽站
3.合理规划设计
凝练武(定)禄(劝)高铁枢纽站区特色,作为城市门户,高铁枢纽站区应该展示城市特色,在充分考虑高铁枢纽站区作为武定、禄劝两县发展节点的同时,也综合考虑其自身内部布局。具体规划建设上可参考一些中小城市高铁枢纽规划建设案例。
(三)构建快速换乘体系
枢纽应包括高铁客运站、汽车客运厂站、公交场站、出租场站及配套服务设施。不同交通方式之间应互不干扰,但又能实现旅客快速换乘,构建快速换乘体系,实现综合交通客运一体化。
1.高铁客运站
武(定)禄(劝)高铁站可按县级中间站等级建设,考虑未来发展需求,应预留扩建用地。
2.汽车客运站
枢纽规划应建有汽车客运站,紧密衔接武定、禄劝两县高铁客运与县公路客运。考虑两县需求,枢纽汽车客运站应按照二级客运等级站规模建设。根据《汽车客运站级别划分和建设要求》(JT/T200-2004规定),二级客运枢纽设施配置包括场地设施、主体设施以及辅助设施三大部分。
3.公交、出租等换乘场站
枢纽位于两县交界处,距离两县城市中心有一定距离,适于建设相应公交线路以及出租客运,将中心城市与枢纽站区紧密衔接,满足县城居民对高铁出行的需求。
城乡道路客运是联系城乡、服务居民出行的重要纽带,是城乡经济社会一体化发展的重要基础,与人民群众生产生活息息相关。推进城乡道路客运一体化发展,实现城乡道路客运资源共享、政策协调、衔接顺畅、布局合理、结构优化、服务优质,是实践科学发展观、贯彻中央统筹城乡协调发展战略、落实中央“三农”政策的重要举措,是加快转变城乡道路客运发展方式、提升行业可持续发展能力、发挥行业比较优势的迫切需要,对推进城乡道路客运基本公共服务均等化具有重要意义。
“十四五”期间武定县将进一步统一思想、明确任务、完善体制、健全制度、落实责任、增加投入、加强引导,积极推进城乡道路客运一体化发展,逐步实现城乡道路客运基本公共服务均等化。
(一)城乡客运一体化发展分析
1.城乡客运一体化建设新策略
虽然近年来城乡差距在逐步缩小,但二元制结构依旧存在,大部分的农村道路路面狭窄,多为单车道,路陡弯多,极大地限制了城乡客运一体化的推进,需要政府从实际出发,根据不同的经济发展状况及运输方式提出城乡客运一体化发展合理模式。
2.开创城乡统筹发展新格局
随着县、乡、村间的往来愈加密切,城乡客运作为连接城镇和乡村的纽带,传统城乡统筹发展格局已不能满足群众出行需求,需要不断推动公共基础设施向农村延伸、公共交通服务向农村拓展,逐步形成城乡统筹发展的新格局。
3.城乡客运一体化任重道远
城乡客运一体化是一个逐渐完善的过程,是推进城镇化建设及新农村建设的必经之路,但由于当前的管理体制、运营模式及法律法规等方面仍存在一定缺陷,需多方共同努力、协商解决。
(二)城乡客运一体化布局规划
1.布局原则
城乡客运站宏观布局是一项具有高度的复杂性、综合性、区域性和指导性的工作,涉及区域的社会经济发展水平、产业结构、人民生活状况、交通等多方面因素。客运站布局遵循以下原则:
(1)满足需要,适当超前
在进行城乡客运站布局时,要在尽量满足当前运输需求的同时,考虑扩展运输的延伸服务及未来运输需求的变化趋势,为未来的发展做好储备。
(2)与乡镇规划和农村公路网建设相适应
城乡客运站布局必须与乡镇规划和农村公路网建设相适应,才能发挥农村客运站功能,使交通网络布局趋于合理,体现农村客运站在运输路网和运输工具之间的纽带作用。
(3)与公路运输网建设和公路运输枢纽布局相适应
城乡客运站、公路运输网和公路运输枢纽都是综合运输大系统的子系统,它们相互依存、彼此关联,与其他系统一同组成综合交通运输体系。客运站布局时,不但要注意与农村公路网相协调,同时还要求与整个公路网建设和公路枢纽的布局相协调。
(4)保护环境,可持续发展的原则
客运站布局要充分考虑土地资源的有限性,尽量少占用耕地,同时避免占用己有建筑用地和补偿费用过高的其他用地,注意生态环境的保护与可持续发展战略。
2.布局规划
(1)吸引度计算
各乡镇客运量的出行情况与乡镇社会经济发展状况有较强的关联度,因此可以计算城乡客运站吸引度和客运组织量分配比例来确定农村汽车客运站布局。
城乡客运站的吸引度计算公式:

式中:ri——乡镇i建设客运站的吸引度;
Ri——客运站i驻地乡镇的人口数;
R——全部客运站驻地乡镇的人口平均值;
Gi——客运站i所在乡镇的人均收入;
G——全部客运站驻地乡镇的人均收入平均值;
δ——乡镇特色调整系数。客运站驻地乡镇有大中型企业或旅游,取1,否则取0;
γ——重点小城镇调整系数。客运站驻地乡镇为重点小城镇取1,否则取0。
a1、a2—指标权重。本次规划取值a1=a2=1。
表8—2各乡镇客运站吸引度、客运组织量分配
| 序号 | 名称 | 2025人口(万人) | 2025人均收入(元) | δ | γ | 吸引度 | 客运组织量分配(%) | 
| 1 | 狮山镇 | 9.4241 | 16601 | 1 | 1 | 6.5798 | 27.65 | 
| 2 | 高桥镇 | 4.0198 | 5769 | 0 | 1 | 2.4446 | 10.27 | 
| 3 | 猫街镇 | 2.9935 | 6883 | 0 | 0 | 2.1523 | 9.04 | 
| 4 | 插甸镇 | 2.6358 | 7563 | 1 | 1 | 2.7311 | 11.48 | 
| 5 | 白路镇 | 1.6106 | 8137 | 0 | 0 | 1.8543 | 7.79 | 
| 6 | 万德镇 | 1.7433 | 4153 | 0 | 0 | 1.2761 | 5.36 | 
| 7 | 己衣镇 | 1.7451 | 5040 | 1 | 0 | 1.9161 | 8.05 | 
| 8 | 田心乡 | 2.0812 | 3574 | 0 | 0 | 1.3061 | 5.49 | 
| 9 | 发窝乡 | 1.6246 | 3731 | 0 | 0 | 1.1674 | 4.90 | 
| 10 | 环州乡 | 1.2407 | 4847 | 0 | 0 | 1.2053 | 5.06 | 
| 11 | 东坡乡 | 1.6177 | 3744 | 0 | 0 | 1.1669 | 4.90 | 
(2)各乡镇年度平均日旅客发送量
客运站规模指标包括设计年度平均日旅客发送量、旅客最高聚集人数、发车班次、发车位数等,由于缺乏相应基础数据,本次规划只计算平均日旅客发送量,依此确定车站规模。根据客运量预测值,结合各乡镇人口发展情况,采用等比例法进行运输量分配,最后计算各乡镇平均日旅客发送量。
表8—3武定县2025年各乡镇年度平均日旅客发送量
| 序号 | 名称 | 2025人口(万人) | 客运组织量分配(%) | 2025年发送旅客数量(万人) | 2025年均日旅客发送量(人) | 备注 | 
| 1 | 狮山镇 | 9.4241 | 27.65 | 64.2196 | 2141 | 二级 | 
| 2 | 高桥镇 | 4.0198 | 10.27 | 23.8595 | 795 | 四级 | 
| 3 | 猫街镇 | 2.9935 | 9.04 | 21.0061 | 700 | 四级 | 
| 4 | 插甸镇 | 2.6358 | 11.48 | 26.6560 | 889 | 四级 | 
| 5 | 白路镇 | 1.6106 | 7.79 | 18.0985 | 603 | 四级 | 
| 6 | 万德镇 | 1.7433 | 5.36 | 12.4545 | 415 | 四级 | 
| 7 | 己衣镇 | 1.7451 | 8.05 | 18.7008 | 623 | 四级 | 
| 8 | 田心乡 | 2.0812 | 5.49 | 12.7476 | 425 | 四级 | 
| 9 | 发窝乡 | 1.6246 | 4.90 | 11.3937 | 380 | 四级 | 
| 10 | 环州乡 | 1.2407 | 5.06 | 11.7638 | 392 | 四级 | 
| 11 | 东坡乡 | 1.6177 | 4.90 | 11.3890 | 380 | 四级 | 
(3)建设规模
根据《汽车客运站级别划分和建设要求》(交科教发〔2004〕190号JT/T 200—2004)可知,以上客运站建设规模基本满足“十四五”发展要求。故“十四五”期间应根据需要继续进行升级改造,完善客运站配套设施,维护场地设施、建筑设施、基本设备的正常运转,加强内部运营管理。
由于武定县部分乡镇与县城距离较远和一些其他因素,规划建设年限内不是所有乡镇都适合开展城乡客运一体化建设,可以部分先建设,部分后建设,不断提高城乡客运一体化水平。
表8—4汽车客运站设施配置表
| 设施名称 | 一级站 | 二级站 | 三级站 | 四级站 | 五级站 | |||
| 场地设施 | 站前广场 | ● | ● | ★ | ★ | ★ | ||
| 停车场 | ● | ● | ● | ● | ● | |||
| 发车位 | ● | ● | ● | ● | ★ | |||
| 建 筑 设 施 | 站 房 | 站 务 用 房 | 候车厅(室) | ● | ● | ● | ● | ● | 
| 重点旅客候车室(区) | ● | ● | ★ | ━ | ━ | |||
| 售票厅 | ● | ● | ★ | ★ | ★ | |||
| 行包托运厅(处) | ● | ● | ★ | ━ | ━ | |||
| 综合服务处 | ● | ● | ★ | ★ | ━ | |||
| 站务员室 | ● | ● | ● | ● | ● | |||
| 驾乘休息室 | ● | ● | ● | ● | ● | |||
| 调度室 | ● | ● | ● | ★ | ━ | |||
| 治安室 | ● | ● | ★ | ━ | ━ | |||
| 广播室 | ● | ● | ★ | ━ | ━ | |||
| 医疗救护室 | ★ | ★ | ★ | ★ | ★ | |||
| 无障碍通道 | ● | ● | ● | ● | ● | |||
| 残疾人服务设施 | ● | ● | ● | ● | ● | |||
| 饮水室 | ● | ★ | ★ | ★ | ★ | |||
| 盥洗室和旅客厕所 | ● | ● | ● | ● | ● | |||
| 智能化系统用房 | ● | ★ | ★ | ━ | ━ | |||
| 办公用房 | ● | ● | ● | ★ | ━ | |||
| 辅 助 用 房 | 生产辅助用房 | 汽车安全检验台 | ● | ● | ● | ● | ● | |
| 汽车尾气测试室 | ★ | ★ | ━ | ━ | ━ | |||
| 车辆清洁、清洗台 | ● | ● | ★ | ━ | ━ | |||
| 汽车维修车间 | ★ | ★ | ━ | ━ | ━ | |||
| 材料间 | ★ | ★ | ━ | ━ | ━ | |||
| 配电室 | ● | ● | ━ | ━ | ━ | |||
| 锅炉房 | ★ | ★ | ━ | ━ | ━ | |||
| 门卫、传达室 | ★ | ★ | ★ | ★ | ★ | |||
| 生活辅助用房 | 司乘公寓 | ★ | ★ | ★ | ★ | ★ | ||
| 餐厅 | ★ | ★ | ★ | ★ | ★ | |||
| 商店 | ★ | ★ | ★ | ★ | ★ | |||
| 注:“●”——必备;“★”——视情况设置;“━”——不设 | ||||||||
(三)城乡客运一体化措施与建议
1.坚持政府主导、部门联动;
2.改变经营组织、优化经营模式;
3.推进客运基础设施建设;
4.落实票价优惠政策;
5.推进“互联网+公众)出行服务;
6.加强客运市场监督管理。
一、构建装备先进的物流园区
武定县在“十三五”期间统筹规划了狮山综合物流中心、禄金工业物流中心、长冲石材物流中心、木果甸汽车商贸物流中心、九厂综合物流城、狮山现代物流综合服务信息平台等一批物流项目,经过五年的发展,这些物流中心都发挥的巨大的作用。“十四五”期间,武定县将继续提升改造现有的物流中心,引进先进的设备和管理系统,打造现代物流体系。
随着互联网+、物联网、云计算、大数据、人工智能、机器智能、区块链等新技术发展,现代物流业也正进入一个技术驱动的智慧物流时代。新时代将带来众多物流技术与装备的颠覆性变革,很多变革已经开始,物流技术装备业极有可能进入技术创新阶段的产业高速增长周期。构建先进的货运站场将有利于武定县的货物运输发展,主要包含以下几点:
1.引进先进适用型技术装备
目前,先进适用的基础物流技术与装备仍是市场需求主体,叉车、托盘、货架与输送分拣设备组合已经成为很多物流公司与仓储企业仓储改造的标准配置。随着商贸物流快速发展,仓储企业转型升级,先进适用性物流技术装备也需要重视标准化、模块化和柔性化,重视与物流信息系统对接,开发先进适用的智能物流设备。
2.引进智能化软件系统
物流技术装备正由数字化向程控化发展,物流技术装备的导航、控制、管理等系统软件进化成为物流技术装备发展趋势,推动着软件定义物流硬件的技术变革。在物流技术装备领域,搬运机器人的调度管理系统、智能导航系统、无人仓和智能仓的WCS仓库控制系统、网络货运、智能运输调度管理、无人驾驶卡车等先进运输装备越来越成为技术创新亮点和核心竞争力。引进先进的智能化软件系统可以提升物流园区的物流水平和运行效率,也为武定融入现代物流枢纽打造更高平台。
3.引进自动化立体库技术
自动化立体库是指通过货架系统、控制系统、自动分拣系统、自动输送系统等装备的集成,实现货物自动存取、拣选、搬运、分拣等环节的机械化与自动化的物流装备系统。目前自动化立体库具有无人化仓储、密集型存储、柔性自动化、多场景分拣等发展趋势。引进自动化立体库技术,可以节约用地,提高效率,提高智能化水平。
4.引进先进的区块链与5G推动物流装备
物流装备的信息传输网络系统核心技术是物联网,相关技术是互联网+、移动互联网、5G等通讯技术。目前物联网技术已经在物流技术装备上得到了普遍应用,如自动识别、RFID、红外感知、传感器、视觉感知等各类感知技术。5G等信息通讯技术在物流自动化系统中也得到了应用,比如昆船物流、京东物流等都开发了基于5G环境的物流自动化系统。区块链与5G技术是推动物联网的两大动力,引进这些装备,可提升武定物联网发展水平,更高层次推动武定经济发展。
 
 
图9—1 物流自动化系统图
 
 
图9—2 智慧物流及供应链
2020年武定县邮政寄递业分支机构32个,乡镇电子商务服务站11个,行政村电子商务服务点136个,全县136个建制村100%通邮,县、乡、村三级物流体系日趋完善。
“十四五”期间,武定县将根据楚雄州制定的邮政快递发展目标,结合县域经济发展规划,完善邮政业快递县乡村三级农村物流网络节点体系,推进快递普惠发展,构建城乡无缝衔接的服务网络,形成邮政普遍服务、电商快递、寄递新业态等多种服务优势互补、互促共进的公共服务格局。
1.加强基础网络建设。构建综合立体、通达全县、智能高效、安全便捷的服务网络体系,加快寄递网络建设,鼓励同业和跨界运输、仓储、分拨、配送等资源共享。
2.提升公共服务水平。巩固发展邮政事业,突出邮政中“政”的要求,强化邮政综合服务平台功能,提升均等化水平。
3.推进快递扩容增效。推动快递向更多满足生产性服务需求、高端高价值服务需求、线上线下一体化服务需求拓展。推动城乡区域协调发展,推进快递普惠发展,建设协同发展示范区。
4.支持市场多元发展。推动邮政企业混合所有制改革,提高快递产业集中度。
5.拓宽“寄递+”领域。在民生方面大力拓展代办和政务寄递服务,助力乡村振兴,服务教育、健康、养老、文化、旅游、体育等产业。在生产方面提升服务农村电商、跨境电商、智能制造、零售新业态等的质量和水平,带动关联产业发展。
6.加快建设绿色邮政。完善绿色发展机制,优化运输组织、升级运输装备、推广绿色建筑等方式,实现设施设备结构性减排。
7.营造良好市场环境。建设统一开放、公平竞争的高标准邮政市场体系,强化竞争政策基础地位。建设具有鲜明时代特色的邮政文化,大力弘扬“小蜜蜂”精神,关心爱护基层员工和“快递小哥”。
物流公共信息平台是指基于计算机通信网络技术,提供物流信息、技术、设备等资源共享服务的信息平台。具有整合供应链各环节物流信息、物流监管、物流技术和设备等资源,面向社会用户提供信息服务、管理服务、技术服务和交易服务的基本特征。物流公共信息平台系统将建成交易中心、监控中心、数据交换中心、增值中心、资讯中心、管理中心、政府中心,能够满足各层次物流会员的物流服务需求。
 
 
图9—3 物流公共信息平台
“十四五”期间,武定县可借鉴《成都物流公共信息平台》(以“一网二平台(物流快速网络、公共物流信息平台、交通运输基础设施平台)、四园区四中心(四个物流园区、四个物流中心)、五十个物流服务站”为主要内容的现代物流业发展框架体系),引进先进的物流公共信息平台,为武定物流发展服务。
建设物流公共信息平台具体意义如下:
第一,提高工作效率,提升物流服务水平。物流信息平台是一个快速、准确的网络系统,可以解决行业、企业以及企业与客户之间的信息交流,从而实现供应链的优化,从根本上提升整体物流服务水平,大大提高了物流效率。
第二,节约社会资源。相关企业利用物流信息公共平台,用统一的数据标准管理,通过平台实现信息发布、查询,缩短物流信息流转环节,实现信息共享,避免重复劳动,提高资源利用率,降低运营费用,进而有效整合资源,从而实现物流产业的智能化、智慧化,促进“智慧+物流”模式的全面落地。
第三,推动商品条码应用。通过制造企业、物流企业采用SSCC、GLN等编码对货物和位置管理,推动商品条码发展,增加系统成员,进一步提升商品条码在物流行业的推广应用。
第四,加强宏观调控。政府相关部门利用物流信息公共平台,在宏观决策上,可以进行科学的预测分析、规划,进而制定相关政策;在行业管理上,可通过平台获得企业信息、需求总量、供给能力、运输方式的运营状况等,及时进行行业调控。平台有效整合物流资源,避免重复投资,提高社会物流资源的利用率,实现最简单、准确、快捷的物流流动过程,实现供应链的优化,从根本上提升整体物流服务水平。公共物流信息平台已成为我国物流信息化建设的核心,引领我国物流信息化建设向新的方向快速发展。
武定现代物流的健康发展,离不开各方面的支持与发展,装备先进的物流园区、覆盖全面的邮政快件系统、交通与旅游相融合的武定港建设、准确及时的物流公共信息平台的建设等等;同时,必须改变目前线性经济的思维模式,构建循环物流系统,以实现资源的循环利用,也要充分发挥物流系统化的优势,尽可能扩大物流系统资源整合的范围,通过大力发展武定的第三方物流等措施来提高物流系统的运作效率,实现这一目标需要政府、社会、企业的共同努力。
武定物流园区作为楚雄州重要交通物流节点园区,是州加快现代物流业发展,培育千亿物流产业集群的核心支撑,促进武定现代物流健康发展建议做好如下几点:
1.强化物流园核心地位。必须强化物流园核心地位,优先安排用地指标,按工业最低价标准执行,尽早启动园区道路修建事宜,改善园区区位条件和交通条件。必须主动与省、州发改、交通、住房和城乡建设等部门对接,吃透政策,争取把重大物流交通枢纽项目、智慧物流示范项目等引进来。
2.加强与品牌企业合作。积极对接中铁物流、中通快递、京东集团、圆通速递企业,力争早日达成投资合作意向。积极对接成昆铁路物流部门,寻求物流园区在铁路运输、货物拼箱、产业发展、保税区优惠政策等方面的双向合作与支持。
3.落实各项配套措施。围绕园区的工作重点,加快完善功能定位、业态布局、市场培育,落实各项配套措施。着力打造进公路集散、多式联运、城际配送物流平台。加快加工型物流产业布局,引导制造业、物流业实行主辅分离,优势互补,竞相发展。统筹整合已有的物流公司分拨中心、配送中心至园区,不断壮大物流产业。
4.打造公共信息平台。着力打造公共信息平台,建立信息技术服务标准,实现物流信息资源共享和物流在线交易、跟踪与远程控制,提高监管服务水平和物流效率,提升现代物流园区信息化水平。以“政企纽带、交流平台、会员之家”为宗旨,整合行业资源成立物流行业协会,推动政企合作,促进行业自律,同时,要提供各种有利条件吸引更多优秀专业技术人才政策,不断增强园区发展后劲。
第十章综合交通运输系统保障体系
一、构建完善的交通运输法规体系
《交通运输部关于完善综合交通运输法规体系的实施意见》(交法发〔2016〕195号)指出:合理统筹立法项目,促进相关法律制度的整合和衔接,强化综合管理,发挥组合效用,力争到2030年,基本完成跨运输方式及铁路、公路、水路、民航、邮政等各领域“龙头法”和重点配套行政法规的制(修)订工作;基本形成架构科学、布局合理、门类齐全、分工明确、上下有序、相互衔接的综合交通运输法规体系的主骨架。武定县在“十四五”及中长期将建设公、铁、水、空立体交通网,届时各种运输方式的联运机制形成,需要完善符合武定特点的相关交通运输法律体系,保障综合交通运输体系的有机运营。
1.完善《综合交通运输促进法》武定县管理办法
本办法从行政管理的角度,主要规范综合交通运输发展的总体规划、统筹协调和相互融合等问题,具体包括,明确综合交通运输发展的目标和原则,明确综合交通运输规划的编制和实施,建立相关管理部门的统筹和协调机制,促进不同运输方式的规划、网络、标准的统筹和衔接。
2.完善《多式联运法》武定县管理办法
本办法从调整民商事法律关系的角度,主要规范多种运输方式衔接和组合过程中的法律行为及法律关系,具体包括多式联运经营人及相关方的法律地位和权利义务,调整多式联运合同、票据、标准、规范的统一和衔接,为推进多式联运的发展创造良好的法律环境。
3.完善《综合交通运输枢纽条例》武定县管理办法
本办法作为《综合交通运输促进法》的配套行政法规,进一步落实和细化上位法规定的综合交通运输枢纽相关制度,以充分发挥其对不同运输方式的衔接作用,主要规范综合交通运输枢纽的规划、建设、运行管理以及安全生产、设施保护等问题,有机连接和优化配置不同运输方式的线路、场站、信息等资源,促进网络化运输和集疏运体系建设,实现“零换乘”和“无缝衔接”。
4.完善《港口管理条例》武定县管理办法
本办法主要规范港口规划、建设和经营行为,保护当事人合法权益等涉及的问题,具体包括港口建设规划、经营秩序、港口收费、港口安全生产、基础设施维护、港口岸线管理等内容。
5.完善《民用航空运输不定期飞行管理暂行规定》武定县管理办法
本规定制定于1989年,主要规范不定期飞行管理涉及的内容,具体包括不定期飞行的批准及其标准、条件、外国运输企业在中国经营应当遵守的规则、我国始发的不定期飞行的优先原则、收费方法和标准、保险以及法律责任。武定通用机场建设后将完善武定方面的相关规定。
《交通运输部关于全面深化交通运输改革的意见》(交政研发〔2014〕242号)明确,支持地方交通运输主管部门负责本区域内综合交通运输规划、建设、管理与服务,统筹地方铁路、公路、水路、民航、邮政等管理,加快形成“大交通”管理体制和工作机制。鼓励和支持各地加大综合交通运输改革探索,选择具备条件的地方建立综合交通运输改革试验区。武定县目前交通运输单一,未形成大交通管理体制,但随着“十四五”及中长期的发展,公路、铁路、水运、航空立体交通网的构建,武定将迎来新的交通格局,必须构建高效率的大交通管理体系。大交通管理体制是指将铁路、民航、公路、邮政、水运等协调职能,通过管理组织和职能的调整,形成以公路和水运运输为主体的管理部门。
1.整合管理职能
要形成一体化的大交通管理体制,首先要对管理职能进行整合,促使交通管理部门摆脱利益驱使,将原来分散于各个独立部门的管理职能统一整合,将管理权力划归到交通运输局,由其对交通体系进行统一管理,并且推动职能设置同系统的有效进行实现有机统一。与此同时,对管理职能进行整合,还需要设置专门的大交通管理机构。
2.完善协调机制
对于交通管理领域来说,由于涉及交通的事务“点多、线长、面广、体大、事杂”,尤其需要与政府其他综合部门和相关专业部门建立科学、高效的协调机制,从而保障综合交通工作的扎实有序开展。大交通管理体制的主要任务是通过不同部门之间的有效分工合作,对负责的交通事务进行有效的管理、协调,进而推动交通工作的有效开展。
3.构建常态化监督体系
由于交管部门不仅是交通政策的实施者,还是实施效果的监督者,所以在政策执行过程中有时会有失公正。通过制定明确的权责范围、建立合理的绩效评估系统以及健全责任追究体系等方式,强化内部监督。通过信息公开、定期咨询相关专业人员的意见以及成立专门的监督机构,以此来完善外部监督体系。
发展现代交通运输业,归根到底依靠人才,依靠总量充足、结构优化、素质优良、分布合理的人才队伍。这就要求行业人才队伍建设,贯彻落实中央精神,紧密结合行业特点,根据现代交通运输业发展的新形势新要求,针对人才发展存在的突出问题,统筹规划,突出重点,增强人才发展的针对性与全局性。
(一)交通人才培养需求
1.要以能力建设为核心,切实加强优秀拔尖人才培养。发展现代交通运输业,突出强调依靠科技进步与从业人员素质提高,加快转变发展方式,不断提高交通运输现代化水平。这就要求行业人才队伍建设,着眼于有效解决交通运输基础设施规划、建设、养护、管理和运输服务等各个领域不断出现的大量科技和管理难题,以增强人才分析问题、解决问题的实践能力与创新能力为核心,切实加强高层次科技、高技能实用人才、高素质管理人才队伍建设。
2.要以重点领域为导向,大力加强急需紧缺人才培养。发展现代交通运输业,突出强调运输系统各领域、各环节的集约发展和协调发展。这就要求实现交通运输基础设施建设与规划、养护、管理和运输服务等领域人才队伍建设的统筹协调发展,大力加强综合运输、工程建养、现代物流、道路运输、轨道交通、港口航运、安全保障、交通执法和交通运输信息化等重点领域和特种专业急需紧缺人才的培养,着力优化人才队伍的专业构成,在结构调整中实现人才总量的有效增长。
3.以武定交通特点为重点,继续支持专门人才发展。发展现代交通运输业,突出强调区域协调发展。这就要求行业人才队伍建设贯彻落实国家西部大开发发展战略,紧密结合武定交通基础设施和运输服务能力建设需要,以培养能长期服务于、扎根于当地的专门人才为主要目标,采取倾斜政策,支持区域人才发展,促进人才有效流动,为增强区域交通运输自我发展能力,促进武定交通运输协调发展提供人才保障和智力支持。
(二)人才培养任务
1.重点加强优秀拔尖人才培养
(1)高层次科技人才。以人才创新能力建设为核心,重点加强科技领军人才和优秀青年人才的培养。
(2)高技能实用人才。以增强人才的实践能力为核心,重点加强高技能人才培养。
(3)高素质管理人才。以交通运输主管部门公务员和所属单位领导干部为重点,以提高领导素质和管理能力为核心,加强实践锻炼与教育培训,造就一批德才兼备、勤勉廉洁、求真务实、奋发有为的高素质管理人才。
2.大力加强重点领域急需紧缺人才培养。
(1)综合运输人才。适应综合运输体系发展要求,以教育和培训环节的知识拓展与更新培训为重点,在政府管理、科学研究、规划设计等机构和运输企业,加快建立一支数量充足、素质优良的综合运输专门人才队伍。
(2)工程管理人才。以保障公路水路交通运输基础设施建设质量为目标,在重大工程建设的管理实践中,培养和锻炼一支数量充足,精通工程专业技术、富有工程管理经验的人才队伍。
(3)现代交通物流人才。落实物流业战略部署,加强现代交通物流管理层和操作层等专门人才的高等教育与在职培训。
(4)道路运输人才。以道路运输、城市客运等领域人才队伍建设为重点,以职业技能培养和职业资格制度建设为抓手,提高从业人员素质,规范从业行为,增加专门人才总量。
(5)轨道交通人才。适应城市轨道交通快速发展需要,加快培养数量充足、素质优良的城市轨道交通运营管理人才。
(6)港口与航运人才。适应推进内河航运的需要,加强复合型港口管理与航运管理人才培养;加强高级船员、高级验船师等专家型人才培养。
(7)救助打捞人才。适应抢险打捞能力建设、交通运输安全保障、重大自然灾害和事故灾难紧急救援的需要,培养和造就数量充足、结构优化、布局合理、素质优良、管理高效的国家专业应急救援队伍。
(8)行政执法人才。在路政、运政、港政和海事等执法领域,加快建立一支素质过硬、作风优良、纪律严明的交通运输行政执法队伍。
(9)信息化人才。以努力提高交通运输行业信息化水平,加快推进现代交通运输业发展为目标,在行业信息化建设中培养和锻炼人才,逐步建立一支既熟悉交通运输业务又掌握信息技术的交通运输信息化建设人才队伍。
随着国家“加快建立现代财政制度,建立权责清晰、财力协调、区域均衡的中央和地方财政关系,建立全面规范透明、标准科学、约束有力的预算制度,全面实施绩效管理”等财税改革工作的深入推进,武定交通运输投融资工作要保障行业发展需求,支撑好交通运输高质量发展,必须结合武定交通行业发展实际,进一步深化交通运输投融资体制机制改革,加快构建“政府主导、分级负责、多元筹资、规范高效”的交通运输投融资体制。
(一)持续对接省交通专项资金政策,优化资金使用结构,提升预算绩效管理
加强交通转移支付资金对省重大决策部署的保障,优先保障国家、省重大战略项目,加大对调结构、补短板及脱贫攻坚等项目的支持力度。提升资金使用效益,将绩效理念和方法深度融入预算编制、执行和监督的全过程,强化绩效目标管理,建立预算安排与绩效目标、资金使用效果挂钩的激励约束机制。加大对农村公路和公共航道等基础设施养护资金的投入,稳定城市公交和农村客运等基本公共服务领域的财政资金支持。研究设立多式联运基金,发挥政府投资基金引导作用,带动社会资本投资,促进交通运输结构调整。鼓励引导地方积极争取各级财政支持,加大对交通运输建、管、养、运的资金投入。
(二)用足用好债券资金政策,开好政府融资的“前门”
用好农村公路继续作为地方政府一般债券资金优先支持领域的政策,积极争取加大一般债券对农村公路建设的支持力度。
(三)发挥市场在资源配置上的决定性作用,盘活存量资产,用存量换增量,以资产换资本
合规有序利用PPP模式推进交通基础设施建设,并不断进行探索创新。鼓励收费公路企业通过资产重组、债转股、并购、上市等方式,做大做强企业的整体实力,提高企业资信级别。大力推进交通与旅游、物流、互联网、新能源、金融等其他产业融合发展,以新的产业形态来盘活存量收费公路资产。
(四)积极稳妥处理交通运输行业地方政府隐性债务问题,坚决守住不发生区域性系统性债务风险的底线
合理安排交通基础设施建设规模和投资时序,建立资金保障与交通运输建设计划的协同机制,防止过度举债,对“形象工程、政绩工程以及脱离当地财力可能的项目”不予安排资金。加强交通建设项目可行性研究,提高可行性研究报告编制深度,增强项目投资估算和交通量、未来收益预测等方面的科学性。引导地方通过发行专项债券置换行业存量债务,坚决守住不发生区域性系统性债务风险的底线。
(五)探索交通基建设施产业化与市场化运作模式
鼓励社会投资方在交通基础设施周边开展经营性活动,利用有关交通设施的相关权益获取收益,鼓励社会投资方通过公开招标吸纳有资质的运营管理公司实施项目后期的公路入场养护及公路运营管理,逐步将政府投资修建的收费公路的运营管理推向市场化;加强周边土地的综合开发利用,鼓励社会资本积极参与交通基础设施的投融资建设,采用“以土补路”等方式增加投资收益,通过将道路周边的土地划给企业开发或允许其拍卖土地使用权,或将公路绿化等工程交给公路建设企业等方式来保障投资者收益。
本规划提出的交通运输项目,必须全面考虑环境影响因素和环境保护要求,严格执行交通建设规划、建设项目环境影响评价制度,全面开展工程环保设计、工程环境监理和施工期及运营期环境监测,逐步开展运营工程的环保后评估工作,加大对建设项目环境保护“三同时”执行情况的监督检查力度。交通运输项目建设运营全过程,都要落实节能减排、环境保护目标责任制,并纳入绩效考核体系。
一、生态影响评价
(一)主要影响因素
包括农田占用、植被破坏、水土流失,以及港口对河流环境影响等。
(二)环境保护措施
施工期间制定合理的建设方案,应避绕自然保护区、风景名胜区、森林公园、重要湿地生态系统等生态敏感目标,与环境规划、生态功能区规划和水域环境功能区划做好衔接,尽可能减少对植被和自然环境的破坏,尽量不占用基本农田,尽量减少对临时用地、作业区周围的林木、草地、灌丛等植被的损坏。并妥善处理施工产生的建筑垃圾、工程土渣、生活垃圾等废物。营运阶段基本做到全面绿化,为防止土壤侵蚀而采取的坡面植草措施应作为边坡绿化工程的一部分。同时在高等级公路的重点路段,如互通式立交的坡面、进出市、镇交界处,采用先进技术铺设草皮等植被。
二、大气环境影响评价
(一)主要影响因素
施工期间在施工环节产生扬尘和尾气排放,造成施工区及下风向的环境空气质量降低;运营期间,机动车尾气、船舶废气对环境空气质量的影响将会产生影响。
(二)环境保护措施
注重项目建设过程的扬尘控制,合理设置防尘绿化带;汽车尾气和船舶废气控制措施。提高道路服务水平,保障道路畅通,缩短运输车辆怠速工况,减少汽车尾气排放总量;促进船型标准化;鼓励码头作业机械、车辆使用无铅汽油燃料。
三、水环境影响评价
(一)主要影响因素
施工期间航道疏浚、港池挖掘、水工构筑物施工、桥涵建设等对沿线所跨水体造成的影响,运营期问船舶油污水、生活污水等影响。
(二)环境保护措施
水下施工中悬浮固体发生量取决于施工机械、施工方法、土石质量、粒度分布情况及近岸海域水文条件等,制定合理施工方案减少水环境影响。运营期产生的陆域生活污水、生产废水汇集至各污水处理厂集中处理达标后排放,相关经营者应当遵守水污染防治和船舶污染防治的规定,防止污染沿江地区水体。
四、声环境影响评价
(一)主要影响因素
施工期间机械噪声、运输车辆、爆破噪声等噪声污染,运营阶段机场、公路和铁路噪声,并随着交通流量的增加而增加。
(一)环境保护措施
夜间禁止进行打桩等高噪声施工作业;建设隔音墙、绿化林带等降噪设施,有效降低交通噪声。
第十三章 政策要求与保障措施
一、政策要求
综合交通运输规划的实施是一项复杂的系统工程,要保证其顺利进行,需要制定一系列配套的保障政策和措施。实施综合交通运输规划的主要政策要求有:
(一)重视规划严肃性,保证规划顺利实施。交通建设需要占用土地资源,并对环境产生一定影响,因此,交通建设具有明显的资源约束性,综合交通运输体系只有形成合理的结构,才能充分发挥其功能与作用。所以,只有严格按照规划分步实施建设,才能有效节约利用土地资源,减少对环境的影响,提高公路水运效率,避免无序建设而导致浪费和效率降低。为此,在目前建设资金有限的条件下,建议将武定县交通建设规划报经州政府批准,并经县人大通过,以确立武定县交通建设规划的法律地位,以保证规划的顺利实施。
(二)交通网的制定、实施以及滚动调整,涉及众多部门和行业,因此需要成立一个专门性的机构来负责相关的事务。各级政府应在制定发展规划中发挥主导作用,把交通建设作为自己的重要职责,切实加强组织领导,认真研究本地区公路发展的政策规划,及时协调解决公路建设中的问题,努力为交通建设创造一个良好的外部环境,保证本地区交通建设的持续稳定发展。
(三)结合实际,分类指导。交通建设投资大、周期长,同时交通是公共基础设施,其效益主要体现在社会效益上,因此对公路建设应实行倾斜政策来重点扶持。建议政府对交通基础设施建设的国土审批、征地拆迁补偿等相关政策,制定适应本区操作的政策,以便在资金、用地、材料供应等方面,为本地区交通建设创造有利条件。
(四)加强组织管理、完善交通管理体制。推行交通基本建设目标管理责任制。培育公开、公平、公正的交通工程建设市场,不断完善市场机制,堵塞工程建设腐败的源头。为保证工程质量、缩短工程建设周期、降低造价,干线公路的设计、施工应采用公开招标形式,打破行业保护主义,使公路建设与市场接轨。同时应加强工程的监督管理,切实完善监督制度,保证工程质量。
(五)各种运输方式要协调发展。处理好公路建设与其他运输方式基础设施建设的关系,建立合理的综合运输体系,充分发挥各种运输方式的优势,最大限度发挥综合运输网的整体效益。
(六)在综合交通运输发展规划实施过程中,考虑高速公路与一般干线公路的主辅路协调发展。为尽量减少线路用地,在干线公路网规划的实施过程中,需要统筹考虑高速公路和一般干线公路的协调建设,特别是对于在线位走向上基本一致的高速公路和一般干线公路,可以考虑按照主辅路统筹建设;对于个别穿越城镇化水平较高区域的高速公路,在规划实施过程中也可以考虑按照城市快速干线的模式与城市干线公路进行协调建设。
(七)充分考虑在建或拟建项目与规划线路间的衔接、协调。为尽量减少未来规划线路实施对已有线路的影响,在当前在建或项目的实施过程中,需要充分考虑未来规划线路的建设,考虑规划线路的线位走向及其在建或拟建项目交叉处土地预留和衔接问题。
(八)加快农村公路和城市干道的规划建设,加强农村公路和城市干道与干线公路的衔接,促进干线公路功能的发挥。如果农村公路不能与干线公路网相匹配、相协调,那么,干线公路网应有的服务能力和经济促动作用将难以充分发挥。因此,在规划建设干线公路网的同时,需要加强农村公路的规划建设,让干线公路与农村公路配套协调,提高干线公路网的社会经济服务能力。
(九)在水运规划实施过程中充分考虑对生态环境的保护,促进交通可持续发展。应尽量保护环境资源,避免或减少对区域生态资源的破坏,促进水运交通与生态环境的协调发展。
(十)重视交通科技发展。加快新技术、新材料、新工艺的研究与应用,提高经济效益。同时,注重引进交通科技人才,完善用人机制,加强专业技术队伍建设,积极推进全面质量管理,全面提高设计、施工、养护现代化管理水平,为加快规划目标的实施提供保证。另外,大力提高交通职工队伍的科技文化水平和技术业务能力,全面提高职工的整体素质,是提高交通建设管理水平的重要条件。应根据生产、工作的实际需要,有目的、有针对性开展各类岗位培训、专业技术人员的知识、技术更新教育。
(十一)加强公路水运养护管理,延长公路港口使用寿命,提高公路水运交通服务能力。在交通网规划建设的同时,必须加强基础设施养护管理,认真贯彻执行交通部“建养并重,加强养护;防治结合、以防为主;养护兼顾、以养促改;标准管理、确保畅通”和“修建与养护相结合,以养护为主”的方针。
(十二)建立长期、稳定的资金渠道,逐步增加政府投入。武定县公路水运交通建设资金需求巨大。解决资金问题已成为武定县交通建设事业发展的关键。进一步完善多元化的交通投融资体制,积极发挥市场作用。
(一)全面加强党的领导,保证正确的发展方向
坚持党的全面领导,充分发挥党总揽全局、协调各方的作用。各级党委、政府要建立统筹协调的各项建设实施的工作机制,强化部门协调、上下联动,促进军民融合,落实责任分工和工作举措,整体有序推进“十四五”综合交通运输规划的各项工作。
(二)准确理解交通政策,积极争取上级政策和资金支持
科学制定配套政策和配置公共资源,促进自然资源、环保、财政、金融、投资、产业等政策与各项工作建设的相关政策协同。加强与国土空间规划衔接,预留重大交通基础设施空间资源,保障交通建设用地需求。按照财政事权与支出责任划分,积极争取上级政策和资金支持,建立健全各级财政投入保障制度;积极向上级争取新增地方政府债券额度用于交通运输领域;鼓励采用多元化市场融资方式拓宽资金渠道,推动交通基础设施沿线及周边土地、产业园区等综合开发;规范推进政府与社会资本合作模式在交通运输领域的应用,强化风险防控机制建设。要用好用足国家、省支持政策,综合运用地方政府专项债券、资源(资产)换资金、融资再安排、“交通+综合开发”、盘活公路存量资产、规范推行PPP等方式,多渠道筹措资金,推动项目建设。
加强与楚雄州综合交通运输“十四五”发展规划、武定县国民经济和社会发展规划纲要等上位规划和城镇体系规划、产业布局规划、土地利用总体规划等相关规划的动态衔接,保持规划的统一性。
按照“统筹规划、分级负责”的原则,成立规划实施领导小组,加强省市、市县联动、协同推进规划实施。加大前期工作中资金、科技和人才投入,做深、做细前期工作。按照“完成一批、开工一批、研究一批、储备一批”的思路,加快推进项目前期工作、做好项目储备,切实保障重大建设项目前期工作经费投入,加强技术方案比选和经济可行性论证,合理确定建设方案。加强跨县域路线的线位、建设标准和建设时序的衔接,与邻县协同推进项目建设。对于农村公路建设改造项目,适当简化前期工作审批程序,缩短项目审批周期。强化跟踪评估强化规划实施情况的跟踪分析和监督检查,根据发展中出现的新情况、新问题适时调整规划和相关政策,增强规划的可操作性。
稳定现有资金渠道,加大财政支持力度,县道积极争取纳入云南省建设规划盘子,争取省财政补助,州(市)配套补助,增强项目融资能力。对于农村公路,在积极争取国家补助资金及相关政策基础上,不足部分由州县两级政府筹措落实,探索引进社会资本投资建设农村公路模式。对于场站建设等项目,积极争取国家补助资金支持,加大地方配套资金投入。另外,项目投资的融资还可以考虑下面四种方式:
BOT ——是指获得特许经营的投资人,在特许经营期内,投资建造、运营所特许的基础设施,从中获得收益,在经营期末,无偿地将设施移交给政府。
PPP——是指政府与民间投资人合作投资基础设施。
BT——是由业主通过公开招标的方式确定建设方,由建设方负责资金筹措和工程建设,项目建成竣工验收合格后由业主回购,并向业主向建设方支付回购价款的一种融资建设方式。
PPP+EPC——是指EPC总承包商通过PPP投融资的方式介入项目,实施、设计、采购等实施总承包的交钥工程,投资企业可以通过特许经营协议获得相应的回报,在约定的周期后将实施移交到政府部门。
根据武定县交通运输规划,“十四五”及中长期初步匡算所需建设资金为1844.1178亿元,其中“十四五”期间投资168.0698亿元,中长期(2026—2035)投资1676.048亿元。如下表:
| 序号 | 项目内容 | 总投资(万元) | “十四五”投资(万元) | 中长期投资(万元) | 备注 | 
| (一) | 民航 | 200000 | 30000 | 170000 | |
| (二) | 铁路 | 8890000 | 845000 | 8045000 | |
| (三) | 高速、一级公路 | 4363000 | 480000 | 3883000 | |
| (四) | 国道 | 444000 | 500 | 443500 | |
| (五) | 省道 | 204000 | 1000 | 203000 | |
| (六) | 县际联网公路 | 1559680 | 1000 | 1558680 | |
| (七) | 主要经济干线 | 2461400 | 63900 | 2397500 | |
| (八) | 建制村公路 | 55000 | 30000 | 25000 | |
| (九) | 自然村公路工程 | 70598 | 70598 | 0 | |
| (十) | 公路安全生命防护工程 | 10500 | 10500 | 0 | |
| (十一) | 专用公路、旅游线路 | 8000 | 3200 | 4800 | |
| (十二) | 客货运站点、停车场 | 100000 | 100000 | 0 | |
| (十三) | 港口、水运和码头 | 74000 | 44000 | 30000 | |
| (十四) | 智能交通 | 1000 | 1000 | 0 | |
| 合计 | 18441178 | 1680698 | 16760480 | 
(五)完善交通领域体制建设,保障运输运营管理
进一步理顺综合交通运输管理体制,以事权对应原则明确建管养责任主体,深化干线公路及农村公路管理养护体制改革,深化交通行政执法改革,推动交通综合执法;完善城乡客运一体化管理体制和机制,统一城乡运输政策和标准,推进农村客运发展;逐步完善安全应急指挥协调、沟通合作、信息报告、督查和监督、宣传教育和培训演练等工作机制。
切实强化交通运输法治思维,坚持依法科学民主决策,全面推进依法行政,继续加强制度建设,积极推进执法模式改革,加强执法队伍建设,严格行政监督与问责,做到决策权、执行权、监督权相互分离、相互约束。加强执法监督保障建设。完善行政机关的内部监督制约机制,加快行政执法信息平台建设。加强执法单位标准化建设,规范执法人员行为,提升交通运输执法形象。
加强交通运输精神文明建设,提升交通运输行业文明程度和职工文明素质。强化教育监管和制度创新,完善权力运行监督制约机制,有效防治腐败。
构建与综合交通运输发展相适应的人才引进、培养、激励、使用和评估相统一的体制机制;引入高层次技术人才,建设一支引领全县综合交通高质量发展的专家队伍;培养造就一支服务发展大局、素质过硬、适应新形势的交通运输人才队伍;造就一支素质优良的知识型、技能型、创新型劳动者大军。强化交通规划、建设和项目管理、质量监督等部门职能,理顺关系,调配补充紧缺的专业技术和管理人员。在用好现有专业技术人才的基础上,创新思路,广纳贤才,培养和引进适应交通建设的专业技术和管理人才,依靠机制创新挖掘人力资源潜力,为加快交通建设提供智力保障和人才支持。
深入贯彻科学发展观,正确处理好交通建设与环境保护的关系,促进交通发展与自然环境相协调。加大科技创新力度,积极推广应用科研成果,提高交通建设的科技含量。在公路的设计、建设、养护中,尽量避免破坏生态环境,实现与自然界的和谐统一,实现交通的可持续发展。在满足社会经济发展的基础上,通过科学规划布局基础设施也能够减少对土地占用。在规划实施阶段,要认真贯彻执行相关的法律法规,严格控制耕地占用。前期工作中,路线线位和站场点位选择要符合土地利用总体规划和基本农田保护区规划,要有效利用通道线位资源,合理选用技术标准,减少对土地,尤其是耕地的占用,努力实现好耕地的“占补平衡”,解决好占地复耕问题。
交通基础设施建设不可避免地要对环境产生一些影响。为此在规划、设计、施工和运营的各个环节都要严格遵守相关的法律法规,确保做到“三同时”。在建设中,对环境特别敏感地区的建设方案要进行充分比选论证;要因地制宜,适当增加桥、隧,以避免大填大挖,减少对生态环境的破坏,同时工程方案要与环境相协调;加强施工、运营过程中的环保监控;在通过学校、居民区等环境敏感区时,注意加强隔音设施设置,减少噪声污染。
(九)加强科技创新,推进交通智能化、信息化建设
积极开发和应用新材料、新工艺、新技术,降低交通建设成本,保证工程质量,提高公路服务水平。加强交通信息化建设,提高设施使用效能、能力和安全性。建立紧急事件处理系统、道路运政管理系统等,实现路网规划、建设、管理、运营、评价、养护的计算机辅助决策。
附件:1.武定县“十四五”综合交通及中长期发展规划(2021
—2035年)建设项目表
2.武定县“十四五”及中长期综合立体交通网规划图
| 上一条:武定县人民政府印发《武定县“十四五”教育事业发展规划(2021年—2025年)》和《武定县“十四五”体育事业发展规划(2021年—2025年)》的通知 | 
| 下一条:2022年高校毕业生就业创业支持政策解读 |